Generatore
Moderatori:
carloc,
g.schgor,
BrunoValente,
IsidoroKZ
31 messaggi
• Pagina 1 di 4 • 1, 2, 3, 4
0
voti
[1] Generatore
ciao a tutti sono nuovo ed ho bisogno di un consiglio su un progetto di un generatore. la mia idea era di collegare un trasformatore da 220 V a 24 V, le uscite raddrizzate con un raddrizzatore rimediato con sopra montato una ventola collegata con resistenze alle uscite del raddrizzatore, le uscite verranno collegate inoltre a uno switch per scegliere se modificare il tensione o no, se si sceglie di modificarle avevo pensato di collegare 2 potenziometri per la regolazione e le uscite del potenziometro su un voltometro per controllare il tensione ed infine all'uscita vera e propria, se non si dovesse modificare andrebbe solo al voltometro e all'uscita. il mio problema riguardava i 2 potenziometri perché non intendendomene non so come collegarli ne che tipo usare. c'è qualcuno che può aiutarmi spiegandomi il tipo e i collegamenti da fare??? 
0
voti
[3] Re: generatore
ho cercato ma non ho trovato niente
ho fatto una prova con il tester e un potenziomentro da 32k e collegando il pin rosso al centro e il nero sul lato esterno esterno destro girando l'albero varia la resistenza devo collegarlo in questo modo??? ed è possibile metterli in serie???
ho fatto una prova con il tester e un potenziomentro da 32k e collegando il pin rosso al centro e il nero sul lato esterno esterno destro girando l'albero varia la resistenza devo collegarlo in questo modo??? ed è possibile metterli in serie???
0
voti
[4] Re: generatore
No, se fai come dici bruci il potenziometro. Ti devi fare un'idea di cosa vuol dire alimentatore, e poi alimentatore regolabile. Bisogna che approfondisci i termini ed i concetti di tensione, corrente, potenza. Poi visto che è disponibile qui sul sito ti consiglierei di utilizzare FidoCad così puoi postare i disegni di quello che vorresti fare e gli altri possono aiutarti meglio.
qualche link link a caso in cui si parla di alimentatori , dacci un'occhiata per cominciare a capire di cosa si tratta.
http://digilander.libero.it/nick47/vrg2.htm
http://inwaredizioni.wordpress.com/2011/04/20/alimentatore-stabilizzato-variabile-con-l200/
http://it.wikipedia.org/wiki/Alimentatore
spero ti sia utile.
edit :
chiaramente se ne è già parlato anche qui su EY
http://www.electroyou.it/phpBB2/viewtopic.php?f=1&t=28967
http://www.electroyou.it/marco438/wiki/alimentazione-dei-circuiti-sperimentali
qualche link link a caso in cui si parla di alimentatori , dacci un'occhiata per cominciare a capire di cosa si tratta.
http://digilander.libero.it/nick47/vrg2.htm
http://inwaredizioni.wordpress.com/2011/04/20/alimentatore-stabilizzato-variabile-con-l200/
http://it.wikipedia.org/wiki/Alimentatore
spero ti sia utile.
edit :
chiaramente se ne è già parlato anche qui su EY
http://www.electroyou.it/phpBB2/viewtopic.php?f=1&t=28967
http://www.electroyou.it/marco438/wiki/alimentazione-dei-circuiti-sperimentali
0
voti
[5] Re: generatore
Da quanto ho visto, hai le idee molto confuse e se insisti sulla tua idea non risolverai nulla di buono.
Ho visto che
Cox, tra le altre cose, ti ha indicato anche uno dei miei articoli del quale ti consiglio un'attenta lettura visto che, praticamente, ti porta per mano alla realizzazione di un alimentatore stabilizzato.
Se e quando non capisci qualcosa, chiedi.

Ho visto che
Se e quando non capisci qualcosa, chiedi.

marco
0
voti
[6] Re: generatore
ho letto ciò che avete postato è ho penso di aver capito. io quindi dovrei collegare i capi del tensione raddrizzati a un transistor per la regolazione sul collettore la base con il pin centrale un'estremo a massa e l'altro attraverso una seconda resistenza per sistemare il tensione sull'emettitore e quindi utilizzare i 2 poli appena trovati, giusto?
come si posta un disegno fcd?
come si posta un disegno fcd?
0
voti
[7] Re: generatore
Qui ci sono le indicazioni per FidoCad
http://www.electroyou.it/darwinne/wiki/fidocadj-e-electroyou
ed anche un bel manuale pdf
http://garr.dl.sourceforge.net/project/fidocadj/fidocadj_manual_it.pdf
Se lo scarichi e lo provi vedrai che è molto semplice da utilizzare, colgo l'occasione per fare i complimenti a chi lo ha reso possibile.
Che esperienze hai di elettronica ?
Di quali attrezzature disponi ?
Che scuola frequenti ?
Credo che se guardi bene qualcuno degli schemi che ti ho postato noterai che non sono sufficienti trasformatore, potenziometro e transistor per poter costruire un alimentatore variabile, hai a disposizione altri componenti elettronici ? Hai approfondito la lettura dell'ottimo articolo di
marco438 ?
http://www.electroyou.it/darwinne/wiki/fidocadj-e-electroyou
ed anche un bel manuale pdf
http://garr.dl.sourceforge.net/project/fidocadj/fidocadj_manual_it.pdf
Se lo scarichi e lo provi vedrai che è molto semplice da utilizzare, colgo l'occasione per fare i complimenti a chi lo ha reso possibile.
Che esperienze hai di elettronica ?
Di quali attrezzature disponi ?
Che scuola frequenti ?
Credo che se guardi bene qualcuno degli schemi che ti ho postato noterai che non sono sufficienti trasformatore, potenziometro e transistor per poter costruire un alimentatore variabile, hai a disposizione altri componenti elettronici ? Hai approfondito la lettura dell'ottimo articolo di
0
voti
[8] Re: generatore
Da quello che hai scritto, o non hai saputo spiegarti o non hai capito molto.
Forse e' meglio se posti uno schema, cosi' vedendo le tue idee le possiamo capire meglio.
Per quanto riguarda FidocadJ qui trovi tutte le informazioni del caso.
Forse e' meglio se posti uno schema, cosi' vedendo le tue idee le possiamo capire meglio.
Per quanto riguarda FidocadJ qui trovi tutte le informazioni del caso.
marco
1
voti
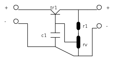
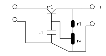
[10] Re: generatore
ho a disposizione tester ma se serve altro lo compro per quanto riguarda le conoscenze ho letto qualche libro e vado a un iti di modena lo schema che ho pensato è il seguente
(spero si veda)
(spero si veda)
31 messaggi
• Pagina 1 di 4 • 1, 2, 3, 4
Chi c’è in linea
Visitano il forum: Majestic-12 [Bot] e 164 ospiti

Elettrotecnica e non solo (admin)
Un gatto tra gli elettroni (IsidoroKZ)
Esperienza e simulazioni (g.schgor)
Moleskine di un idraulico (RenzoDF)
Il Blog di ElectroYou (webmaster)
Idee microcontrollate (TardoFreak)
PICcoli grandi PICMicro (Paolino)
Il blog elettrico di carloc (carloc)
DirtEYblooog (dirtydeeds)
Di tutto... un po' (jordan20)
AK47 (lillo)
Esperienze elettroniche (marco438)
Telecomunicazioni musicali (clavicordo)
Automazione ed Elettronica (gustavo)
Direttive per la sicurezza (ErnestoCappelletti)
EYnfo dall'Alaska (mir)
Apriamo il quadro! (attilio)
H7-25 (asdf)
Passione Elettrica (massimob)
Elettroni a spasso (guidob)
Bloguerra (guerra)




