ciao ragazzi devo fare questo esercizio:
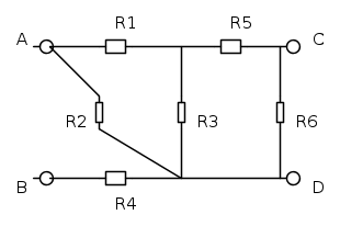
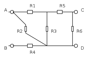
Calcolare la Req vista ai morsetti A-B e quella vista ai morsetti C-D.
sapendo che:
R1=R2=5
R3=10
R4=4
R5=3
R6=2
vista ai morsetti A-B che significa quale resistenza devo iniziare a considerare per prima?
rasistenze in parallelo e in serie
Moderatori:
carloc,
g.schgor,
BrunoValente,
IsidoroKZ
20 messaggi
• Pagina 1 di 2 • 1, 2
0
voti
0
voti
perche in Rcd R4 non viene considerata?
Ultima modifica di
admin il 22 feb 2012, 0:39, modificato 1 volta in totale.
Motivazione: Eliminata inutile citazione integrale del messaggio che precede. Esiste il pulsante Rispondi
Motivazione: Eliminata inutile citazione integrale del messaggio che precede. Esiste il pulsante Rispondi
1
voti
Prima di fare altre domande, rispondi a
RenzoDF.
E tieni presente che quando vuoi calcolare l'impedenza fra due morsetti devi immaginare di collegare a quei due morsetti un generatore di corrente e vedere quanta tensione salta fuori ai suoi capi. Il rapporto fra la tensione creata e la corrente del generatore e` l'impedenza che stai cercando. Poi in realta` molto spesso si riesce a fare il conto "ad occhio" cercando serie e paralleli, ma l'idea base e` quella di un generatore collegato alla rete, proprio come se fosse un multimetro, che per misurare le impedenze inietta una corrente nel circuito.
E tieni presente che quando vuoi calcolare l'impedenza fra due morsetti devi immaginare di collegare a quei due morsetti un generatore di corrente e vedere quanta tensione salta fuori ai suoi capi. Il rapporto fra la tensione creata e la corrente del generatore e` l'impedenza che stai cercando. Poi in realta` molto spesso si riesce a fare il conto "ad occhio" cercando serie e paralleli, ma l'idea base e` quella di un generatore collegato alla rete, proprio come se fosse un multimetro, che per misurare le impedenze inietta una corrente nel circuito.
Per usare proficuamente un simulatore, bisogna sapere molta più elettronica di lui
Plug it in - it works better!
Il 555 sta all'elettronica come Arduino all'informatica! (entrambi loro malgrado)
Se volete risposte rispondete a tutte le mie domande
Plug it in - it works better!
Il 555 sta all'elettronica come Arduino all'informatica! (entrambi loro malgrado)
Se volete risposte rispondete a tutte le mie domande
20 messaggi
• Pagina 1 di 2 • 1, 2
Chi c’è in linea
Visitano il forum: Nessuno e 269 ospiti

Elettrotecnica e non solo (admin)
Un gatto tra gli elettroni (IsidoroKZ)
Esperienza e simulazioni (g.schgor)
Moleskine di un idraulico (RenzoDF)
Il Blog di ElectroYou (webmaster)
Idee microcontrollate (TardoFreak)
PICcoli grandi PICMicro (Paolino)
Il blog elettrico di carloc (carloc)
DirtEYblooog (dirtydeeds)
Di tutto... un po' (jordan20)
AK47 (lillo)
Esperienze elettroniche (marco438)
Telecomunicazioni musicali (clavicordo)
Automazione ed Elettronica (gustavo)
Direttive per la sicurezza (ErnestoCappelletti)
EYnfo dall'Alaska (mir)
Apriamo il quadro! (attilio)
H7-25 (asdf)
Passione Elettrica (massimob)
Elettroni a spasso (guidob)
Bloguerra (guerra)








![\[\begin{array}{l}
{R_{AB}} = {R_4} + \left[ {{R_1} + \left( {{R_5} + {R_6}} \right)||{R_3}} \right]||{R_2}\\
{R_{CD}} = \left[ {\left( {{R_1} + {R_2}} \right)||{R_3} + {R_5}} \right]||{R_6}
\end{array}\] \[\begin{array}{l}
{R_{AB}} = {R_4} + \left[ {{R_1} + \left( {{R_5} + {R_6}} \right)||{R_3}} \right]||{R_2}\\
{R_{CD}} = \left[ {\left( {{R_1} + {R_2}} \right)||{R_3} + {R_5}} \right]||{R_6}
\end{array}\]](/forum/latexrender/pictures/4191303792fa439c7509a21095673b08.png)
