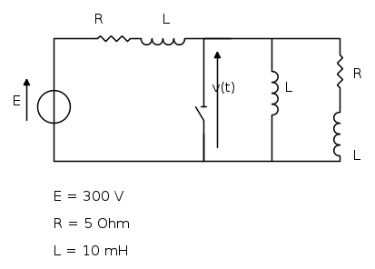
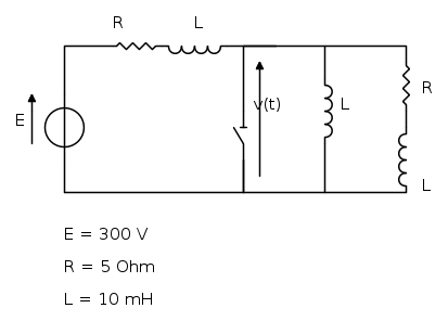
Buongiorno, qualcuno può spiegarmi come risolvere questo circuito col metodo di Laplace?
La rete è alimentata a tensione costante è a regime con l’interruttore chiuso. All’istante t=0 l’interruttore apre.
Mediante il metodo della trasformata di Laplace determinare l’andamento nel tempo per t≥0 della tensione v(t) sull’interruttore, compreso eventuale termine impulsivo.
Premetto che non ho idea di come iniziare con questo metodo e sul libro oltre a spiegare le proprietà della trasformata non ci sono esempi svolti.
Grazie.
Transitori con Laplace
Moderatori:
g.schgor,
IsidoroKZ
0
voti
Devi prima trovare le condizioni statiche (dopo il transitorio)
per t<0, e poi applicare queste come "condizioni iniziali" per
la nuova configurazione (quando t>0).
per t<0, e poi applicare queste come "condizioni iniziali" per
la nuova configurazione (quando t>0).
2
voti
Ora il primo L è "carico" (I=60A, tensione ai capi=0)
Quando si apre l'interruttore provoca una sovratensione
formidabile forzando parte della corrente negli altri 2
induttori che trova in serie, con 2 transitori diversi.
Infatti alla fine del transitorio tutta la corrente (60A),
scorrerà nel ramo con la sola L, mentre nell'altro
(con R in serie) la corrente iniziale tenderà a 0.
Quindi il problema principale è determinare come
la corrente che scorre nel primo induttore si ripartisce
fra gli altri 2 quando t>0.
Quando si apre l'interruttore provoca una sovratensione
formidabile forzando parte della corrente negli altri 2
induttori che trova in serie, con 2 transitori diversi.
Infatti alla fine del transitorio tutta la corrente (60A),
scorrerà nel ramo con la sola L, mentre nell'altro
(con R in serie) la corrente iniziale tenderà a 0.
Quindi il problema principale è determinare come
la corrente che scorre nel primo induttore si ripartisce
fra gli altri 2 quando t>0.
Torna a Elettrotecnica generale
Chi c’è in linea
Visitano il forum: Nessuno e 74 ospiti

Elettrotecnica e non solo (admin)
Un gatto tra gli elettroni (IsidoroKZ)
Esperienza e simulazioni (g.schgor)
Moleskine di un idraulico (RenzoDF)
Il Blog di ElectroYou (webmaster)
Idee microcontrollate (TardoFreak)
PICcoli grandi PICMicro (Paolino)
Il blog elettrico di carloc (carloc)
DirtEYblooog (dirtydeeds)
Di tutto... un po' (jordan20)
AK47 (lillo)
Esperienze elettroniche (marco438)
Telecomunicazioni musicali (clavicordo)
Automazione ed Elettronica (gustavo)
Direttive per la sicurezza (ErnestoCappelletti)
EYnfo dall'Alaska (mir)
Apriamo il quadro! (attilio)
H7-25 (asdf)
Passione Elettrica (massimob)
Elettroni a spasso (guidob)
Bloguerra (guerra)



