Questo riguarda l'impostazione delle equazioni.
Il metodo di Laplace fornisce uno strumento semplificato
per la loro soluzione.
Transitori con Laplace
Moderatori:
g.schgor,
IsidoroKZ
0
voti
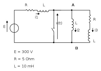
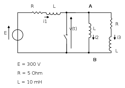
Ma a t>0 a me sembra che la tensione sull'interruttore sia sempre nulla
1
voti
Dove sono finiti gli induttori?
(è in quelli che si sviluppa il transitorio)
Quella è la situazione che si avrà solo
alla fine del transitorio stesso.
Sulla teoria di come di debbano ripartire
le correnti fra i 3 induttori all'apertura del contatto,
direi di chiedere lumi a
RenzoDF
(è in quelli che si sviluppa il transitorio)
Quella è la situazione che si avrà solo
alla fine del transitorio stesso.
Sulla teoria di come di debbano ripartire
le correnti fra i 3 induttori all'apertura del contatto,
direi di chiedere lumi a
1
voti
Per avere tutti la medesima notazione indichiamo le correnti dopo l'apertura dell'interruttore.
A questo punto prova a vedere cosa succede al circuito prima e dopo l'apertura dell'interruttore.
A questo punto prova a vedere cosa succede al circuito prima e dopo l'apertura dell'interruttore.
Ingegneria : alternativa intelligente alla droga.
-

dimaios
30,2k 7 10 12 - G.Master EY

- Messaggi: 3381
- Iscritto il: 24 ago 2010, 14:12
- Località: Behind the scenes
3
voti
Come giustamente ribadito da
g.schgor non è corretto in questo momento postare la soluzione altrimenti temo che non serva da un punto di vista didattico.
Comunque ti fornisco un suggerimento :
http://www.electroyou.it/wed_17/wiki/risoluzionecircuitoregimevariabile
Questo è il link ad un esercizio pubblicato circa 3 anni fa.
La risoluzione è fatta passo dopo passo con diverse tecniche.
Per l'impostazione delle equazioni differenziali con un pochino di pazienza leggi magari anche la soluzione degli esercizi 7,10,11 di questo documento:
http://www.elettrotecnica.unina.it/files/miano/upload/ESEtotal.pdf
Mentre per l'applicazione delle trasformate di Laplace nella risoluzione di circuiti elettrici in regime variabile dai un'occhiata a questo :
http://www.galileimirandola.it/elettro/QUARTA/TRANSI/INTRANSI.HTM
Penso che dovresti avere gli strumenti per cavartela.
Se non ci riesci vediamo di aiutarti.
Comunque ti fornisco un suggerimento :
http://www.electroyou.it/wed_17/wiki/risoluzionecircuitoregimevariabile
Questo è il link ad un esercizio pubblicato circa 3 anni fa.
La risoluzione è fatta passo dopo passo con diverse tecniche.
Per l'impostazione delle equazioni differenziali con un pochino di pazienza leggi magari anche la soluzione degli esercizi 7,10,11 di questo documento:
http://www.elettrotecnica.unina.it/files/miano/upload/ESEtotal.pdf
Mentre per l'applicazione delle trasformate di Laplace nella risoluzione di circuiti elettrici in regime variabile dai un'occhiata a questo :
http://www.galileimirandola.it/elettro/QUARTA/TRANSI/INTRANSI.HTM
Penso che dovresti avere gli strumenti per cavartela.
Se non ci riesci vediamo di aiutarti.
Ingegneria : alternativa intelligente alla droga.
-

dimaios
30,2k 7 10 12 - G.Master EY

- Messaggi: 3381
- Iscritto il: 24 ago 2010, 14:12
- Località: Behind the scenes
Torna a Elettrotecnica generale
Chi c’è in linea
Visitano il forum: Nessuno e 68 ospiti

Elettrotecnica e non solo (admin)
Un gatto tra gli elettroni (IsidoroKZ)
Esperienza e simulazioni (g.schgor)
Moleskine di un idraulico (RenzoDF)
Il Blog di ElectroYou (webmaster)
Idee microcontrollate (TardoFreak)
PICcoli grandi PICMicro (Paolino)
Il blog elettrico di carloc (carloc)
DirtEYblooog (dirtydeeds)
Di tutto... un po' (jordan20)
AK47 (lillo)
Esperienze elettroniche (marco438)
Telecomunicazioni musicali (clavicordo)
Automazione ed Elettronica (gustavo)
Direttive per la sicurezza (ErnestoCappelletti)
EYnfo dall'Alaska (mir)
Apriamo il quadro! (attilio)
H7-25 (asdf)
Passione Elettrica (massimob)
Elettroni a spasso (guidob)
Bloguerra (guerra)




