ho un po di confusione per quanto riguarda questi benedetti collegamenti. allora il collegamento in serie di ha quando i bipoli sono attraversati dalla stessa corrente. mentre sono in parallelo quando la tensione è uguale
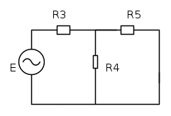
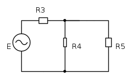
nel seguente esempio del libro mi dice che R5// R4 non dovrebbero essere in serie?
chiarimento tra collegamento in serie e parallello
Moderatori:
g.schgor,
IsidoroKZ
36 messaggi
• Pagina 1 di 4 • 1, 2, 3, 4
0
voti
Luky ha scritto:R4 e R5 sono in parallelo ed il parallelo delle 2 è in serie a R3
ma come faccio a capirlo?
0
voti
R4 ed R5 sono sottoposti alla stessa d.d.p. 
Emanuele Lorina
- Chi lotta contro i mostri deve fare attenzione a non diventare lui stesso un mostro. E se tu riguarderai a lungo in un abisso, anche l'abisso vorrà guardare dentro di te (F. Nietzsche)
- Tavole della legge by admin
- Chi lotta contro i mostri deve fare attenzione a non diventare lui stesso un mostro. E se tu riguarderai a lungo in un abisso, anche l'abisso vorrà guardare dentro di te (F. Nietzsche)
- Tavole della legge by admin
-

Lele_u_biddrazzu
8.154 3 8 13 - Master EY

- Messaggi: 1288
- Iscritto il: 23 gen 2007, 16:13
- Località: Modena
0
voti
0
voti
livrea ha scritto:[..]non dovrebbero essere in serie?[..]
Scrivi in modo dettagliato tutto il ragionamento che fai per stabilire che dovrebbero essere in serie
0
voti
Prova a immaginare i fili come dei nastri trasportatori e gli elettroni come i pacchi che ci sono sopra.
Se i nastri trasportatori si dividono(quindi se ce un nodo) i pacchi si separano e si dividono tra i 2 nastri, mentre la forza del nastro traspotratore rimane uguale.
La forza del nastro trasportatore sara la V(tensione), mentre i pacchi la I(corrente)
Petresti anche immagineare le resistenze come delle spazzole che cercano di frenare i pacchi.
Diminuiranno i pacchi che passano e la forza del nastro trasportatore.
Gli elettroni sono soggetti alle stesse leggi delle cose di tutti i giorni, è una questione di bilanciamento delle forze
Due spazzole sono in serie se passano lo stesso numero di scatole.
Due spazzole sono in parallelo se i nastri trasportatori A qui passano hanno la stessa forza
Correggetemi pure per migliorare questo esempio
E dire che ho 5,5 in elettrotecnica...
Se i nastri trasportatori si dividono(quindi se ce un nodo) i pacchi si separano e si dividono tra i 2 nastri, mentre la forza del nastro traspotratore rimane uguale.
La forza del nastro trasportatore sara la V(tensione), mentre i pacchi la I(corrente)
Petresti anche immagineare le resistenze come delle spazzole che cercano di frenare i pacchi.
Diminuiranno i pacchi che passano e la forza del nastro trasportatore.
Gli elettroni sono soggetti alle stesse leggi delle cose di tutti i giorni, è una questione di bilanciamento delle forze
Due spazzole sono in serie se passano lo stesso numero di scatole.
Due spazzole sono in parallelo se i nastri trasportatori A qui passano hanno la stessa forza
Correggetemi pure per migliorare questo esempio
E dire che ho 5,5 in elettrotecnica...
Ultima modifica di
elgardo il 23 feb 2012, 17:28, modificato 3 volte in totale.
0
voti
Da questa risposta che ti è stata servita prova a cercare altre configurazioni e ragionaci un po' su
⋮ƎlectroYou e ne sai di più!
0
voti
Ciao,praticamente il parallelo è quando le resistenze sono unite tra di loro per entrambi i loro due terminali (non importa che il "filo",la linea che li unisce,faccia un percorso lungo corto dritto storto o a spirale o puntiforme) la serie invece è quando sono messe in fila (in serie appunto) e quindi sono unite tra di loro solo per un terminale,una di seguito all'altra (per il percorso della linea vale sempre quanto sopra) e ciò dovrebbe essere la spiegazione per il "modello di rappresentazione grafica" che mi pareva ti sfuggisse credo,forse, anche a causa dell'enunciato ingannevole (nella "classica" definizione di serie e parallelo) in cui si confondono le cause con gli effetti
in realtà dovrebbe (potrebbe) essere : "applicando una differenza di potenziale ai capi di una rete di resistenze collegate in serie esse vengono attraversate dalla stessa corrente che provoca in esse una caduta di tensione proporzionale (legge di Ohm) alle loro singole resistenze (in pratica essendo obbligate a essere attraversate dalla stessa corrente non possono fare altro che dividersi proporzionalmente la ddp applicata) ; applicando una ddp ai capi di una rete di resistenze collegate in parallelo esse si trovano sottoposte alla stessa tensione e vengono attraversate da una corrente proporzionale (legge di Ohm) alle singole resistenze (in pratica essendo obbligate a sottostare alla stessa tensione non possono che dividersi proporzionalmente la corrente circolante) "...Azz! Certo che messa così è "lievemente" farraginoso!
Mi dispiace di non aver saputo fare di meglio e spero vivamente di avere chiarito qualcosa e non averti invece confuso di più le idee !
P.s. Scrivendo questo post mi sono reso conto della "comodità" della definizione "classica" magari anche per alcuni insegnanti (fortunatamente non tutti,spero pochi ma...ne ho conosciuti purtroppo ! ) che "spieghicchiano" basandosi sul libro di testo e poi chi capisce capisce e chi no...amen .

P.s. Scrivendo questo post mi sono reso conto della "comodità" della definizione "classica" magari anche per alcuni insegnanti (fortunatamente non tutti,spero pochi ma...ne ho conosciuti purtroppo ! ) che "spieghicchiano" basandosi sul libro di testo e poi chi capisce capisce e chi no...amen . 
-

claudiocedrone
21,3k 4 7 9 - Master EY

- Messaggi: 15302
- Iscritto il: 18 gen 2012, 13:36
1
voti
Beh, che dire, dopo i pacchi sui nastri trasportatori di
elgardo e lo smascheramento dell'enunciato ingannevole classico di serie e paralleli e l'altrettanto classica non considerazione della mia domanda[6] da parte di
livrea, direi che a questo punto dovrebbero essere dissipati i suoi dubbi.
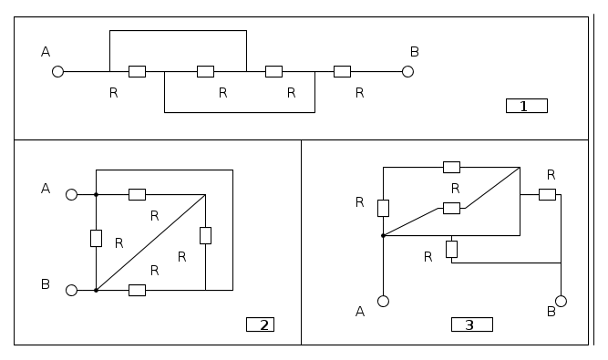
Ecco allora tre esercizietti in cui bisogna trovare la resistenza equivalente vista da A B applicando i concetti di serie e parallelo. Ricordo anche che il vero concetto di resistenza equivalente, che permette di non sbagliare mai è quello indicato da
IsidoroKZ qui consiglio, anche quello, regolarmente ignorato dallo stesso
livrea.
Perché la regola prima dell'attacco alla conquista del concetto di resistenza equivalente è ignorarne la definizione insieme alle successive e conseguenti di serie e parallelo, quindi mettersi a fare esercizi cercando paralleli e serie secondo una direttiva geometrico-emotiva tenuta segreta e mai apertamente dichiarata.
Ecco allora tre esercizietti in cui bisogna trovare la resistenza equivalente vista da A B applicando i concetti di serie e parallelo. Ricordo anche che il vero concetto di resistenza equivalente, che permette di non sbagliare mai è quello indicato da
Perché la regola prima dell'attacco alla conquista del concetto di resistenza equivalente è ignorarne la definizione insieme alle successive e conseguenti di serie e parallelo, quindi mettersi a fare esercizi cercando paralleli e serie secondo una direttiva geometrico-emotiva tenuta segreta e mai apertamente dichiarata.
36 messaggi
• Pagina 1 di 4 • 1, 2, 3, 4
Torna a Elettrotecnica generale
Chi c’è in linea
Visitano il forum: Nessuno e 41 ospiti

Elettrotecnica e non solo (admin)
Un gatto tra gli elettroni (IsidoroKZ)
Esperienza e simulazioni (g.schgor)
Moleskine di un idraulico (RenzoDF)
Il Blog di ElectroYou (webmaster)
Idee microcontrollate (TardoFreak)
PICcoli grandi PICMicro (Paolino)
Il blog elettrico di carloc (carloc)
DirtEYblooog (dirtydeeds)
Di tutto... un po' (jordan20)
AK47 (lillo)
Esperienze elettroniche (marco438)
Telecomunicazioni musicali (clavicordo)
Automazione ed Elettronica (gustavo)
Direttive per la sicurezza (ErnestoCappelletti)
EYnfo dall'Alaska (mir)
Apriamo il quadro! (attilio)
H7-25 (asdf)
Passione Elettrica (massimob)
Elettroni a spasso (guidob)
Bloguerra (guerra)










