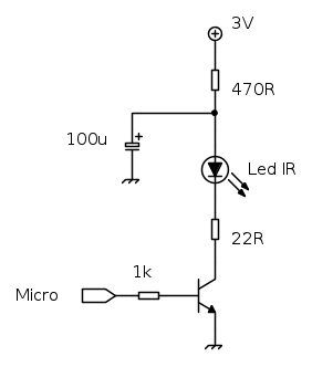
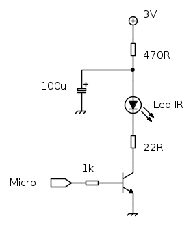
Visto che ho trovato il protocollo IR in rete, sto "progettando" un telecomando per fotocamere canon.
Ho fatto un disegnino, mi aiutate a correggerlo, dimensionarlo, eccetera?
Il micro farebbe questo lavoro:
- alla pressione del tasto esce dallo stato di sleep (tramite interrupt)
- fa "lampeggiare" a 38Khz il led per 16 volte
- si ferma per 7200uS
- fa "lampeggiare" a 38Khz il led per 16 volte
- se ne torna in sleep (per cui ferma l'esecuzione del programma)
I miei dubbi sono soprattutto sul transistior...
Innanzi tutto non so se così disengato funziona e come...
In realtà mi piacerebbe un sistema che indifferentemente dalla tensione di alimentazione faccia scorrere (diciamo) 60mA sul led, in modo che man mano che la cella si scarica il led si illumini sempre con la stessa intensità, in questo modo finché la cella è sopra la tensione di soglia del led (ipotizziamo 2V), il circuito funzionerebbe a dovere.
E dovrebbe anche avere consumi tendenti allo 0 "a riposo"
Esiste qualcosa del genere?
L'altro dubbio è sul condensatore di disaccoppiamento del micro, è necessario inserirlo anche se è alimentato a batteria?
E poi lo switch... L'anti-rimbalzo va bene fatto in quel modo, ovvero una resistenza (che farebbe anche da pull-up) e un condensatore? Come determino i valori di R e C?
La scelta del micro è data dal fatto che ho a casa un programmatore per AVR e che gcc è open source
Commenti, consigli, insulti, "va che se lo compri già fatto spendi meno" (lo so), ditemi voi!!

Elettrotecnica e non solo (admin)
Un gatto tra gli elettroni (IsidoroKZ)
Esperienza e simulazioni (g.schgor)
Moleskine di un idraulico (RenzoDF)
Il Blog di ElectroYou (webmaster)
Idee microcontrollate (TardoFreak)
PICcoli grandi PICMicro (Paolino)
Il blog elettrico di carloc (carloc)
DirtEYblooog (dirtydeeds)
Di tutto... un po' (jordan20)
AK47 (lillo)
Esperienze elettroniche (marco438)
Telecomunicazioni musicali (clavicordo)
Automazione ed Elettronica (gustavo)
Direttive per la sicurezza (ErnestoCappelletti)
EYnfo dall'Alaska (mir)
Apriamo il quadro! (attilio)
H7-25 (asdf)
Passione Elettrica (massimob)
Elettroni a spasso (guidob)
Bloguerra (guerra)














