Credo che lo scopo finale sia quello di ottenere in uscita
un impulso il più possibile "squadrato" e senza eventuali
"rimbalzi". Se credi, puoi modificarlo, ma allora sarebbe
bene controllarlo con un oscilloscopio.
Circa la frequenza dell'IR (come normalmente si usa)
in realtà non pare necessaria in questa applicazione.
Mi sembra di capire che basti alimentarlo per 15s
(durata della misura)
Consigli per sensore battiti cardiaci
Moderatori:
carloc,
g.schgor,
BrunoValente,
IsidoroKZ
16 messaggi
• Pagina 2 di 2 • 1, 2
0
voti
Si, mi inserisco solo brevemente visto anche l'argomento interessante. Non e' ben fatto vorrei premettere, la "frequenza" consiste proprio nell'accendere per 15 secondi il LED allo scopo di effettuare la misura.
IR_Tx = 1 da cio che capisco alimenta la base del BJT accendendo il LED.
Non sarebbe stato meglio mandare degli impulsi piu' robusti (maggiore I al LED) per diminuire il rumore (che deve essere elevato) della configurazione
IR_Tx = 1 da cio che capisco alimenta la base del BJT accendendo il LED.
- Codice: Seleziona tutto
void countpulse(){
IR_Tx = 1;
delay_debounce();
delay_debounce();
TMR0=0;
Delay_ms(15000); // Delay 15 Sec
IR_Tx = 0;
pulsecount = TMR0;
pulserate = pulsecount*4;
}
Non sarebbe stato meglio mandare degli impulsi piu' robusti (maggiore I al LED) per diminuire il rumore (che deve essere elevato) della configurazione
-

Lelettrico
2.458 1 4 6 - Master

- Messaggi: 1108
- Iscritto il: 13 set 2010, 12:24
0
voti
si infatti per quel che sono riuscito a tradurre... il piedino RA3 comanda il BJT per 15 secondi
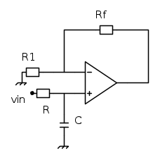
Quindi secondo te potrei provare a utilizzare uno schema di questo tipo per il filtri attivi
Quindi secondo te potrei provare a utilizzare uno schema di questo tipo per il filtri attivi
-

andreacircuit
125 1 9 - Frequentatore

- Messaggi: 110
- Iscritto il: 24 nov 2011, 20:55
0
voti
Non credo sia una buona cosa modificare così lo schema.
Bisognerebbe prima vedere (con oscilloscopio) l'esatta natura
degli impulsi provenienti dal fotodiodo (che forma e che ampiezze).
Bisognerebbe prima vedere (con oscilloscopio) l'esatta natura
degli impulsi provenienti dal fotodiodo (che forma e che ampiezze).
0
voti
ma quel condensatore da 100nf messo li? perché
?? non capisco avvolte queste cose...
In diversi libri ho trovato quel tipo di configurazione che ho postato ... ma non capisco perché allora parlino di filtro attivo... sembra un mix tra filtro attivo passa alto e uno passa basso...
?? non capisco avvolte queste cose...In diversi libri ho trovato quel tipo di configurazione che ho postato ... ma non capisco perché allora parlino di filtro attivo... sembra un mix tra filtro attivo passa alto e uno passa basso...
-

andreacircuit
125 1 9 - Frequentatore

- Messaggi: 110
- Iscritto il: 24 nov 2011, 20:55
16 messaggi
• Pagina 2 di 2 • 1, 2
Chi c’è in linea
Visitano il forum: Nessuno e 40 ospiti

Elettrotecnica e non solo (admin)
Un gatto tra gli elettroni (IsidoroKZ)
Esperienza e simulazioni (g.schgor)
Moleskine di un idraulico (RenzoDF)
Il Blog di ElectroYou (webmaster)
Idee microcontrollate (TardoFreak)
PICcoli grandi PICMicro (Paolino)
Il blog elettrico di carloc (carloc)
DirtEYblooog (dirtydeeds)
Di tutto... un po' (jordan20)
AK47 (lillo)
Esperienze elettroniche (marco438)
Telecomunicazioni musicali (clavicordo)
Automazione ed Elettronica (gustavo)
Direttive per la sicurezza (ErnestoCappelletti)
EYnfo dall'Alaska (mir)
Apriamo il quadro! (attilio)
H7-25 (asdf)
Passione Elettrica (massimob)
Elettroni a spasso (guidob)
Bloguerra (guerra)

