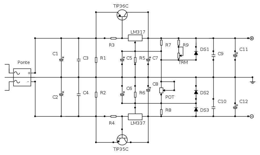
marco438 ha scritto:I due condensatori citati vanno collegati il primo (in alto), con il positivo al ramo positivo e con il negativo allo zero centrale; il secondo, con il positivo allo zero centrale ed il negativo al ramo negativo di alimentazione. Di conseguenza sono anche collegati tra loro (negativo del primo e positivo del secondo).
Negli schemi elettrici due fili che si intersecano si intendono collegati solo quando c'e' il punto di connessione.
P.S. In via sperimentale, per testare il circuito, i due condensatori possono anche essere omessi.
Il software hai saputo adoperarlo e anche bene ma, probabilmente a causa del tempo trascorso, hai dimenticato quanto ti avevo detto e che riporto.
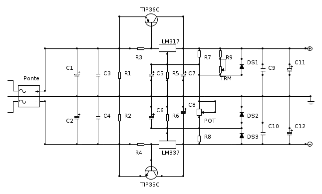
Molti dei collegamenti, stando a quanto a suo tempo ho scritto, sono sbagliati.
Poi c'e' un errore sostanziale nel collegamento dello zero centrale al ponte.
Vedi di correggere gli errori.

Elettrotecnica e non solo (admin)
Un gatto tra gli elettroni (IsidoroKZ)
Esperienza e simulazioni (g.schgor)
Moleskine di un idraulico (RenzoDF)
Il Blog di ElectroYou (webmaster)
Idee microcontrollate (TardoFreak)
PICcoli grandi PICMicro (Paolino)
Il blog elettrico di carloc (carloc)
DirtEYblooog (dirtydeeds)
Di tutto... un po' (jordan20)
AK47 (lillo)
Esperienze elettroniche (marco438)
Telecomunicazioni musicali (clavicordo)
Automazione ed Elettronica (gustavo)
Direttive per la sicurezza (ErnestoCappelletti)
EYnfo dall'Alaska (mir)
Apriamo il quadro! (attilio)
H7-25 (asdf)
Passione Elettrica (massimob)
Elettroni a spasso (guidob)
Bloguerra (guerra)





