Stavo cercando di realizzare un oscillatore di clapp (1Mhz-10Mhz) quando mi sono imbattuto in quest'application note:
Application Note 47 "High Speed Amplifier Techniques
A Designer’s Companion for Wideband Circuitry" della Linear Tecnology. (pag 49)
in cui viene mostrato questo "DC Tuned 1MHz-10MHz Wien Bridge Oscillator".
Un primo dubbio che mi viene è il seguente:
Su un testo,"corso di elettronica 3" di Giuseppe Spalierno , riguardo agli oscillatori a ponte di Wien
"gli oscillatori sinusoidali si dividono in oscillatori a bassa frequenza, che vanno da pochi Hz a diverse centinaia di kHz, e quelli in alta frequenza che lavorano a frequenze superiori...I primi sono costituiti, generalmente,da amplificatori a reazione positiva di tipo RC" poi aggiunge, " in essi, la frequenza di oscillazione è inversamente proporzionale alla costante di tempo, che non può essere molto piccola poiché C è limitata dal valore delle capacità parassite ed R è imposta dal valore massimo delle correnti di lavoro dell'amplificatore"
Queste motivazioni mi avevano fatto abbandonare una soluzione simile, pensando che nonostante l'utilizzo di un A.O adatto alle alte frequenze, non potessi comunque raggiungere le frequenze di lavoro che mi interessavano.
La prima domanda quindi sullo schema, che si ritrova nell'application note è:
Come è possibile raggiungere tali frequenze 1MHz-10MHz se la reazione è comunque una rete RC?
In che senso R è imposta dal valore massimo delle correnti di lavoro?
Il principio di funzionamento l'ho capito, ma ci sono anche altre cose che non riesco a capire, magari le esporrò in seguito...
un saluto a tutti
Comprensione circuito
Moderatori:
carloc,
g.schgor,
BrunoValente,
IsidoroKZ
7
voti
Ciao
darkweader, provo a risponderti.
La suddivisione tra oscillatori sinusoidali per bassa frequenza ed alta frequenza a cui fai riferimento mi sembra grosso modo corretta, anche se il confine non è ben definito e anche se nel tempo si sono resi disponibili componenti sempre più performanti alle frequenze alte.
Un tempo era impensabile amplificare a larga banda senza far uso di complicati circuiti di compensazione costituiti da induttanze e condensatori anche solo per superare qualche MHz, oggi, facendone a meno, si riescono anche a superare svariati GHz.
Tutto è ovviamente subordinato al livello di impedenza: sarebbe impensabile lavorare su una banda da 1 a 10Mhz con un livello di impedenza alto senza che le capacità parassite facciano sentire il loro effetto.
Con un livello di impedenza basso le cose vanno meglio ma, a parità di ampiezza delle tensioni dei segnali, le relative correnti sono più alte e gli amplificatori devono essere in grado di sostenerle senza saturare.
Nel caso del circuito si fa uso di un integrato adatto sia alle frequenze che alle correnti di lavoro.
Il ponte di Wien lavora con resistenze di 360 ohm e capacità dei varicap che vanno grosso modo da 400pF a 40pF ( 0-10V) e con questi valori orientativamente dovrebbe coprire il campo 1-10MHz. L'importante è che all'estremo alto della banda il valore di capacità sia ancora sufficientemente alto rispetto ai valori delle capacità parassite e per questo è stato scelto un valore di resistenza relativamente basso di 360 ohm, che è troppo basso come carico per i normali operazionali, per l'LT1006, che è in grado di erogare fino a 50mA, invece no.
Ovviamente la stabilità e il rumore di fase di un oscillatore RC a 10MHz sono sicuramente peggiori rispetto a quelli di un oscillatore LC dove il valore di frequenza va con la radice quadrata dei valori di L e di C.
Per contro, se occorre sweepare su una banda larga, gli oscillatori RC si prestano meglio.
Per la cronaca: ricordo di aver provato a costruire, tanti anni fa, un oscillatore a sfasamento per alta frequenza che lavorava molto bene fino a 200MHz, quando invece questa tipologia è normalmente relegata alla bassa frequenza.
Spero di esserti stato di aiuto.
La suddivisione tra oscillatori sinusoidali per bassa frequenza ed alta frequenza a cui fai riferimento mi sembra grosso modo corretta, anche se il confine non è ben definito e anche se nel tempo si sono resi disponibili componenti sempre più performanti alle frequenze alte.
Un tempo era impensabile amplificare a larga banda senza far uso di complicati circuiti di compensazione costituiti da induttanze e condensatori anche solo per superare qualche MHz, oggi, facendone a meno, si riescono anche a superare svariati GHz.
Tutto è ovviamente subordinato al livello di impedenza: sarebbe impensabile lavorare su una banda da 1 a 10Mhz con un livello di impedenza alto senza che le capacità parassite facciano sentire il loro effetto.
Con un livello di impedenza basso le cose vanno meglio ma, a parità di ampiezza delle tensioni dei segnali, le relative correnti sono più alte e gli amplificatori devono essere in grado di sostenerle senza saturare.
Nel caso del circuito si fa uso di un integrato adatto sia alle frequenze che alle correnti di lavoro.
Il ponte di Wien lavora con resistenze di 360 ohm e capacità dei varicap che vanno grosso modo da 400pF a 40pF ( 0-10V) e con questi valori orientativamente dovrebbe coprire il campo 1-10MHz. L'importante è che all'estremo alto della banda il valore di capacità sia ancora sufficientemente alto rispetto ai valori delle capacità parassite e per questo è stato scelto un valore di resistenza relativamente basso di 360 ohm, che è troppo basso come carico per i normali operazionali, per l'LT1006, che è in grado di erogare fino a 50mA, invece no.
Ovviamente la stabilità e il rumore di fase di un oscillatore RC a 10MHz sono sicuramente peggiori rispetto a quelli di un oscillatore LC dove il valore di frequenza va con la radice quadrata dei valori di L e di C.
Per contro, se occorre sweepare su una banda larga, gli oscillatori RC si prestano meglio.
Per la cronaca: ricordo di aver provato a costruire, tanti anni fa, un oscillatore a sfasamento per alta frequenza che lavorava molto bene fino a 200MHz, quando invece questa tipologia è normalmente relegata alla bassa frequenza.
Spero di esserti stato di aiuto.
-

BrunoValente
39,6k 7 11 13 - G.Master EY

- Messaggi: 7796
- Iscritto il: 8 mag 2007, 14:48
2
voti
Grazie spiegazione
è stata utilissima.
Dovendo giustficare la scelta dell'operazionale, e il dimensionamento dei componenti,
partendo da un oscillatore a ponte di wien con A.O (di base) "a componeti uguali" (mi pare che sia stata seguita questa linea nell'application note),
devo quindi dimensionare prima le R sulla reazione postitiva per limitare l'effetto delle capacità parassite, e successivamente calcolando la corrente scegliere un opportuno operazionale, oltre a sceglierlo in funzione del range di frequenza su cui bisogna "lavorare".
1) come faccio a determinare quali valori di R siano adeguati (analiticamente)? dovrei essere in grado di quantificare gli effetti parassiti, o vi sono dei valori "standard".
2)Per la corrente massima che deve essere sostenuta dall'oamp, come faccio a determinarla?
è stata utilissima.BrunoValente ha scritto:Tutto è ovviamente subordinato al livello di impedenza: sarebbe impensabile lavorare su una banda da 1 a 10Mhz con un livello di impedenza alto senza che le capacità parassite facciano sentire il loro effetto.
Con un livello di impedenza basso le cose vanno meglio ma, a parità di ampiezza delle tensioni dei segnali, le relative correnti sono più alte e gli amplificatori devono essere in grado di sostenerle senza saturare.
.
Dovendo giustficare la scelta dell'operazionale, e il dimensionamento dei componenti,
partendo da un oscillatore a ponte di wien con A.O (di base) "a componeti uguali" (mi pare che sia stata seguita questa linea nell'application note),
devo quindi dimensionare prima le R sulla reazione postitiva per limitare l'effetto delle capacità parassite, e successivamente calcolando la corrente scegliere un opportuno operazionale, oltre a sceglierlo in funzione del range di frequenza su cui bisogna "lavorare".
1) come faccio a determinare quali valori di R siano adeguati (analiticamente)? dovrei essere in grado di quantificare gli effetti parassiti, o vi sono dei valori "standard".
2)Per la corrente massima che deve essere sostenuta dall'oamp, come faccio a determinarla?
-

darkweader
61 2 7 - Frequentatore

- Messaggi: 271
- Iscritto il: 8 mag 2011, 17:32
3
voti
darkweader ha scritto:1) come faccio a determinare quali valori di R siano adeguati (analiticamente)? dovrei essere in grado di quantificare gli effetti parassiti, o vi sono dei valori "standard".
Non so quale sia la procedura standard e non credo si possa essere precisi visto che si ha a che fare con grandezze parassite, posso dirti come farei io (a braccia).
Considererei la capacità di ingresso dell'operazionale sommata a quella del cablaggio, il tutto potrebbe essere ragionevolmente stimato intorno a 1- 5pF e di conseguenza fisserei il valore minimo di C1 e C2 (che è quello relativo alla massima frequenza di oscillazione) ad un valore dieci volte maggiore, quindi dalle parti di 40-50pf.
Calcolerei poi il valore di R1 e R2 per la massima frequenza con quel valore di capacità.
Per avere il guadagno necessario, che è pari a 3, occorre che R3=2R2 e pure il loro valore dovrà essere basso per evitare rotazioni di fase per effetto della capacità parassita all'ingresso invertente, spesso sui datasheet degli operazionali per alte frequenze vengono consigliati i valori opportuni per una banda estesa e piatta.
Ovviamente poi occorrerà un controllo di guadagno per tenere il tutto in equilibrio intorno al guadagno 3 che è teorico, per avere in uscita un segnale con l'ampiezza desiderata.
darkweader ha scritto:2)Per la corrente massima che deve essere sostenuta dall'oamp, come faccio a determinarla?
Anche qui non mi preoccuperei di essere preciso, l'importante è superare una soglia di guardia al di sotto della quale l'operazionale non sarebbe più in grado di funzionare correttamente.
Allo scopo considererei le due resistenze del ponte semplicemente in serie, come se i condensatori non vi fossero, quindi l'operazionale vedrebbe dalla sua uscita (R1+R2)//(R3+R4)//Rc dove Rc è l'eventuale carico esterno che l'oscillatore dovrà alimentare. Con il valore di quel parallelo di resistenze e con l'ampiezza della tensione del segnale potrei poi calcolare il valore di corrente richiesto all'uscita dell'operazionale e cercherei di scegliere un componente capace di erogare una corrente superiore a quel valore.
-

BrunoValente
39,6k 7 11 13 - G.Master EY

- Messaggi: 7796
- Iscritto il: 8 mag 2007, 14:48
0
voti
Considerando di avere a disposizione una tensione variabile (per determinare la capacità dei varicap), nella configurazione dello schema, i varica avrebbero lo stesso valore di capacità?
A cosa serve il resistore da 100K secondo voi? ma sopratutto la capacità da 0.1uF?
Volendo avere una tensione di picco della sinusoide di 5 V anzichè 2V come indicato nello schema, secondo voi è una cosa fattibile ridimensionare "l'electronic amplitude stabilization loop"?
A cosa serve il resistore da 100K secondo voi? ma sopratutto la capacità da 0.1uF?
Volendo avere una tensione di picco della sinusoide di 5 V anzichè 2V come indicato nello schema, secondo voi è una cosa fattibile ridimensionare "l'electronic amplitude stabilization loop"?
-

darkweader
61 2 7 - Frequentatore

- Messaggi: 271
- Iscritto il: 8 mag 2011, 17:32
2
voti
darkweader ha scritto:Considerando di avere a disposizione una tensione variabile (per determinare la capacità dei varicap), nella configurazione dello schema, i varica avrebbero lo stesso valore di capacità?
Sì, se capisco bene la tua domanda.
darkweader ha scritto:A cosa serve il resistore da 100K secondo voi? ma sopratutto la capacità da 0.1uF?
Il resistore serve a polarizzare i varicap, cioè a portare la componente continua del catodo dei varicap al valore della tensione di comando: devi considerare che per la continua, proprio grazie alla presenza del condensatore da 0.1uF, il circuito è aperto e quindi sulla resistenza non vi è caduta di tensione.
Il valore della resistenza deve essere alto altrimenti, essendo per il segnale in parallelo alla resistenza da 360 ohm di sinistra nello schema, ne andrebbe ad alterare il valore.
Ricapitolando:
Il condensatore da 0.1uF serve ad aprire il circuito in continua per fare in modo che la componente continua della tensione sui catodi sia identica alla tensione di comando (0-10V) e deve avere un valore sufficientemente alto da essere un cortocircuito per l'alternata in modo da non alterare il circuito del ponte e questo deve essere vero già alla frequenza di lavoro più bassa: un condensatore da 0.1uF infatti ha una reattanza di 0.6 ohm alla frequenza di 1MHz.
La resistenza da 100k serve a trasferire sui catodi la tensione di comando (0-10V) e anch'essa deve avere un valore sufficientemente alto da non modificare il circuito del ponte con la sua presenza.
darkweader ha scritto:Volendo avere una tensione di picco della sinusoide di 5 V anzichè 2V come indicato nello schema, secondo voi è una cosa fattibile ridimensionare "l'electronic amplitude stabilization loop"?
Direi di sì
-

BrunoValente
39,6k 7 11 13 - G.Master EY

- Messaggi: 7796
- Iscritto il: 8 mag 2007, 14:48
0
voti
Considererei la capacità di ingresso dell'operazionale sommata a quella del cablaggio, il tutto potrebbe essere ragionevolmente stimato intorno a 1- 5pF
c'è qualche altra indicazione che potete darmi , per effettuare una stima del genere?
cercando di capire come viene dimensionato il resto del circuito...
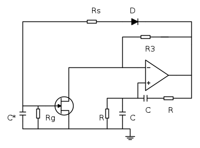
Condizioni da rispettare nel dimensionamento:
Affinche si inneschi l'oscillazione |T(jw)| ovvero il guadagno ad anello sia maggiore di 1, questa condizione dice essere rispettata quando:
(relativo al circuito precedente e non l'ultimo postato)in questo modo però, l'ampiezza del segnale d'uscita tende ad aumentare, fino a saturare al valore di alimentazione dell'A.O
{non so inoltre come determinare l'alimentazione dell'A.O. se in modo duale o singolo(es+Voh -Voh oppure +Voh e GND) e a che tensione, avevo pensato che, volendo riuscire ad avere una tensione di picco della sinusoide a 5V sarebbe stato meglio alimentare l'oamp ad una tensione maggiore per non essere "al limite"}
La soluzione sarebbe quella di utilizzare un Jfet, sfruttando la sua resistenza di canale al posto di R4,
per piccoli valori di
il JFet si comporta come una resistenza variabile,siccome non conosco molto bene il funzionamento del JFet, pensando al mosfet mi verrebbe da dire che il transistor deve essere in regione triodo, o semplicemente basta che sia polarizzato in modo da essere acceso?
La resistenza di canale di un Fet è:

sapendo che Vp è la tensione di pich-off e Rdso è la resistenza di canale per Vgs=0
Se Vgs varia tra 0 e Vp allora Rds varia tra Rds0 e infinito.
1) a cosa è dovuta la diversa configurazione delle resistenze di polarizzazione del transistor nell'application note, a differenza dello schema che ho postato io?
2) devo continuare a ragionare considerando Rds=R4? quindi R3>2R4
sempre dal testo "Elettronica 3"
L'uscita dell'oscillatore, viene raddrizzata dal diodo che fa "passare" solo la semionda negativa, e livellata dal filtro RgC*;
Vgs sarà negativa e proporzionale alla tensione Vout, se quest'ultima aumenta Vgs aumenta negativamente provocando un aumento della resistenza di canale.
Ora le mie considerazioni:
io pensavo invece che fosse solo il condensatore a livellare la tensione, mentre Rg fosse la resistenza di gate e servisse in qualche modo a polarizzare il transistor;--->3) in chemodo dimensionare quindi Rg?
Devo imporre che la Vgs non aumenti oltre il valore di Vp? altrimenti si avrebbe una Rds negativa, con non so quali possibili conseguenze.
E quindi essendo Vgs proporzionale alla Vout, limito in questo modo anche la possibile tensione di picco da poter avere in uscita?
Non capisco poi la funzione di Rs.
In Fine quali possibili spiegazioni può avere la diversa configurazione delle resistenze sul gate de jfet nell'application note, oltre l'assenza del condensatore?
Sto cercando partendo da i classici circuiti che vengono spiegati sui libri di testo, di risalire al dimensionamento del circuito nell'application note.
A cosa servono ad esempio i due diodi in conf "mount close", penso che la porzione della retroazione positiva
che comprende: -5V, il diodo zener, 8K e 1K servano solamente ad avere sul catodo del diodo una determinata tensione, che forse per motivi commerciali, o di componenti non si potrebbe avere praticamente, un po' come la porzione di circuito che serve a polarizzare i varicap, sto sbagliando?
-

darkweader
61 2 7 - Frequentatore

- Messaggi: 271
- Iscritto il: 8 mag 2011, 17:32
6
voti
darkweader ha scritto:Volendo avere una tensione di picco della sinusoide di 5 V anzichè 2V come indicato nello schema, secondo voi è una cosa fattibile ridimensionare "l'electronic amplitude stabilization loop"?
E` possibile, ma eviterei. A parte possibili distorsioni che aumentano con l'ampiezza anche senza interessare la limitazione di slew rate, mi sembra che la tensione di uscita vada a sovrapporsi alla tensione continua sui varicap modulandone la capacita` e aumentando la distorsione della tensione di uscita.
Per usare proficuamente un simulatore, bisogna sapere molta più elettronica di lui
Plug it in - it works better!
Il 555 sta all'elettronica come Arduino all'informatica! (entrambi loro malgrado)
Se volete risposte rispondete a tutte le mie domande
Plug it in - it works better!
Il 555 sta all'elettronica come Arduino all'informatica! (entrambi loro malgrado)
Se volete risposte rispondete a tutte le mie domande
0
voti
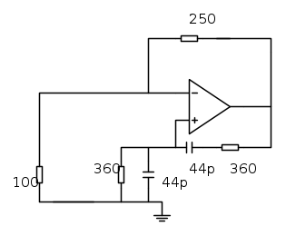
Ho provato a rendere più ideale possibile lo schema dell'application note, ovvero:
Invece di utilizzare i varicap sono andato a sostituire direttamente le capacità
Ho eliminato il circuito di stabilizzazione dell'ampiezza, e utilizzato la resistenza R4 anzichè il Jfet.
Dalle considerazioni che sono state fatte da
BrunoValente
Cmin=44pF
R=360 Ohm
utilizzando la resistenza R3=250 Ohm presente nell'application note, supponendo che sia un circuito funzionante e testato, ho determinato quindi R4=100 ohm

ed utilizzando l'A.O indicato nell'application note
simulando il circuito però, ho avuto dei risultati che non mi aspettavo
Ho alimentato inizialmente l'operazionale a VC1=+5V VC2=-5V
successivamente ho aumentato a 6V, questo perché nel primo caso, come mi aspettavo l'ampiezza dell'oscillazione era circa 4V, mentre successivamente raggiunge i 5V.
Tuttavia:
1)La frequenza di oscillazione che con tali valori dovrebbe essere 10MHz è invece inferiore
2)L'escursione positiva, e negativa della sinusoide è Asimmetrica, il picco negativo è maggiore rispetto a quello positivo
3)Non vi è il fenomeno che invece mi aspettavo, ed il motivo per cui dovrebbe essere inserito il circuito per mantenere costante il guadagno ed evitare che la Vout saturi, anche perché dalla simulazione mi sembra che non vi sia saturazione.
Qualche considerazione in merito a questi risultati?
Invece di utilizzare i varicap sono andato a sostituire direttamente le capacità
Ho eliminato il circuito di stabilizzazione dell'ampiezza, e utilizzato la resistenza R4 anzichè il Jfet.
Dalle considerazioni che sono state fatte da
Cmin=44pF
R=360 Ohm
utilizzando la resistenza R3=250 Ohm presente nell'application note, supponendo che sia un circuito funzionante e testato, ho determinato quindi R4=100 ohm

ed utilizzando l'A.O indicato nell'application note
simulando il circuito però, ho avuto dei risultati che non mi aspettavo
Ho alimentato inizialmente l'operazionale a VC1=+5V VC2=-5V
successivamente ho aumentato a 6V, questo perché nel primo caso, come mi aspettavo l'ampiezza dell'oscillazione era circa 4V, mentre successivamente raggiunge i 5V.
Tuttavia:
1)La frequenza di oscillazione che con tali valori dovrebbe essere 10MHz è invece inferiore
2)L'escursione positiva, e negativa della sinusoide è Asimmetrica, il picco negativo è maggiore rispetto a quello positivo
3)Non vi è il fenomeno che invece mi aspettavo, ed il motivo per cui dovrebbe essere inserito il circuito per mantenere costante il guadagno ed evitare che la Vout saturi, anche perché dalla simulazione mi sembra che non vi sia saturazione.
Qualche considerazione in merito a questi risultati?
Ultima modifica di
simo85 il 19 mar 2012, 6:43, modificato 1 volta in totale.
Motivazione: Inserite immagini in linea con il testo.
Motivazione: Inserite immagini in linea con il testo.
-

darkweader
61 2 7 - Frequentatore

- Messaggi: 271
- Iscritto il: 8 mag 2011, 17:32
0
voti
a questo punto eviterei anche quel circuito abbastanza complesso, cercandolo di sostituire con quello più semplice (il secondo) che ho postato con fidocaj dici sia una cosa fattibile e funzionale?
tanto a me non interessa avere 2Vp-p in uscita anzi, dovrei anche giustificare il motivo di una cosa che non mi viene richiesta.
Solo che non avendo capito a pieno il funzionamento del circuito di "stabilizzazione" cosi come è stato progettato, non saprei se ha altre Funzionalità che ora come ora non scorgo.
Ho una domanda che potrebbe sembrarti stupida, se come dici tu, la Vout andrebbe a modificare la polarizzazione dei varicap, può essere che la Vout è stata impostata a 2Vp-p, al fine di avere i due varicap con uguale capacità?
Nel senso che se ad asempio si avesse una corrente di circa 5mA , attraverso la resistenza da 360 Ohm , si avrebbe una caduta di potenziale di circa 2V, in questo modo l'anodo di entrambi i varicap sarebbe a 0V.
Se cosi non fosse, comunque assumendo che la Vout assume tutti i valori di tensione tra Vmin e Vmax, ciò non significherebbe che i due Varicap non possono "rappresentare" la stessa capacità?
-

darkweader
61 2 7 - Frequentatore

- Messaggi: 271
- Iscritto il: 8 mag 2011, 17:32
Chi c’è in linea
Visitano il forum: Nessuno e 151 ospiti

Elettrotecnica e non solo (admin)
Un gatto tra gli elettroni (IsidoroKZ)
Esperienza e simulazioni (g.schgor)
Moleskine di un idraulico (RenzoDF)
Il Blog di ElectroYou (webmaster)
Idee microcontrollate (TardoFreak)
PICcoli grandi PICMicro (Paolino)
Il blog elettrico di carloc (carloc)
DirtEYblooog (dirtydeeds)
Di tutto... un po' (jordan20)
AK47 (lillo)
Esperienze elettroniche (marco438)
Telecomunicazioni musicali (clavicordo)
Automazione ed Elettronica (gustavo)
Direttive per la sicurezza (ErnestoCappelletti)
EYnfo dall'Alaska (mir)
Apriamo il quadro! (attilio)
H7-25 (asdf)
Passione Elettrica (massimob)
Elettroni a spasso (guidob)
Bloguerra (guerra)


