Cos'è ElectroYou | Login Iscriviti

ElectroYou - la comunità dei professionisti del mondo elettrico

Caricabatteria autocostruito per Ni-Cd/Ni-MH

Elettronica lineare e digitale: didattica ed applicazioni

Moderatori: Foto Utentecarloc, Foto Utenteg.schgor, Foto UtenteBrunoValente, Foto UtenteIsidoroKZ

5
voti

[1] Caricabatteria autocostruito per Ni-Cd/Ni-MH

Messaggioda Foto Utentevinscordium » 18 mar 2012, 0:26

Salve a tutti,

di recente un amico mi ha regalato un caricabatterie auto costruito, secondo me non funzionante.
Il caricabatterie era destinato ad alimentare un pacco batterie di 8 elementi Ni-Cd per un radiocomando di un aeromodello (era del nonno).
Come tensione di uscita, mi sarei aspettato di misurare un valore di poco superiore a 9.6 Vdc, mentre invece ottengo circa 22 Vdc a vuoto e circa 21 Vdc quando collego il caricabatterie ad un pacco batterie (8 elementi) Ni-MH (le Ni-Cd ormai non se ne trovano più in commercio).

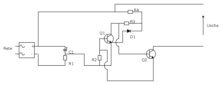
Allego lo schema elettrico che pian pianino ho ricavato dal circuito stampato :



I componenti sono :

R1 = 18  \Omega
R2 = 12  \Omega
R3 = 10  k \Omega
R4 = 550  \Omega
C1 = 470  \mu F  25V
Q1 = BC107B
Q2 = AC181KV
Trasformatore da 10 VA con secondario da 19.2 volt

I datasheet dei due transistor :
BC107B : http://www.datasheetcatalog.org/datashe ... BC109B.pdf
AC181KV : http://www.alldatasheet.com/datasheet-p ... C181K.html

Potreste gentilmente aiutarmi a comprendere il funzionamento del circuito e laddove possibile a migliorarne le prestazioni in termini di corrente di carica del pacco batterie da 8 elementi Ni-MH ed ovviamente in termini di tensione d'uscita?

Allego anche due foto del circuito stampato :

Immagine
Immagine

Grazie mille,

Vins
Avatar utente
Foto Utentevinscordium
45 4
New entry
New entry
 
Messaggi: 51
Iscritto il: 22 feb 2011, 22:31

0
voti

[2] Re: Caricabatteria autocostruito per Ni-Cd/Ni-MH

Messaggioda Foto UtenteIsidoroKZ » 18 mar 2012, 4:28

Sei proprio sicuro sicuro che il circuito sia corretto? Ad esempio sono un po' perplesso su R1 (e anche su altri componenti :-) )

In ogni caso se sul pacco batterie ci sono 21V il pacco batterie e` molto guasto!
Per usare proficuamente un simulatore, bisogna sapere molta più elettronica di lui
Plug it in - it works better!
Il 555 sta all'elettronica come Arduino all'informatica! (entrambi loro malgrado)
Se volete risposte rispondete a tutte le mie domande
Avatar utente
Foto UtenteIsidoroKZ
121,2k 1 3 8
G.Master EY
G.Master EY
 
Messaggi: 21059
Iscritto il: 17 ott 2009, 0:00

0
voti

[3] Re: Caricabatteria autocostruito per Ni-Cd/Ni-MH

Messaggioda Foto Utentedonciccio » 18 mar 2012, 11:05

se è un caricabatterie per ni-cd,di sicuro deve essere a corrente costante,quindi si giustifica una tensione alta;ricontrolla il circuito e disponi meglio i componenti sul disegno poiche cosi si capisce poco
Avatar utente
Foto Utentedonciccio
574 2 6 7
Sostenitore
Sostenitore
 
Messaggi: 857
Iscritto il: 15 ago 2010, 10:43

0
voti

[4] Re: Caricabatteria autocostruito per Ni-Cd/Ni-MH

Messaggioda Foto Utentevinscordium » 18 mar 2012, 11:20

Buongiorno a tutti e grazie per esservi interessati al problema,

ho ricontrollato il circuito e credo sia corretto, allego una foto che ho pasticciato con Paint di Windows in modo da evidenziare i vari componenti. I valori delle resistenze li ho misurati nuovamente e sono quelli indicati.
Spero di aver ben interpretato i datasheet dei due transistor per la piedinatura.

Poco fa mosso da curiosità ho aperto i due pacchi batterie del mio amico (entrambi avvolti da nastro isolante...il primo con batterie Ni-Cd, il secondo con batterie Ni-MH) ed ho scoperto che molte erano piene di acido...quindi come ha scritto Isidoro, le batterie sono andate (sia le Ni-Cd che le Ni-MH).
Ma a vuoto, ai capi dei morsetti d'uscita del caricabatteria leggo sempre una tensione superiore ai 20 Vdc che stando a quanto scrive Donciccio dovrebbe essere corretta visto che originariamente il caricabatterie era destinato alle Ni-Cd e non alle Ni-MH.
Come mai per le batterie Ni-Cd il generatore deve erogare una corrente costante?
In pratica quello che ho in mano è un generatore di corrente costante, che a seconda del carico varia la tensione d'uscita?

Immagine
Avatar utente
Foto Utentevinscordium
45 4
New entry
New entry
 
Messaggi: 51
Iscritto il: 22 feb 2011, 22:31

0
voti

[5] Re: Caricabatteria autocostruito per Ni-Cd/Ni-MH

Messaggioda Foto Utentedonciccio » 18 mar 2012, 11:58

scusami se prima non l'ho specificato ma anche le ni-metal idrato richiedono una corrente costante
Avatar utente
Foto Utentedonciccio
574 2 6 7
Sostenitore
Sostenitore
 
Messaggi: 857
Iscritto il: 15 ago 2010, 10:43

3
voti

[6] Re: Caricabatteria autocostruito per Ni-Cd/Ni-MH

Messaggioda Foto UtenteIsidoroKZ » 18 mar 2012, 15:49

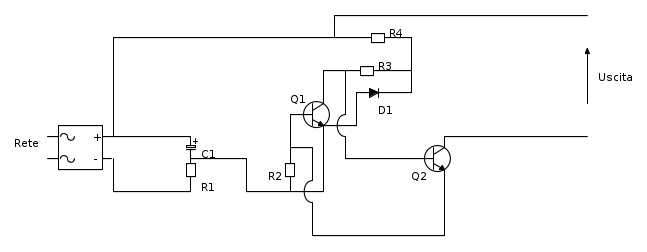
Forse lo schema disegnato cosi` e` un po' piu` comprensibile:



Il circuito e` un generatore di corrente costante da 50mA circa, e ricarica in 14 ore (sempre circa) un pacco batterie da 500mAh.
Per usare proficuamente un simulatore, bisogna sapere molta più elettronica di lui
Plug it in - it works better!
Il 555 sta all'elettronica come Arduino all'informatica! (entrambi loro malgrado)
Se volete risposte rispondete a tutte le mie domande
Avatar utente
Foto UtenteIsidoroKZ
121,2k 1 3 8
G.Master EY
G.Master EY
 
Messaggi: 21059
Iscritto il: 17 ott 2009, 0:00

0
voti

[7] Re: Caricabatteria autocostruito per Ni-Cd/Ni-MH

Messaggioda Foto Utentevinscordium » 18 mar 2012, 21:41

Ciao Isidoro,

come hai fatto a ricavare il valore della corrente di uscita? ma sopratutto, come hai fatto a ricavare che essa sia costante?

Ragionando sul circuito le uniche cose che per ora mi vengono in mente sono :

-) il diodo D1 è sempre spento , ma se così fosse non capisco perché è stato inserito nel circuito
-) Il transistore Q1 ha una tensione Vbe molto prossima a zero perché tra la sua base e l'emettitore c'è una resistenza di 12 Ohm molto piccola...quasi un corto...insieme al diodo D1 costituiscono una protezione da inversione di polarità?
-) Le due resistenze R3 ed R4, se D1 non conduce, possono essere assunte in serie. Se calcolassi la corrente di base di Q1 otterrei la corrente di collettore (conoscendo il beta di Q2)...ma come calcolo la corrente di base di Q2?
-) Il transistore Q2 è in conduzione ma non capisco in che regione (saturazione o regione attiva?)

Vins
Avatar utente
Foto Utentevinscordium
45 4
New entry
New entry
 
Messaggi: 51
Iscritto il: 22 feb 2011, 22:31

2
voti

[8] Re: Caricabatteria autocostruito per Ni-Cd/Ni-MH

Messaggioda Foto UtenteIsidoroKZ » 19 mar 2012, 7:07

D1 lascia un po' perplesso anche me, credo sia una protezione contro il collegamento a rovescio delle batterie.

Q1 ha una tensione base-emettitore data dalla corrente di uscita moltiplicata per 12ohm. Se la corrente e` di 50mA, la tensione VBE di Q1 diventa di 600mV circa e il transistore Q1 si accende rubando corrente al transistore Q2 e limitando la corrente.

Per lavorare come generatore corrente, Q2 deve essere in zona attiva.
Per usare proficuamente un simulatore, bisogna sapere molta più elettronica di lui
Plug it in - it works better!
Il 555 sta all'elettronica come Arduino all'informatica! (entrambi loro malgrado)
Se volete risposte rispondete a tutte le mie domande
Avatar utente
Foto UtenteIsidoroKZ
121,2k 1 3 8
G.Master EY
G.Master EY
 
Messaggi: 21059
Iscritto il: 17 ott 2009, 0:00

0
voti

[9] Re: Caricabatteria autocostruito per Ni-Cd/Ni-MH

Messaggioda Foto Utentevinscordium » 24 mar 2012, 15:37

Ciao Isidoro,

scusa se rispondo soltanto adesso, ma purtroppo posso dedicarmi a questa passione solo nel fine settimana :cry: !

Qualora volessi raddoppiare la corrente d' uscita e quindi portarla a 100 mA, dovrei fare in modo di "ritardare" l'accensione di Q1 il quale se ho ben capito è il componente che drena corrente da Q2?.

E' corretto dire che per 100 mA di corrente di uscita la resistenza R2 deve essere ridotta a 6 \Omega in modo che con 100 mA la Vbe di Q1 sia pari a 600mV ?

Chiedo questo, perché vorrei dimezzare il tempo di ricarica del pacco batterie Ni-MH da 9.6 Vdc.

Grazie,

Vins
Avatar utente
Foto Utentevinscordium
45 4
New entry
New entry
 
Messaggi: 51
Iscritto il: 22 feb 2011, 22:31

0
voti

[10] Re: Caricabatteria autocostruito per Ni-Cd/Ni-MH

Messaggioda Foto UtenteIsidoroKZ » 24 mar 2012, 19:48

Si` e` giusto. Poi bisogna verificare che tutti gli altri componenti riescano a lavorare con 100mA.
Per usare proficuamente un simulatore, bisogna sapere molta più elettronica di lui
Plug it in - it works better!
Il 555 sta all'elettronica come Arduino all'informatica! (entrambi loro malgrado)
Se volete risposte rispondete a tutte le mie domande
Avatar utente
Foto UtenteIsidoroKZ
121,2k 1 3 8
G.Master EY
G.Master EY
 
Messaggi: 21059
Iscritto il: 17 ott 2009, 0:00

Prossimo

Torna a Elettronica generale

Chi c’è in linea

Visitano il forum: Nessuno e 100 ospiti