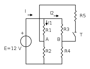
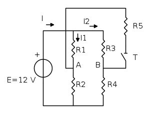
ho messo la foto del esercizio come allegato...
Esercizio Thevenin
Moderatori:
g.schgor,
IsidoroKZ
17 messaggi
• Pagina 1 di 2 • 1, 2
0
voti
Ragazzi Aiutatemi a fare questo esercizio per favore, devo recuperare il debito in elettrotecnica.... 
ho messo la foto del esercizio come allegato...
ho messo la foto del esercizio come allegato...
-

AndreyXxX94
0 2 - Messaggi: 7
- Iscritto il: 18 mar 2012, 16:16
0
voti
Tu come procederesti?
Il Conte di Montecristo
Se non studio un giorno, me ne accorgo io. Se non studio due giorni, se ne accorge il pubblico.
Io devo studiare sodo e preparare me stesso perché prima o poi verrà il mio momento.
Abraham Lincoln
Se non studio un giorno, me ne accorgo io. Se non studio due giorni, se ne accorge il pubblico.
Io devo studiare sodo e preparare me stesso perché prima o poi verrà il mio momento.
Abraham Lincoln
-

EdmondDantes
11,9k 8 11 13 - Disattivato su sua richiesta
- Messaggi: 3619
- Iscritto il: 25 lug 2009, 22:18
- Località: Marsiglia
0
voti
intanto non capisco se le resistenze r1 r2 r3 r4 sono in serie o in parallelo....
-

AndreyXxX94
0 2 - Messaggi: 7
- Iscritto il: 18 mar 2012, 16:16
0
voti
Intanto, utilizzando FidoCadJ, disegna la rete che utilizzeresti per calcolare la resistenza equivalente.
Il Conte di Montecristo
Se non studio un giorno, me ne accorgo io. Se non studio due giorni, se ne accorge il pubblico.
Io devo studiare sodo e preparare me stesso perché prima o poi verrà il mio momento.
Abraham Lincoln
Se non studio un giorno, me ne accorgo io. Se non studio due giorni, se ne accorge il pubblico.
Io devo studiare sodo e preparare me stesso perché prima o poi verrà il mio momento.
Abraham Lincoln
-

EdmondDantes
11,9k 8 11 13 - Disattivato su sua richiesta
- Messaggi: 3619
- Iscritto il: 25 lug 2009, 22:18
- Località: Marsiglia
0
voti
adesso provo ma comunque nn potresti dirmi almeno se sono in serie o in parallelo?
-

AndreyXxX94
0 2 - Messaggi: 7
- Iscritto il: 18 mar 2012, 16:16
0
voti
Se non vedo la rete come faccio a dirtelo, non sono un mago.
Il Conte di Montecristo
Se non studio un giorno, me ne accorgo io. Se non studio due giorni, se ne accorge il pubblico.
Io devo studiare sodo e preparare me stesso perché prima o poi verrà il mio momento.
Abraham Lincoln
Se non studio un giorno, me ne accorgo io. Se non studio due giorni, se ne accorge il pubblico.
Io devo studiare sodo e preparare me stesso perché prima o poi verrà il mio momento.
Abraham Lincoln
-

EdmondDantes
11,9k 8 11 13 - Disattivato su sua richiesta
- Messaggi: 3619
- Iscritto il: 25 lug 2009, 22:18
- Località: Marsiglia
0
voti
Ho cancellato il tuo ultimo messaggio. Non ho visto cosa c'era nel link esterno. Devi usare FidoCadJ per i disegni, non mi va di ritrovarmi il PC pieno di spazzatura.
Ecco il disegno
ora disegna la rete che useresti per calcolare la resistenza equivalente.
Ecco il disegno
ora disegna la rete che useresti per calcolare la resistenza equivalente.
Il Conte di Montecristo
Se non studio un giorno, me ne accorgo io. Se non studio due giorni, se ne accorge il pubblico.
Io devo studiare sodo e preparare me stesso perché prima o poi verrà il mio momento.
Abraham Lincoln
Se non studio un giorno, me ne accorgo io. Se non studio due giorni, se ne accorge il pubblico.
Io devo studiare sodo e preparare me stesso perché prima o poi verrà il mio momento.
Abraham Lincoln
-

EdmondDantes
11,9k 8 11 13 - Disattivato su sua richiesta
- Messaggi: 3619
- Iscritto il: 25 lug 2009, 22:18
- Località: Marsiglia
0
voti
ok allora adesso volevo capire se r1 r2 r3 r4 sono in parallelo o in serie... mi aiuti a risolvere per favore...
-

AndreyXxX94
0 2 - Messaggi: 7
- Iscritto il: 18 mar 2012, 16:16
0
voti
E io ti ripeto per la terza volta: mi disegni la rete che useresti per calcolare la resistenza equivalente?
Non sono tanto bravo e se non vedo il disegno non riesco a capirlo, quindi... tu aiuta me e io aiuterò te.
Non sono tanto bravo e se non vedo il disegno non riesco a capirlo, quindi... tu aiuta me e io aiuterò te.
Il Conte di Montecristo
Se non studio un giorno, me ne accorgo io. Se non studio due giorni, se ne accorge il pubblico.
Io devo studiare sodo e preparare me stesso perché prima o poi verrà il mio momento.
Abraham Lincoln
Se non studio un giorno, me ne accorgo io. Se non studio due giorni, se ne accorge il pubblico.
Io devo studiare sodo e preparare me stesso perché prima o poi verrà il mio momento.
Abraham Lincoln
-

EdmondDantes
11,9k 8 11 13 - Disattivato su sua richiesta
- Messaggi: 3619
- Iscritto il: 25 lug 2009, 22:18
- Località: Marsiglia
0
voti
Se chiedo aiuto qui vuol dire che nn so come fare sto esercizio... vorrei che qualcuno mi aiutasse... tipo che mi spieghi passo per passo... è difficile per me lo capisci....???? nn so proprio come partire...
-

AndreyXxX94
0 2 - Messaggi: 7
- Iscritto il: 18 mar 2012, 16:16
17 messaggi
• Pagina 1 di 2 • 1, 2
Torna a Elettrotecnica generale
Chi c’è in linea
Visitano il forum: Nessuno e 52 ospiti

Elettrotecnica e non solo (admin)
Un gatto tra gli elettroni (IsidoroKZ)
Esperienza e simulazioni (g.schgor)
Moleskine di un idraulico (RenzoDF)
Il Blog di ElectroYou (webmaster)
Idee microcontrollate (TardoFreak)
PICcoli grandi PICMicro (Paolino)
Il blog elettrico di carloc (carloc)
DirtEYblooog (dirtydeeds)
Di tutto... un po' (jordan20)
AK47 (lillo)
Esperienze elettroniche (marco438)
Telecomunicazioni musicali (clavicordo)
Automazione ed Elettronica (gustavo)
Direttive per la sicurezza (ErnestoCappelletti)
EYnfo dall'Alaska (mir)
Apriamo il quadro! (attilio)
H7-25 (asdf)
Passione Elettrica (massimob)
Elettroni a spasso (guidob)
Bloguerra (guerra)