Non c'è stato un professore in facoltà in grado di aiutarmi, chi non ha voluto, chi ha detto di non essere capace (pofessori di elettronica) e chi (professori di altre materie) mi hanno dato tutta la loro disponibilità, ma ovviamente non era il loro campo.
Sono anche stato trattato di xxxxx da un professore di elettronica analogica ( il cui corso ha trattato per altro solo i BJT, e anche in modo approssimativo ) perché sono andato a cercare di farmi spiegare quali potessero essere i vantaggi dell'usare un Jfet o un BJT in un oscillatore di Colpitts (conf clapp), solo perché si tratta di una materia che non è la sua, e di un professore che è in un altro ateneo e quando era qua mai disponibile poiché in un'altra città,
inoltre mi domando ma se uno studente ha bisogno di imparare, paga la retta universitaria, cerca di studiare da se perche l'ateneo non è ad un livello neanche decente, e poi va a chiedere al professore specifico, per il dubbio che ha un approfondimento o un chiarimento (comunque una spiegazione e non di farmi il lavoro bello e pronto) e si viene trattati in questo modo, che cavolo si deve fare?
siete 1000 volte meglio voi, di ogni singolo professore a livello di preparazione, non che di disponibilità e per questo non percepite uno stipendio...
scusate per lo sfogo...
tornando al generatore sinusoidale, a questo punto domando:
come ben sapete avevo pensato ad un oscillatore sinusoidale:
-Fet/BJT Clapp Oscilator
poiche posso intervenire su i due condensatori C1 e C2 per imporre la condizione di oscillazione,
e intervenire sul condensatore C3 che non mi influenza questultima, aggiungendo un ulteriore grado di libertà nella progettazione, e mi permette di ottenere una frequenza variabile.
assumendo per il momento che: il range di variazione delle capacità, di cui non sono ancora riuscito a fare una stima, sia tale da poter essere coperto con dei varicap ( però non so inserendo questa tensione di controllo come varia il comportamento dell'oscillatore) oppure con delle capacità variabili meccanicamente.
-stadio di amplificazione con THS4361 ( anche se non sono sicuro sia necessario in quanto devo prima capire che ampiezza avrà il segnale in uscita dall'oscillatore)
-e per la componente continua al momento non ho nessuna idea
secondo voi c'è una strada più semplice se si quale, e che non includa componenti integrati???
sine wave generator
Moderatori:
carloc,
g.schgor,
BrunoValente,
IsidoroKZ
41 messaggi
• Pagina 3 di 5 • 1, 2, 3, 4, 5
0
voti
Come soluzione alternativa stavo pensando a:
Un generatore d'onda quadra, sempre a frequenza variabile, potendo vedere l'onda quadra come la somma di funzioni sinusoidali a frequenza multiple della fondamentale, pensavo quindi di filtrare il segnale per ottenere in uscita la sinusoide.
Che limiti e problematiche potete segnalarmi in una soluzione del genere?
Ne guadagnerei penso in stabilità, oltre che nella simulazione che diventa sicuramente più semplice, ma devo ricominciare completamente da capo...
Un generatore d'onda quadra, sempre a frequenza variabile, potendo vedere l'onda quadra come la somma di funzioni sinusoidali a frequenza multiple della fondamentale, pensavo quindi di filtrare il segnale per ottenere in uscita la sinusoide.
Che limiti e problematiche potete segnalarmi in una soluzione del genere?
Ne guadagnerei penso in stabilità, oltre che nella simulazione che diventa sicuramente più semplice, ma devo ricominciare completamente da capo...
-

darkweader
61 2 7 - Frequentatore

- Messaggi: 271
- Iscritto il: 8 mag 2011, 17:32
0
voti
darkweader ha scritto:Un generatore d'onda quadra, sempre a frequenza variabile, potendo vedere l'onda quadra come la somma di funzioni sinusoidali a frequenza multiple della fondamentale, pensavo quindi di filtrare il segnale per ottenere in uscita la sinusoide.
No, è una soluzione totalmente inefficiente con un sacco di problemi, lasciala stare.
darkweader ha scritto:Ne guadagnerei penso in stabilità,
No, proprio no
Io ti direi di lasciare perdere la soluzione con oscillatori LC e di utilizzare un oscillatore a ponte di Wien o a variabile di stato: se progettati bene possono arrivare alle frequenze richieste.
It's a sin to write
instead of
(Anonimo).
...'cos you know that
ain't
, right?
You won't get a sexy tan if you write
in lieu of
.
Take a log for a fireplace, but don't take
for
arithm.
instead of
(Anonimo)....'cos you know that
ain't
, right?You won't get a sexy tan if you write
in lieu of
.Take a log for a fireplace, but don't take
for
arithm.-

DirtyDeeds
55,9k 7 11 13 - G.Master EY

- Messaggi: 7012
- Iscritto il: 13 apr 2010, 16:13
- Località: Somewhere in nowhere
0
voti
Caro collega, ti consiglio di :
Usare un VCO ad opamp che varia da 0 a 10 kHz e moltiplicare la frequenza fino a 10MHz
(le variazioni si ripercuotono nel moltiplicatore)
Usare un VCO ad opamp che varia da 0 a 10 kHz e moltiplicare la frequenza fino a 10MHz
(le variazioni si ripercuotono nel moltiplicatore)
-

andreacircuit
125 1 9 - Frequentatore

- Messaggi: 110
- Iscritto il: 24 nov 2011, 20:55
0
voti
andreacircuit ha scritto:Usare un VCO ad opamp che varia da 0 a 10 kHz e moltiplicare la frequenza fino a 10MHz
Ah sì? e come lo faresti?
It's a sin to write
instead of
(Anonimo).
...'cos you know that
ain't
, right?
You won't get a sexy tan if you write
in lieu of
.
Take a log for a fireplace, but don't take
for
arithm.
instead of
(Anonimo)....'cos you know that
ain't
, right?You won't get a sexy tan if you write
in lieu of
.Take a log for a fireplace, but don't take
for
arithm.-

DirtyDeeds
55,9k 7 11 13 - G.Master EY

- Messaggi: 7012
- Iscritto il: 13 apr 2010, 16:13
- Località: Somewhere in nowhere
0
voti
la parte de VCO ad opamp non è difficile...(può prendere il mio progetto sul mio blog)
per il moltiplicatore potrebbe usare questo http://www.wenzel.com/documents/2diomult.html mettendo in ingresso la frequenza del VCO e prelevando le armoniche multiple...
per il moltiplicatore potrebbe usare questo http://www.wenzel.com/documents/2diomult.html mettendo in ingresso la frequenza del VCO e prelevando le armoniche multiple...
-

andreacircuit
125 1 9 - Frequentatore

- Messaggi: 110
- Iscritto il: 24 nov 2011, 20:55
0
voti
La mia domanda non è come si fa un moltiplicatore di frequenza in generale, lo so piuttosto bene come si fa
La mia domanda è: come pensi di fare un moltiplicatore di frequenza per mille seguito da un filtro sintonizzabile su una banda 10 kHz - 10 MHz?
Prova a progettarlo, poi ne riparliamo
La mia domanda è: come pensi di fare un moltiplicatore di frequenza per mille seguito da un filtro sintonizzabile su una banda 10 kHz - 10 MHz?
Prova a progettarlo, poi ne riparliamo
It's a sin to write
instead of
(Anonimo).
...'cos you know that
ain't
, right?
You won't get a sexy tan if you write
in lieu of
.
Take a log for a fireplace, but don't take
for
arithm.
instead of
(Anonimo)....'cos you know that
ain't
, right?You won't get a sexy tan if you write
in lieu of
.Take a log for a fireplace, but don't take
for
arithm.-

DirtyDeeds
55,9k 7 11 13 - G.Master EY

- Messaggi: 7012
- Iscritto il: 13 apr 2010, 16:13
- Località: Somewhere in nowhere
1
voti
La tabella a pag.2 del seguente documento è molto interessante.
http://www.ti.com/lit/an/snoa665b/snoa665b.pdf
In effetti le specifiche sono piuttosto impegnative.
Se vuoi ottenere un risultato soddisfacente devi optare per una soluzione integrata.
Prova a dare un'occhiata a questa soluzione :
http://alternatezone.com/electronics/dds.htm
Un circuito già sul mercato è il seguente :
http://www.robot-italy.com/product_info.php?products_id=1369
Una valida alternativa potrebbe essere questo :
http://electronics-diy.com/electronic_schematic.php?id=450
Se proprio devi, cerca di comprendere come funzionano internamente i chip che ti ho indicato e realizza un prototipo utilizzando i componenti base ma non aspettarti le medesime prestazioni.
In ogni caso la Direct Digital Synthesis sembra essere la strada corretta per la soluzione del problema.
http://www.ti.com/lit/an/snoa665b/snoa665b.pdf
In effetti le specifiche sono piuttosto impegnative.
Se vuoi ottenere un risultato soddisfacente devi optare per una soluzione integrata.
Prova a dare un'occhiata a questa soluzione :
http://alternatezone.com/electronics/dds.htm
Un circuito già sul mercato è il seguente :
http://www.robot-italy.com/product_info.php?products_id=1369
Una valida alternativa potrebbe essere questo :
http://electronics-diy.com/electronic_schematic.php?id=450
Se proprio devi, cerca di comprendere come funzionano internamente i chip che ti ho indicato e realizza un prototipo utilizzando i componenti base ma non aspettarti le medesime prestazioni.
In ogni caso la Direct Digital Synthesis sembra essere la strada corretta per la soluzione del problema.
Ingegneria : alternativa intelligente alla droga.
-

dimaios
30,2k 7 10 12 - G.Master EY

- Messaggi: 3381
- Iscritto il: 24 ago 2010, 14:12
- Località: Behind the scenes
0
voti
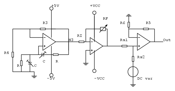
Questo è lo schema finale del mio circuito, sono riuscito ad ottenere in uscita al nodo 3 una sinusoide di ampiezza max 4V, e variando le capacità C frequenza da 1MHz a 10MHz,
ora volendo regolare la tensione di picco tra 0 e 5 V, ho pensato al sommatore invertente, poiche posso azzerare idealmente la tensione.
Per la componete continua invece il circuito sommatore.
i componenti che fino ad ora ho dimensionato sono:
R1=R2=360 Ohm
C1=C2= 44nF - 24pF
R3=250 Ohm
R4=100Ohm
OAMP1=LT1191 BW=80MHz SR
Solo che ora non so come procedere, nel senso che:
1)potrebbero questi altri blocchi influenzare l'oscillatore? se si, in che modo e che soluzioni potrei adottare?
2) scelta degli operazionali nei due blocchi successivi, secondo quale criterio va effettuata?
Qualsiasi cosa vi venga in mente, ovviamente non voglio piazzati i calcoli, basta che mi indichiate una strada, o qualcosa da andarmi a rivedere cosi da prendere il libro e cercare di arrivarci da me
un saluto a tutti

-

darkweader
61 2 7 - Frequentatore

- Messaggi: 271
- Iscritto il: 8 mag 2011, 17:32
41 messaggi
• Pagina 3 di 5 • 1, 2, 3, 4, 5
Chi c’è in linea
Visitano il forum: Nessuno e 100 ospiti

Elettrotecnica e non solo (admin)
Un gatto tra gli elettroni (IsidoroKZ)
Esperienza e simulazioni (g.schgor)
Moleskine di un idraulico (RenzoDF)
Il Blog di ElectroYou (webmaster)
Idee microcontrollate (TardoFreak)
PICcoli grandi PICMicro (Paolino)
Il blog elettrico di carloc (carloc)
DirtEYblooog (dirtydeeds)
Di tutto... un po' (jordan20)
AK47 (lillo)
Esperienze elettroniche (marco438)
Telecomunicazioni musicali (clavicordo)
Automazione ed Elettronica (gustavo)
Direttive per la sicurezza (ErnestoCappelletti)
EYnfo dall'Alaska (mir)
Apriamo il quadro! (attilio)
H7-25 (asdf)
Passione Elettrica (massimob)
Elettroni a spasso (guidob)
Bloguerra (guerra)