Cos'è ElectroYou | Login Iscriviti

ElectroYou - la comunità dei professionisti del mondo elettrico

Snubber contatti relè

Elettronica lineare e digitale: didattica ed applicazioni

Moderatori: Foto Utentecarloc, Foto Utenteg.schgor, Foto UtenteBrunoValente, Foto UtenteIsidoroKZ

0
voti

[1] Snubber contatti relè

Messaggioda Foto Utentebelva87 » 19 mar 2012, 15:08

Salve a tutti e mi scuso per la prolungata assenza dal forum :cry:
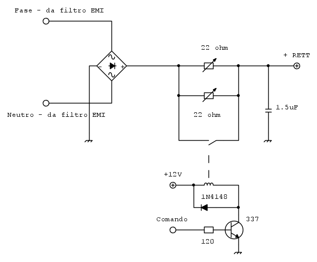
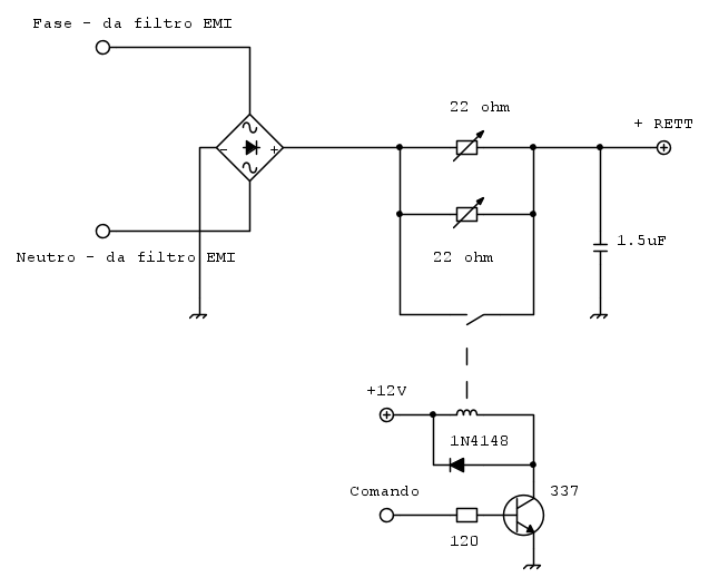
Sto realizzando un alimentatore a commutazione di notevole "ciccia", e mi sto concentrando sullo stadio PFC. Per limitare lo spunto iniziale adotto la soluzione a NTC, in particolare due da 22ohm in parallelo tra loro messi in serie a tutto il resto del circuito, in pratica interposti tra il il positivo del ponte rettificatore e le bobine dello stadio boost (e tutto quello che segue ovviamente...)
Quando il loro effetto non è più necessario li vorrei togliere dalla serie cortocircuitandoli con un relè opportunamente pilotato da un circuito apposito (un TL341 e un comparatore e un BJT ^^ ), ho già provveduto a mettere il diod0 di ricircolo in parallelo alla bobina (12V 250mA se non ricordo male) del relè per non friggere il BJT che lo "tira".... ora mi domando se in questa situazione è necessario utilizzare anche uno snubber per salvaguardare il contatti del relè???
Grazie in anticipo a tutti e appena riesco posto il circuito in fidocad e maggiori info sul relè e ovviamente su qualsiasi altra cosa dovesse essere necessaria, per ora ricordo con certezza che il relè è di tipo Normalmente Aperto con due contatti da 16A 250V l'uno che impiego in parallelo.
Avatar utente
Foto Utentebelva87
2.292 2 6 12
free expert
 
Messaggi: 1323
Iscritto il: 9 mag 2011, 15:01

0
voti

[2] Re: Snubber contatti relè

Messaggioda Foto UtenteIsidoroKZ » 19 mar 2012, 17:41

Non serve lo snubber, la chiusura avviene a bassa tensione, e in ogni caso uno snubber di accensione e` incasinato. Per lo spegnimento, ammesso che sia un problema, basta tenere chiuso il rele` finche' la corrente nell'induttore e` scesa a zero o quasi. Avrei qualche dubbio sull'opportunita` di mettere in parallelo due ntc, ma non ho fatto i conti.
Per usare proficuamente un simulatore, bisogna sapere molta più elettronica di lui
Plug it in - it works better!
Il 555 sta all'elettronica come Arduino all'informatica! (entrambi loro malgrado)
Se volete risposte rispondete a tutte le mie domande
Avatar utente
Foto UtenteIsidoroKZ
121,2k 1 3 8
G.Master EY
G.Master EY
 
Messaggi: 21059
Iscritto il: 17 ott 2009, 0:00

0
voti

[3] Re: Snubber contatti relè

Messaggioda Foto Utentebelva87 » 19 mar 2012, 18:13

Beh.. di preciso non ho calcolato nulla, sono in giro e il circuito per il controllo del relè e tutto il resto me lo sono solo "immaginato" e figurato nella mente mentre guido :roll:

L'unica cosa è che ricordo per certo (a parte il relè e il valore degli NTC che già usiamo) è che molti degli smps che ho aperto per riparazione guasti o per "curiosare" :cool: ne avevano due in parallelo, perciò mi sono basato su questo e ho detto così in precedenza... appena posto il circuito per completezza ormai, ti ringrazio dell'intervento e verificherò con i calcoli se effettivamente ne servono due in parallelo per una questione energetica o cosa.

Già che ci sono ti domando, vi sono delle differenze sostanziali tra l'uso degli NTC in alternata oppure sulla continua (come ho in mente di fare io) dal punto di vista dell'antispunto così come volgarmente detto?
Appena ho modo di scrivere su carta farò i calcoli e posto per completezza lo schema.
Grazie in anticipo, Luca
Avatar utente
Foto Utentebelva87
2.292 2 6 12
free expert
 
Messaggi: 1323
Iscritto il: 9 mag 2011, 15:01

2
voti

[4] Re: Snubber contatti relè

Messaggioda Foto Utentebelva87 » 19 mar 2012, 21:56

Ecco il circuito in fidocad:



Per il dimesionamento è un po' troppo tardi, ma mi leggo qualche app. note.

EDIT: Il diodo èra sbagliato, perché sono rinco... l'ho detto che è tardi!!
Avatar utente
Foto Utentebelva87
2.292 2 6 12
free expert
 
Messaggi: 1323
Iscritto il: 9 mag 2011, 15:01

0
voti

[5] Re: Snubber contatti relè

Messaggioda Foto UtenteBeppe82 » 20 mar 2012, 22:35

entro a gamba tesa dicendo che imho se progetti un PFC dovresti considerare il soft start elettronico lasciando perdere NTC e relè
Avatar utente
Foto UtenteBeppe82
128 1 1 4
Frequentatore
Frequentatore
 
Messaggi: 133
Iscritto il: 2 ott 2011, 17:01

2
voti

[6] Re: Snubber contatti relè

Messaggioda Foto Utentebelva87 » 20 mar 2012, 22:55

Non sei riuscito a fare fallo :-P

So bene di cosa parli, cerca su google UCC28070, ha il Soft Start elettronico ed è un controller "molto intelligente", compreso di ZVS ma non basta ^^
Parlo per esperienza, 700W di PFC senza gli NTC per il "cold start" non è una buona idea, ma anche per altre cose non legate al cold start...

Grazie della precisazione comunque
Avatar utente
Foto Utentebelva87
2.292 2 6 12
free expert
 
Messaggi: 1323
Iscritto il: 9 mag 2011, 15:01


Torna a Elettronica generale

Chi c’è in linea

Visitano il forum: Nessuno e 125 ospiti