Cos'è ElectroYou | Login Iscriviti

ElectroYou - la comunità dei professionisti del mondo elettrico

Circuito elettrotecnica: svolgimento

Circuiti, campi elettromagnetici e teoria delle linee di trasmissione e distribuzione dell’energia elettrica

Moderatori: Foto Utenteg.schgor, Foto UtenteIsidoroKZ

0
voti

[1] Circuito elettrotecnica: svolgimento

Messaggioda Foto Utentepippob » 22 mar 2012, 12:19

Ciao a tutti,
potreste per favore dirmi se i miei calcoli sono corretti?

circuito.jpg
circuito.jpg (23.94 KiB) Osservato 3135 volte


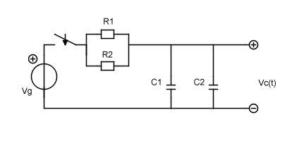
Calcolare e disegnare l'andamento nel tempo della tensione Vc( t) ai capi dei condensatori sapendo che
Vg=10V
R1=1 ohm
R2=4 ohm
C1=0.01F
C2=0.03F
e che all'istante t=0, quando si chiude l'interruttore, la tensione ai capi dei condensatori è nulla.

PROCEDIMENTO:

1) Trasformo tutto nel circuito fittizio di laplace, ottenendo i nuovi valori convertiti nella variabile complessa "s":
\frac{V_{g}}{s} = \frac{10}{s}
R1=1
R2=4
\frac{1}{sC_{1}}=\frac{100}{s}
\frac{1}{sC_{2}}=\frac{100}{3s}

2) Sommo le due resistenze in parallelo

Z_{R} = R1 // R2 = \frac{R1*R2}{R1+R2} = \frac{4}{5}

3) sommo i due condensatori:

Z_{C} = \frac{1}{sC_{1}} // \frac{1}{sC_{2}} = \frac{\frac{1}{sC_{1}}*\frac{1}{sC_{2}}}{\frac{1}{sC_{1}}+\frac{1}{sC_{2}}} = \frac{25}{s}

4) ora ho due elementi nel circuito: Z_{R} e Z_{C}, quindi adesso ricavo la I_{s} presente nel circuito:

V_{g} = R* I_{s}
10 = (Z_{C}+Z_{R})*I_{s}
10 = (\frac{4}{5}+\frac{25}{s})
I_{s} = \frac{10}{(\frac{4}{5}+\frac{25}{s})} = \frac{50s}{4s+125}

5) Avendo la corrente totale nel circuito, calcolo la tensione su Z_{C}per ricavareV_{C}(s)

V_{C}(s) = Z_{C} * I_{s} = \frac{25}{s} * \frac{50s}{4s + 125} = \frac{1250}{4}*\frac{1}{s + \frac{125}{4}}
V_{C}(t) = \frac{1250}{4} * e^{-\frac{125}{4}t}

Lo step numero 5, cioè quello di calcolare la tensione tramite Z_{C} mi da qualche dubbio...confermate che ho fatto tutto bene?

Grazie a tutti :)
Avatar utente
Foto Utentepippob
16 2
 
Messaggi: 34
Iscritto il: 20 mar 2012, 22:06

4
voti

[2] Re: Circuito elettrotecnica: svolgimento

Messaggioda Foto Utentedimaios » 22 mar 2012, 12:46

Qualche osservazione.


[1] Nel testo dell'esercizio non viene imposta alcuna condizione sul metodo risolutivo della rete. Tu hai uilizzato le trasformate di Laplace ma senza questa specifica trattasi della carica di un condensatore in un circuito RC che è molto agevole nel dominio del tempo risolvendo l'equazione differenziale.

[2] Hai calcolato il parallelo dei condensatori impiegando la rappresentazione nel dominio della s-Trasformata. Se individui questi semplici paralleli già dall'inizio perché li trasformi ? Bastava sommare le capacità e fare la rappresentazione solo di quella.

[3] Non capisco il dubbio che hai sul ricavare la tensione sul condensatore. Per cortesia spiega meglio la tua perplessità.


Per verificare se il risultato è corretto prova a sviluppare l'equazione differenziale nel tempo ( è semplice ) e risolvi il tutto senza impiegare la s-Trasformata.
Ingegneria : alternativa intelligente alla droga.
Avatar utente
Foto Utentedimaios
30,2k 7 10 12
G.Master EY
G.Master EY
 
Messaggi: 3381
Iscritto il: 24 ago 2010, 14:12
Località: Behind the scenes

0
voti

[3] Re: Circuito elettrotecnica: svolgimento

Messaggioda Foto Utentepippob » 22 mar 2012, 13:08

[1] Se non mi sbaglio, senza la trasformazione nella variabile "s", avrei dovuto svolgere un'equazione con integrale...nulla di impossibile, ma forse mi sarei complicato la vita, e tra i due mali, ho preferito la strada più lunga ma meno dissestata.
In più avrei dovuto calcolare anche i_{C}(t) con partitore di corrente?
se nn erro la formula sarebbe stata:

V_{C}(t) = \frac{1}{C} \int i_{C}(t)dt

[2] Come sopra, penso (pensavo) che la trasformazione nella variabile "s" mi semplificasse i calcoli...potresti farmi capire con i calcoli per favore :-o ?

[3] piu che un dubbio, volevo una conferma...cioè so che su due elementi in parallelo c'è la stessa tensione ma correnti diverse, quindi volevo conferma se per calcolare la tensione presente sui due condensatori dovessi sommarli o cacolare la tensione su un solo condensatore o chessò... ovviamente a me è sembrato piu logico calcolare la tensione sulla somma dei condensatori :oops:
Avatar utente
Foto Utentepippob
16 2
 
Messaggi: 34
Iscritto il: 20 mar 2012, 22:06

0
voti

[4] Re: Circuito elettrotecnica: svolgimento

Messaggioda Foto Utenteadmin » 22 mar 2012, 13:24

Ad ogni modo, Foto Utentepippob, hai sbagliato il calcolo della corrente.
\begin{array}{l}
{I_s} = \frac{{\frac{{10}}{s}}}{{\frac{4}{5} + \frac{{25}}{s}}} = \frac{{10}}{{\frac{4}{5}s + 25}} = \frac{{50}}{{125 + 4s}}\\
{V_C}\left( s \right) = \frac{{25}}{s}\frac{{50}}{{125 + 4s}} = 10\frac{{\frac{{125}}{4}}}{{s\left( {s + \frac{{125}}{4}} \right)}}\\
{v_c}(t) = 10\left( {1 - {e^{ - \frac{t}{{\frac{{125}}{4}}}}}} \right)
\end{array}

E' comunque un semplice RC ed il risultato, come ha fatto notare Foto Utentedimaios è immediato
Avatar utente
Foto Utenteadmin
196,7k 9 12 17
Manager
Manager
 
Messaggi: 11953
Iscritto il: 6 ago 2004, 13:14

0
voti

[5] Re: Circuito elettrotecnica: svolgimento

Messaggioda Foto Utentepippob » 22 mar 2012, 13:33

Caspita...è vero...una svista sull'inserimento di Vg/s nel calcolo della corrente...grr

Scusate, ma quindi la formula diretta quale sarebbe stata?
Avatar utente
Foto Utentepippob
16 2
 
Messaggi: 34
Iscritto il: 20 mar 2012, 22:06

6
voti

[6] Re: Circuito elettrotecnica: svolgimento

Messaggioda Foto UtenteLele_u_biddrazzu » 22 mar 2012, 13:52

Per un circuito del primo ordine, l'evoluzione temporale della generica grandezza x(t), in seguito ad una sollecitazione a gradino, risulta essere:

x\left(t\right)=\left(x\left(0\right)-x\left(\infty\right)\right)\text{e}^{-\frac{t}{\tau}}+x\left(\infty\right)

essendo:

- x(0) il valore assunto dalla grandezza all'istante iniziale;

- x(\infty) il valore assunto dalla grandezza a regime raggiunto;

- \tau la costante di tempo del circuito.

Nel caso da te proposto, si avrebbe:

v_C(0) = 0\; \text{V};

v_C(\infty) = 10 \; \text{V}

\tau = \frac{R_1 R_2}{R_1+R_2}\, (C_1+ C_2)
Emanuele Lorina

- Chi lotta contro i mostri deve fare attenzione a non diventare lui stesso un mostro. E se tu riguarderai a lungo in un abisso, anche l'abisso vorrà guardare dentro di te (F. Nietzsche)
- Tavole della legge by admin
Avatar utente
Foto UtenteLele_u_biddrazzu
8.154 3 8 13
Master EY
Master EY
 
Messaggi: 1288
Iscritto il: 23 gen 2007, 16:13
Località: Modena

4
voti

[7] Re: Circuito elettrotecnica: svolgimento

Messaggioda Foto Utenteadmin » 22 mar 2012, 14:03

pippob ha scritto:Scusate, ma quindi la formula diretta quale sarebbe stata?

Foto UtenteLele_u_biddrazzu ti ha risposto.
Io mi limito ad osservare che è sorprendente vedere che si insegna a risolvere i circuiti con Laplace senza mai aver detto nulla del semplice circuito di carica del condensatore. Cosa che invece avrebbe permesso di capire subito che il risultato trovato era assurdo. A carica avvenuta, quindi per t \to \infty la tensione del condensatore è pari a quella del generatore, e non nulla!; all'istante iniziale poi il condensatore è scarico, quindi V_c=0, e non 31,25 volte la tensione del generatore!

Ma davvero ora l'Elettrotecnica si insegna così?
Avatar utente
Foto Utenteadmin
196,7k 9 12 17
Manager
Manager
 
Messaggi: 11953
Iscritto il: 6 ago 2004, 13:14

0
voti

[8] Re: Circuito elettrotecnica: svolgimento

Messaggioda Foto Utentepippob » 22 mar 2012, 14:21

Guarda...sembra ssurdo anche a me...sto trovando millemila difficoltà a studiare questa materia...la sto quasi odiando #-o

Vi ringrazio per l'attenzione che mi state dando..davvero..ma non riesco a capire..a me serve trovare V_{C}(t), voi probabilmente mi avete già dato la risposta, ma io nn sono riuscito a coglierla e mi farebbe davvero comodo avere una risposta più diretta sulla formula e procedimento pratico step by step.

quindi che so:
1) somma le due resistenze nel tempo:

Z_{R} = R1 // R2

2) somma i due condensatori nel tempo:

Z_{C} = C1 // C2

3) ricavi V_{C}(t) con questa formula.

V_{C}(t) = .....

Questo comunque è un esercizio richiesto nelle tracce d'esame.
Avatar utente
Foto Utentepippob
16 2
 
Messaggi: 34
Iscritto il: 20 mar 2012, 22:06

0
voti

[9] Re: Circuito elettrotecnica: svolgimento

Messaggioda Foto Utenteadmin » 22 mar 2012, 14:37

pippob ha scritto:[..]..a me serve trovare V_{C}(t), voi probabilmente mi avete già dato la risposta, ma io non sono riuscito a coglierla [..]

anche questo è sorprendente: nel messaggio [4] cosa c'è? E nel [6] in cui basta fare le sostituzioni nell'equazione iniziale?

pippob ha scritto:quindi che so:
1) somma le due resistenze nel tempo:

non devi affatto sommare!
Poi l'perazione la fai giusta, ma chiamala anche con il nome giusto!
Cosa significa poi sommare nel tempo le resistenze... :?:

L'andamento della tensione di carica di un condensatore è quello che ti ha scritto Foto UtenteLele_u_biddrazzu come prima formula in [6] chiamandola x(t) dopodiché basta, come già detto, sostiture la costante di tempo, prodotto capacità equivalente per resistenza ad essa in serie, il valore iniziale della tensione ed il valore finale.
Avatar utente
Foto Utenteadmin
196,7k 9 12 17
Manager
Manager
 
Messaggi: 11953
Iscritto il: 6 ago 2004, 13:14

0
voti

[10] Re: Circuito elettrotecnica: svolgimento

Messaggioda Foto Utentepippob » 22 mar 2012, 14:40

Hai ragione, ma nella [4] hai utilizzato anche tu la variabile complessa "s", se mi dite che è possibile trovare lo stesos il risultato nella variabile t (tempo), vorrei capirla...tutto qui..forse mi esprimo male?! :roll:

EDIT:
ah ecco...sto capendo la [6]..LOL...mi sono lasciato confondere dalla simbologia;)

comunque questa formuletta al post 6 è davvero figa...nelle dispense ovviamente nn c'è sta formula come non c'è per tutte le funzioni più comuni, e anzi si parla di trasformare direttamente a Laplace per il principio di linearità.
Ultima modifica di Foto Utentepippob il 22 mar 2012, 14:50, modificato 1 volta in totale.
Avatar utente
Foto Utentepippob
16 2
 
Messaggi: 34
Iscritto il: 20 mar 2012, 22:06

Prossimo

Torna a Elettrotecnica generale

Chi c’è in linea

Visitano il forum: Google [Bot] e 14 ospiti