Buongiorno,
avrei una domanda che a molti parrà alquanto banale.
Devo realizzare un circuito per trasformare in livello logico un segnale analogico proveniente da un sensore fotoelettrico (segnale 0-3.5V).
Pensavo di utilizzare semplicemente un comparatore con un partitore resistivo per portare la tensione di soglia a 2.5V. Sono a scegliere cosa ordinare e mi chiedevo la differenza tra un LM339N e un LM339N/NOPB. Tra l'altro anche la differenza di costi è notevole.
Qualcuno potrebbe darmi una mano nella scelta??
Relativamente al partire resistivo, sono orientato a resistenze da 10Ohm per ottenere i 2.5Vda una sorgente di 5V.
Vanno bene secondo voi o meglio utilizzare resistenze sempre uguali ma di valori molto più grandi (es. 10KOhm)?
Grazie mille e buon giornata a tutti!!!
Marc
Aggiungo i link ai due comparatori tra cui sarei indeciso:
http://it.rs-online.com/web/p/products/0527198/
http://it.rs-online.com/web/p/products/5338237/
Grazie ancora!!
Domanda comparatore
Moderatori:
carloc,
g.schgor,
BrunoValente,
IsidoroKZ
7 messaggi
• Pagina 1 di 1
0
voti
1
voti
Le differenze nelle sigle sono solo di marchiatura del componente, la sigla vera e propria è LM393 poi ci sono dei codici che identificano il range di temperatura e altre cosette, ad esempio potrebbe essere low power o cose così... perciò prendi un normalissimo LM393 scegliendolo idoneo per il range di temperature che ti serve e hai finito, come fare??? leggi il suo datasheet.
Se ho capito come vuoi usare il partitore resistivo, due resistenze uguali da 10 ohm NON vanno bene, ma nemmeno due da 10Mohm andrebbero bene, anche se il risultato teorico sarebbe identico... Se alimenti il 393 a 5v le candidate 10kohm "vanno bene", anche se non ho definito che vuol dire "vanno bene" ma sorvoliamo...
una cosa da non sottovalutare in questi casi è se l'alimentazione proviene da un alimentatore o da una batteria. il discorso vale anche per la resistenza di pull-up di cui necessita il 393, "non troppo grande ma non troppo piccola"
. Possibili candidati sono 2.2k o 4.7k, anche se qui c'è da considerare cosa vede il 393 come uscita.
Infine non hai ben descritto il sistema, come già detto prima in alcuni punti, tra i quali anche "cosa e come" (in qualche raro caso non serve il perché...) eccita il sensore fotoelettrico, è necessario non sottovalutare questo aspetto perché potresti avere la necessità di adottare una isteresi nel comparatore, oppure cambiare "tipo" di comparazione e passare, per puro esempio, ad una comparazione a finestra.
PS: schema in fidocad
EDIT: scusate ma il sistema non mi avverte di altri interventi
è già successo e non ne capisco il motivo...
Luca
Se ho capito come vuoi usare il partitore resistivo, due resistenze uguali da 10 ohm NON vanno bene, ma nemmeno due da 10Mohm andrebbero bene, anche se il risultato teorico sarebbe identico... Se alimenti il 393 a 5v le candidate 10kohm "vanno bene", anche se non ho definito che vuol dire "vanno bene" ma sorvoliamo...
una cosa da non sottovalutare in questi casi è se l'alimentazione proviene da un alimentatore o da una batteria. il discorso vale anche per la resistenza di pull-up di cui necessita il 393, "non troppo grande ma non troppo piccola"
Infine non hai ben descritto il sistema, come già detto prima in alcuni punti, tra i quali anche "cosa e come" (in qualche raro caso non serve il perché...) eccita il sensore fotoelettrico, è necessario non sottovalutare questo aspetto perché potresti avere la necessità di adottare una isteresi nel comparatore, oppure cambiare "tipo" di comparazione e passare, per puro esempio, ad una comparazione a finestra.
PS: schema in fidocad
EDIT: scusate ma il sistema non mi avverte di altri interventi
LucaUltima modifica di
belva87 il 22 mar 2012, 15:07, modificato 1 volta in totale.
1
voti
NOPB sta per "senza piombo".
La differenza di prezzo è notevole perché di quello che costa di più ne puoi comprare uno per volta mentre quello che costa meno è in confezione da 25 pezzi (quindi devi fare 0,234x25).
Per le resistenze starei sui 10 kohm, 100ohm è un valore molto basso e consumi troppo inutilmente.
A parte ciò quoto
marco438 se disegni lo schema è mooooolto meglio.
La differenza di prezzo è notevole perché di quello che costa di più ne puoi comprare uno per volta mentre quello che costa meno è in confezione da 25 pezzi (quindi devi fare 0,234x25).
Per le resistenze starei sui 10 kohm, 100ohm è un valore molto basso e consumi troppo inutilmente.
A parte ciò quoto
0
voti
davidde ha scritto:NOPB sta per "senza piombo".
Ma lo sai che mi pareva di averlo scritto e mi sono scordato
davidde ha scritto:100ohm è un valore molto basso e consumi troppo inutilmente.
Lui parlava addirittura di 10 ohm, probabilmente l'inganno di scrittura ti ha tirato uno sgambetto, infatti ha scritto 10Ohm
davidde ha scritto:A parte ciò quotomarco438 se disegni lo schema è mooooolto meglio.
Daccordissimo!!

1
voti
Ciao e grazie mille a tutti per le risposte super veloci!!!!
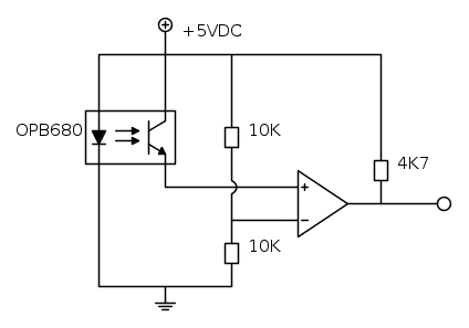
Ecco lo schema..... spero che sia comprensibile....
L'uscita del comparatore dovrebbe andare direttamente in un I/O TTL di una scheda madre di un minicomputer.....
Grazie e buona giornata!!!!!
Marc
Ecco lo schema..... spero che sia comprensibile....
L'uscita del comparatore dovrebbe andare direttamente in un I/O TTL di una scheda madre di un minicomputer.....
Grazie e buona giornata!!!!!
Marc
0
voti
No,meglio un comparatore a finestra o un trigger di schmitt a seconda della sorgente che pilota il fototransistor.
-

claudiocedrone
21,3k 4 7 9 - Master EY

- Messaggi: 15302
- Iscritto il: 18 gen 2012, 13:36
7 messaggi
• Pagina 1 di 1
Chi c’è in linea
Visitano il forum: Nessuno e 133 ospiti

Elettrotecnica e non solo (admin)
Un gatto tra gli elettroni (IsidoroKZ)
Esperienza e simulazioni (g.schgor)
Moleskine di un idraulico (RenzoDF)
Il Blog di ElectroYou (webmaster)
Idee microcontrollate (TardoFreak)
PICcoli grandi PICMicro (Paolino)
Il blog elettrico di carloc (carloc)
DirtEYblooog (dirtydeeds)
Di tutto... un po' (jordan20)
AK47 (lillo)
Esperienze elettroniche (marco438)
Telecomunicazioni musicali (clavicordo)
Automazione ed Elettronica (gustavo)
Direttive per la sicurezza (ErnestoCappelletti)
EYnfo dall'Alaska (mir)
Apriamo il quadro! (attilio)
H7-25 (asdf)
Passione Elettrica (massimob)
Elettroni a spasso (guidob)
Bloguerra (guerra)




