Cos'è ElectroYou | Login Iscriviti

ElectroYou - la comunità dei professionisti del mondo elettrico

stabilizzare tensione batteria

Elettronica lineare e digitale: didattica ed applicazioni

Moderatori: Foto Utentecarloc, Foto Utenteg.schgor, Foto UtenteBrunoValente, Foto UtenteIsidoroKZ

0
voti

[11] Re: stabilizzare tensione batteria

Messaggioda Foto UtenteDaddi » 28 mar 2012, 18:20

ook grazie mille questo è il rele che vorrei utilizzare : http://www.findernet.com/it/products/fa ... /series/40

Potresti farmi vedere uno schema funzionale per eseguire il circuito

Grazie mille :-)
Avatar utente
Foto UtenteDaddi
3 4
New entry
New entry
 
Messaggi: 67
Iscritto il: 22 mar 2012, 13:22

0
voti

[12] Re: stabilizzare tensione batteria

Messaggioda Foto Utenteg.schgor » 28 mar 2012, 18:55

Sì, anche se bisognerà fare attenzione ai collegamenti
su scheda (ricordarsi che devono passare 5A!)
Lo schema dei contatti è già quello precedente.
Ora ti preparo quello dei comandi.
Avatar utente
Foto Utenteg.schgor
57,8k 9 12 13
G.Master EY
G.Master EY
 
Messaggi: 16971
Iscritto il: 25 ott 2005, 9:58
Località: MILANO

0
voti

[13] Re: stabilizzare tensione batteria

Messaggioda Foto UtenteDaddi » 28 mar 2012, 23:26

grazie mille :D
Avatar utente
Foto UtenteDaddi
3 4
New entry
New entry
 
Messaggi: 67
Iscritto il: 22 mar 2012, 13:22

0
voti

[14] Re: stabilizzare tensione batteria

Messaggioda Foto Utenteg.schgor » 29 mar 2012, 10:54

Stabilita la parte di potenza (diodi e relè), dobbiamo
passare ai circuiti di comando.
Suggerirei di iniziare dal comando dei relè mediante transistor.
Ecco il circuito:

Il comando di questi transistor proviene da
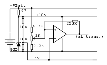
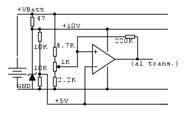
comparatori. il primo circuito è:

Lo Zener è un BZX85C10, il comparatore un 358
(per il comando degli altri 2 relè, si ripete il solo schema
del comparatore).

Questi sono tutti gli elementi.
Vedremo in seguito i criteri di taratura dei 3 trimmer (da 1K)
Avatar utente
Foto Utenteg.schgor
57,8k 9 12 13
G.Master EY
G.Master EY
 
Messaggi: 16971
Iscritto il: 25 ott 2005, 9:58
Località: MILANO

0
voti

[15] Re: stabilizzare tensione batteria

Messaggioda Foto UtenteDaddi » 29 mar 2012, 21:59

ook mi sembra molto valido e semplice da eseguire come facciamo per tarare i 3 trimmer?
Avatar utente
Foto UtenteDaddi
3 4
New entry
New entry
 
Messaggi: 67
Iscritto il: 22 mar 2012, 13:22

0
voti

[16] Re: stabilizzare tensione batteria

Messaggioda Foto Utenteg.schgor » 30 mar 2012, 11:19

Ecco i valori di tensione a cui tarare i trimmer
per ciascuno dei 3 relè:


Si sottolinea che i valori devono essere misurati
fra cursore del trimmer ed il GND,
con tensione della batteria esattamente a 12 V.
Avatar utente
Foto Utenteg.schgor
57,8k 9 12 13
G.Master EY
G.Master EY
 
Messaggi: 16971
Iscritto il: 25 ott 2005, 9:58
Località: MILANO

Precedente

Torna a Elettronica generale

Chi c’è in linea

Visitano il forum: Nessuno e 134 ospiti