Cos'è ElectroYou | Login Iscriviti

ElectroYou - la comunità dei professionisti del mondo elettrico

Cortocircuito resistenza

Circuiti, campi elettromagnetici e teoria delle linee di trasmissione e distribuzione dell’energia elettrica

Moderatori: Foto Utenteg.schgor, Foto UtenteIsidoroKZ

0
voti

[1] Cortocircuito resistenza

Messaggioda Foto Utentepippob » 29 mar 2012, 16:29

Buonasera, sono sicuro che questo mese riceverò il premio come maggior rompiscatole del mese LOL

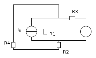
Mi è venuto un dubbio, mi chiedevo se nel caso di una resistenza in cortocircuito, valesse il seguente disegno ai fini di calcolo...è giusto?

cortocircuito.png
cortocircuito.png (5.9 KiB) Osservato 7198 volte
Avatar utente
Foto Utentepippob
16 2
 
Messaggi: 34
Iscritto il: 20 mar 2012, 22:06

0
voti

[2] Re: Cortocircuito resistenza

Messaggioda Foto UtenteRenzoDF » 29 mar 2012, 16:46

Non vedo resistori in corto. :-)
"Il circuito ha sempre ragione" (Luigi Malesani)
Avatar utente
Foto UtenteRenzoDF
55,9k 8 12 13
G.Master EY
G.Master EY
 
Messaggi: 13189
Iscritto il: 4 ott 2008, 9:55

0
voti

[3] Re: Cortocircuito resistenza

Messaggioda Foto Utentepippob » 29 mar 2012, 17:14

Ehm...ma quindi (per favore) ho sbagliato lo schema, ho sbagliato a chiamarlo corto o entrambe le cose?
Avatar utente
Foto Utentepippob
16 2
 
Messaggi: 34
Iscritto il: 20 mar 2012, 22:06

0
voti

[4] Re: Cortocircuito resistenza

Messaggioda Foto Utentedonciccio » 29 mar 2012, 17:27

Vg suppongo sia un generatore,Ig cos'è?un interruttore?
Avatar utente
Foto Utentedonciccio
574 2 6 7
Sostenitore
Sostenitore
 
Messaggi: 857
Iscritto il: 15 ago 2010, 10:43

0
voti

[5] Re: Cortocircuito resistenza

Messaggioda Foto Utenteadmin » 29 mar 2012, 17:30

V_gè un generatore ideale di tensione; I_gun generatore ideale di corrente.
Avatar utente
Foto Utenteadmin
196,6k 9 12 17
Manager
Manager
 
Messaggi: 11950
Iscritto il: 6 ago 2004, 13:14

0
voti

[6] Re: Cortocircuito resistenza

Messaggioda Foto Utentepippob » 29 mar 2012, 17:30

Ig è un generatore di corrente.

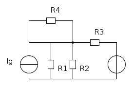
comunque tornando al circuito, io l'ho immaginato così

Ultima modifica di Foto Utentepippob il 29 mar 2012, 17:41, modificato 7 volte in totale.
Avatar utente
Foto Utentepippob
16 2
 
Messaggi: 34
Iscritto il: 20 mar 2012, 22:06

0
voti

[7] Re: Cortocircuito resistenza

Messaggioda Foto Utenteadmin » 29 mar 2012, 17:33

Ma perché alleghi i disegni Fidocadj come immagini?
Possibile che tu non abbia ancora imparato ad usare i tag fcd?
Come inserire uno schema elettrico
Avatar utente
Foto Utenteadmin
196,6k 9 12 17
Manager
Manager
 
Messaggi: 11950
Iscritto il: 6 ago 2004, 13:14

0
voti

[8] Re: Cortocircuito resistenza

Messaggioda Foto Utentepippob » 29 mar 2012, 17:41

Tadaaaaah LOL...sbagliando si impara :ok:

Quindi il circuito così come visto da me è errato? in cosa sbaglio?
Avatar utente
Foto Utentepippob
16 2
 
Messaggi: 34
Iscritto il: 20 mar 2012, 22:06

0
voti

[9] Re: Cortocircuito resistenza

Messaggioda Foto Utenteadmin » 29 mar 2012, 17:51

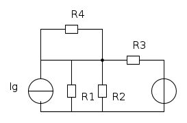
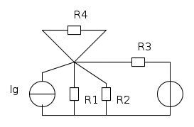
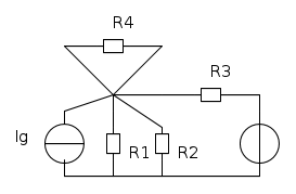
Per vederlo così


nel primo circuito disegnato ci deve essere il punto di connessione, cioè così


Per come l'hai disegnato, cioè senza punto di connessione, potevi immaginarlo così



Per tale motivo ti è stato detto che non ci sono resistori in corto: per come l'hai disegnato non ci sono.
Avatar utente
Foto Utenteadmin
196,6k 9 12 17
Manager
Manager
 
Messaggi: 11950
Iscritto il: 6 ago 2004, 13:14

-1
voti

[10] Re: Cortocircuito resistenza

Messaggioda Foto Utentepippob » 29 mar 2012, 17:59

Ehm, sono nel pallone allora...questo è un esercizio uscito in una traccia tempo fa e da quello che so il prof nn mette le connesisoni, o nodi, perché vuole che li ricaviamo noi...quindi nn saprei proprio a cosa lui alluda.. ?%
Avatar utente
Foto Utentepippob
16 2
 
Messaggi: 34
Iscritto il: 20 mar 2012, 22:06

Prossimo

Torna a Elettrotecnica generale

Chi c’è in linea

Visitano il forum: Nessuno e 19 ospiti