Ciao a tutti
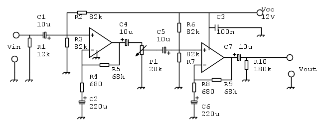
Ho montato su basetta il seguente circuito
È un preamplificatore per microfono. Il microfono l'ho costruito io partendo da una cornetta del telefono e usando come capsula quella a carbone usata per l'ascolto.
Per testare questo preamplificatore ho connesso l'uscita all'ingresso aux del mio stereo da camera.
La preamplificazione avviene (nel senso che sento ciò che si dice nel microfono), ma c'è un rumore di sottofondo persistente e con un volume discreto rispetto quello del segnale utile che non capisco da dove possa venire! Questo è presente anche senza connettere il microfono e quindi sono portato a pensare che il problema sia nel circuito.
Il display dello spettroscopio digitale dello stereo mostra che il contributo del rumore è forte tra i 150 Hz e i 300 Hz e diventa più debole (ma c'è) attorno ai 1000 Hz.
Da cosa pensate che derivi questo rumore? Dalle componenti del circuito, dal fatto che l'ho montato su breadboard o per altre cause?
Aggiungo che originariamente il circuito aveva come valore dei condensatori (tranne di C2 e C6) 6.8 uF e non 10 uF come ho indicato. L'ho sostituiti perché in casa avevo già alcuni da 10 uF. Potrebbe essere questa sostituzione la causa del rumore?
Grazie in anticipo
Giulio
Rumore di fondo in preaplificatore
Moderatori:
carloc,
g.schgor,
BrunoValente,
IsidoroKZ
15 messaggi
• Pagina 1 di 2 • 1, 2
0
voti
Premesso che il microfono non c'entra (e che non è affatto a carbone !) e che la differenza di valore dei condensatori è influente solo per quanto riguarda la banda passante del preamplificatore dovresti rispondere ad alcune domande : La breadboard è schermata ? Hai usato cavo schermato per i collegamenti tra pre e finale ? SE la risposta alle prime due è si, gli schermi sono collegati tra loro e al meno di alimentazione IN UN SOLO PUNTO ? Infine,con cosa hai alimentato il circuito ?
-

claudiocedrone
21,3k 4 7 9 - Master EY

- Messaggi: 15302
- Iscritto il: 18 gen 2012, 13:36
0
voti
Ciao Claudio. Grazie delle risposte
Hai ragione. La capsula (di ascolto) che uso è dinamica. Quella a carbone è quella usata per parlare.
Penso proprio di no. È di questo tipo

Ho usato il cavo che mi permette di connettere la scheda audio del PC con l'home theatre. È quindi fatto da jack mono 3.5mm maschio da un lato e connettore aux Left Right maschio dall'altro. Non è schermato e i fili sono paralleli.
Siccome prevedo di mettere in cascata al pre anche un dispositivo di controllo toni, il collegamento tra queste due unità verrà fatto tramite cavo schermato mono
Essendo per ora un prototipo l'ho alimentato con l'alimentatore dello scanner. È uno di quegli alimentatori generici che permettono di selezionare più tensioni di uscita. Io lo uso con tensione di 12V DC in uscita e un massimo di 1450mA di corrente. Quando avrò saldato il tutto penso che prenderò un alimentatore dello stesso tipo che userò solo per questa applicazione. Secondo te questi alimentatori generici possono introdurre disturbi nel circuito?
claudiocedrone ha scritto:[...]e che non è affatto a carbone [...]
Hai ragione. La capsula (di ascolto) che uso è dinamica. Quella a carbone è quella usata per parlare.
claudiocedrone ha scritto:La breadboard è schermata ?
Penso proprio di no. È di questo tipo

claudiocedrone ha scritto:Hai usato cavo schermato per i collegamenti tra pre e finale ?
Ho usato il cavo che mi permette di connettere la scheda audio del PC con l'home theatre. È quindi fatto da jack mono 3.5mm maschio da un lato e connettore aux Left Right maschio dall'altro. Non è schermato e i fili sono paralleli.
Siccome prevedo di mettere in cascata al pre anche un dispositivo di controllo toni, il collegamento tra queste due unità verrà fatto tramite cavo schermato mono
claudiocedrone ha scritto:Infine,con cosa hai alimentato il circuito ?
Essendo per ora un prototipo l'ho alimentato con l'alimentatore dello scanner. È uno di quegli alimentatori generici che permettono di selezionare più tensioni di uscita. Io lo uso con tensione di 12V DC in uscita e un massimo di 1450mA di corrente. Quando avrò saldato il tutto penso che prenderò un alimentatore dello stesso tipo che userò solo per questa applicazione. Secondo te questi alimentatori generici possono introdurre disturbi nel circuito?
0
voti
Quel tipo di alimentatori sono pura "blasfemia" riguardo ai disturbi
Avevo realizzato un amplificatore con un TDA8560Q ma non voleva nemmeno accendersi se non alimentato a batteria. Ci sono riuscito con un ATX ma introduceva comunque disturbi infernali.
Adesso non so se dipenda da quello o dal circuito ma prima di cercare in quest'ultimo proverei con una batteria.
Avevo realizzato un amplificatore con un TDA8560Q ma non voleva nemmeno accendersi se non alimentato a batteria. Ci sono riuscito con un ATX ma introduceva comunque disturbi infernali.
Adesso non so se dipenda da quello o dal circuito ma prima di cercare in quest'ultimo proverei con una batteria.
-

marioursino
5.687 3 9 13 - G.Master EY

- Messaggi: 1598
- Iscritto il: 5 dic 2009, 4:32
2
voti
Il consiglio di
marioursino di provare ad alimentare il circuito con una batteria mi pare molto valido. Così vedrai se i disturbi vengono dall'alimentazione. E' probabile che il tutto funzioni sia pure con una dinamica ridotta, con una piletta "transistor" da 9V, tanto per fare qualche prova.
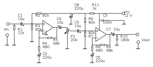
Il problema del tuo circuito è che se c'è rumore sull'alimentazione, questo viene iniettato nel percorso del segnale ed amplificato di un bel po'. Prova a vedere se con questa modifica la situazione migliora leggermente:
Ho aggiunto un filtro RC formato da C8 e R11, è un vecchio trucco che si usava già tanti anni fa, quando i regolatori integrati non c'erano o costavano cari. Se usi un alimentatore a commutazione, potresti ritrovarti con dei disturbi ad alta frequenza che il PSRR dell'operazionale (a proposito, qual è?) non riuscirà ad eliminare. In quel caso, sposta anche l'alimentazione dell'operazionale a valle della resistenza da R11.
Il problema del tuo circuito è che se c'è rumore sull'alimentazione, questo viene iniettato nel percorso del segnale ed amplificato di un bel po'. Prova a vedere se con questa modifica la situazione migliora leggermente:
Ho aggiunto un filtro RC formato da C8 e R11, è un vecchio trucco che si usava già tanti anni fa, quando i regolatori integrati non c'erano o costavano cari. Se usi un alimentatore a commutazione, potresti ritrovarti con dei disturbi ad alta frequenza che il PSRR dell'operazionale (a proposito, qual è?) non riuscirà ad eliminare. In quel caso, sposta anche l'alimentazione dell'operazionale a valle della resistenza da R11.
Follow me on Mastodon: @davbucci@mastodon.sdf.org
-

DarwinNE
31,0k 7 11 13 - G.Master EY

- Messaggi: 4420
- Iscritto il: 18 apr 2010, 9:32
- Località: Grenoble - France
0
voti
Si,quel tipo di alimentatori sono assolutamente inadatti per applicazioni audio e,oltre a usare un alimentatorino "dedicato" ,ti consiglierei piuttosto di alimentare con una batteria "transistor" da 9 V magari alcalina (tipo duracell per intenderci) che,visto l'esiguo assorbimento del circuito ti assicurerebbe una autonomia piuttosto lunga (a patto di inserire un semplice interruttore per spegnerlo quando non lo usi),poi i preamplificatori,specie per microfono che hanno una elevata sensibilità/altissima impedenza di ingresso devono obbligatoriamente essere ben schermati pena la captazione per accoppiamento capacitivo di "ronzio di alternata" da...tutte le parti ! (senza contare l'importanza di un corretto layout per evitare "motorboating" e disturbi vari) insomma,sembra facile ma non lo è ! Inoltre'dove hai preso quel circuito ? Lo hai progettato tu ? Te lo chiedo perché (e non sono certo un esperto !) ci vedo dei gravi errori concettuali : Il più evidente (a mio parere) è il guadagno del primo stadio (identico al secondo); 101 volte in tensione !? Un buon amplificatore per essere "silenzioso" (tecnicamente si dice avere un buon rapporto segnale/rumore) dovrebbe,nel primo stadio guadagnare al massimo una ventina di volte (10 sarebbe meglio) poi gli stadi successivi possono guadagnare "quanto ti pare" (entro limiti ragionevoli !) perché unendo più stadi "in cascata" quello più influente dal punto di vista della figura di rumore è il primo e perché il guadagno complessivo è dato (banda passante permettendo) dal prodotto dei singoli guadagni in tensione (esprimendo esponenzialmente,cioè in dB si sommano) quindi,ammettendo di far guadagnare il primo 10 volte (in tensione) e il secondo 100 si avrebbe già un guadagno complessivo di ben 1000 volte ! Un altro grave errore è l'assoluta mancanza di limitazione "superiore" della banda passante (basta un semplice condensatorino in parallelo alla resistenza di controreazione di ogni opamp da calcolare "ad hoc" per limitare in banda audio); infine sarebbe anche il caso di "bufferare" l'uscita magari con un semplice BC547 in configurazione emitter follower,ottenendo così un circuito con uscita in bassa impedenza col notevole vantaggio di poter "allungare" senza problemi il cavo di collegamento con i devices successivi (o addirittura di poter usare un cavo non schermato). P.s. Chiedo come al solito scusa a chi ha già risposto nel frattempo ma...solita storia!


-

claudiocedrone
21,3k 4 7 9 - Master EY

- Messaggi: 15302
- Iscritto il: 18 gen 2012, 13:36
0
voti
Grazie a tutti delle risposte!
Premettendo che per il test del circuito posso farlo, preferirei non usare (dopo il test) batterie per almeno tre motivi:
Sì, l'avevo pensata come alternativa...quali sarebbero dei buoni tipi di alimentatori per applicazioni audio?
L'ho preso a questo indirizzo, con le modifiche che ho accennato. In più come integrato per gli opamp ho usato un CHN4558C della ST.
Anche a me sembrava strano che avessero stesse resistenze di retroazione e stesse impedenze di ingresso (e quindi stesso guadagno) . Sapevo che solitamente si usa come primissimo stadio uno stadio a basso guadagno e come secondo stadio uno a guadagno più alto ma non sapevo bene il motivo e quindi mi sono fidato del circuito
A mò di integratore? Anche questa è stata una delle cose a cui ho pensato ma, vedendo che il rumore era da 150 Hz fino ai 1000Hz ho pensato che tagliare alte frequenze sarebbe stato inutile per la soluzione del problema del rumore
Dovendo connettere il pre con in controllo di toni, ed essendo questo secondo stadio collegato immediatamente dopo il pre a distanze di 1 o 2 cm, posso evitare questo transistore? Magari sarà necessario all'uscita del finale?
Grazie della modifica. Testerò il prima possibile e vi farò sapere.
Per completezza vi linko i due circuiti del controllo toni e finale che sarei intenzionato ad usare in cascata al pre
Controllo toni
Finale (dell'intero sistema nel PDF userei appunto solo il finale)
Grazie
Giulio
marioursino ha scritto:Adesso non so se dipenda da quello o dal circuito ma prima di cercare in quest'ultimo proverei con una batteria.
claudiocedrone ha scritto:ti consiglierei piuttosto di alimentare con una batteria "transistor" da 9 V magari alcalina
DarwinNE ha scritto:Il consiglio dimarioursino di provare ad alimentare il circuito con una batteria mi pare molto valido.
Premettendo che per il test del circuito posso farlo, preferirei non usare (dopo il test) batterie per almeno tre motivi:
- Non mi piace inquinare e le batterie sono dei veleni per l'ambiente;
- Dovrei usarlo in sessioni di prova e fantomatici concerti (se vabbè
) e non vorrei rischiare di rimanere a terra con l'alimentazione; - In cascata al pre metterò un controllo di toni (alti, bassi) e il finale....tutti alimentati dalla stessa alimentazione 12V! Rischio quindi che i consumi totali mi abbattino molto la durata dela batteria.
claudiocedrone ha scritto:Si,quel tipo di alimentatori sono assolutamente inadatti per applicazioni audio e,oltre a usare un alimentatorino "dedicato"
Sì, l'avevo pensata come alternativa...quali sarebbero dei buoni tipi di alimentatori per applicazioni audio?
claudiocedrone ha scritto:dove hai preso quel circuito ? [...]
L'ho preso a questo indirizzo, con le modifiche che ho accennato. In più come integrato per gli opamp ho usato un CHN4558C della ST.
Anche a me sembrava strano che avessero stesse resistenze di retroazione e stesse impedenze di ingresso (e quindi stesso guadagno) . Sapevo che solitamente si usa come primissimo stadio uno stadio a basso guadagno e come secondo stadio uno a guadagno più alto ma non sapevo bene il motivo e quindi mi sono fidato del circuito
claudiocedrone ha scritto:Un altro grave errore è l'assoluta mancanza di limitazione "superiore" della banda passante
A mò di integratore? Anche questa è stata una delle cose a cui ho pensato ma, vedendo che il rumore era da 150 Hz fino ai 1000Hz ho pensato che tagliare alte frequenze sarebbe stato inutile per la soluzione del problema del rumore
claudiocedrone ha scritto:infine sarebbe anche il caso di "bufferare" l'uscita magari con un semplice BC547 in configurazione emitter follower
Dovendo connettere il pre con in controllo di toni, ed essendo questo secondo stadio collegato immediatamente dopo il pre a distanze di 1 o 2 cm, posso evitare questo transistore? Magari sarà necessario all'uscita del finale?
DarwinNE ha scritto:Prova a vedere se con questa modifica la situazione migliora leggermente [...]
Grazie della modifica. Testerò il prima possibile e vi farò sapere.
Per completezza vi linko i due circuiti del controllo toni e finale che sarei intenzionato ad usare in cascata al pre
Controllo toni
Finale (dell'intero sistema nel PDF userei appunto solo il finale)
Grazie
Giulio
0
voti
Dal pre...ncipio ! 
-

claudiocedrone
21,3k 4 7 9 - Master EY

- Messaggi: 15302
- Iscritto il: 18 gen 2012, 13:36
0
voti
Un commento costruttivo sarebbe indicarmi cosa studiarmi o darmi qualche dritta. Un commento poco costruttivo è invece quello tuo. Grazie ma penso di riuscire a fare un acquisto da solo senza che nessuno me lo consigli.
0
voti
Ero praticamente sicuro che ti saresti offeso ma...me ne sono fregato
Ti assicuro che il mio post è...costruttivissimo ! Comunque provo ad accontentarti consigliandoti di studiare tutto ciò di attinente all'elettronica che sia applicata all'audio e le dritte sono: Non puoi pretendere di cantare (o similia) con un microfono improvvisato,il microfono deve essere quantomeno a uscita bilanciata,il preamplificatore deve di conseguenza essere per segnali bilanciati e per microfono "da voce" (e non per "riprese ambientali"!),opamp diversi non sono affatto intercambiabili "senza colpo ferire",ad es. il NE 5532 esce a bassa impedenza,tanto e vero che può benissimo pilotare una cuffia (e si spiega così il perché in quello schema non c'era bisogno di bufferare l'out) mentre MC 4558,tl 082 e simili no (ed è un appunto che rivolgo indirettamente anche all'autore del controllo toni che hai linkato;anni fa scoprendo che il 5532 era "a bassissimo rumore" ne comprai alcuni per sostituire i tl 082 del mio doppio distorsore e del pre del mio combo per chitarra autocostruiti ottenendone effetti tragicomici,tipo ritardi nel segnale e effetto "scatola ovattata" risolti...rimettendo i tl 082 !)il controllo toni deve essere anche lui "dedicato",quelli adatti per "hi-fi" operano su bande di frequenza completamente diverse (in un altro thread ho esemplificato la questione nel confronto con un controllo per chitarra) e infine (siamo alle solite) con un finale alimentato a 12 V (tranne "acrobazie" switching) la potenza di uscita risulterebbe così bassa che una chitarra acustica ti sovrasterebbe. 

-

claudiocedrone
21,3k 4 7 9 - Master EY

- Messaggi: 15302
- Iscritto il: 18 gen 2012, 13:36
15 messaggi
• Pagina 1 di 2 • 1, 2
Chi c’è in linea
Visitano il forum: Nessuno e 106 ospiti

Elettrotecnica e non solo (admin)
Un gatto tra gli elettroni (IsidoroKZ)
Esperienza e simulazioni (g.schgor)
Moleskine di un idraulico (RenzoDF)
Il Blog di ElectroYou (webmaster)
Idee microcontrollate (TardoFreak)
PICcoli grandi PICMicro (Paolino)
Il blog elettrico di carloc (carloc)
DirtEYblooog (dirtydeeds)
Di tutto... un po' (jordan20)
AK47 (lillo)
Esperienze elettroniche (marco438)
Telecomunicazioni musicali (clavicordo)
Automazione ed Elettronica (gustavo)
Direttive per la sicurezza (ErnestoCappelletti)
EYnfo dall'Alaska (mir)
Apriamo il quadro! (attilio)
H7-25 (asdf)
Passione Elettrica (massimob)
Elettroni a spasso (guidob)
Bloguerra (guerra)


