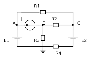
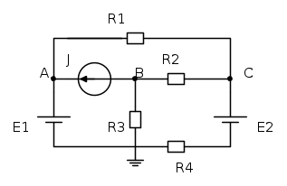
, la corrente
, ma viene sbagliato, dove sbaglio?
Moderatori:
g.schgor,
IsidoroKZ
, la corrente
, ma viene sbagliato, dove sbaglio?
tino20 ha scritto:quel sistema lo scrivo utilizzando il metodo dei potenziali nodali e si viene fuori direttamente così, che poi equivale a scrivere le LKC
tino20 ha scritto:si ho l'ho letto, ma oltre a quei segni anche quelli dei coefficienti sono invertiti
Torna a Elettrotecnica generale
Visitano il forum: Google Adsense [Bot] e 58 ospiti