Salve a tutti, sono nuovo, studio ing. elettronica, volevo proporvi 2 questiti che ho avuto difficoltà a risolvere.
Due circuiti nel dominio della frequenza
Moderatori:
g.schgor,
IsidoroKZ
15 messaggi
• Pagina 1 di 2 • 1, 2
0
voti
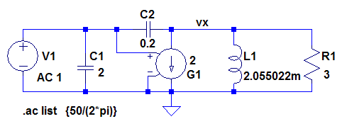
eccone un altro
Ultima modifica di
RenzoDF il 18 giu 2013, 13:10, modificato 3 volte in totale.
Motivazione: Dopo aver ridimensionato, Inserire immagine in linea con il testo per evitare lo sconfinamento a destra.
Motivazione: Dopo aver ridimensionato, Inserire immagine in linea con il testo per evitare lo sconfinamento a destra.
-

stefanox92
0 3 - Messaggi: 2
- Iscritto il: 4 apr 2012, 22:27
2
voti
Prova a postare i tuoi procedimenti
Per i disegni usa fidocadJ e per le formule LaTeX
Per i disegni usa fidocadJ e per le formule LaTeX
Emanuele Lorina
- Chi lotta contro i mostri deve fare attenzione a non diventare lui stesso un mostro. E se tu riguarderai a lungo in un abisso, anche l'abisso vorrà guardare dentro di te (F. Nietzsche)
- Tavole della legge by admin
- Chi lotta contro i mostri deve fare attenzione a non diventare lui stesso un mostro. E se tu riguarderai a lungo in un abisso, anche l'abisso vorrà guardare dentro di te (F. Nietzsche)
- Tavole della legge by admin
-

Lele_u_biddrazzu
8.154 3 8 13 - Master EY

- Messaggi: 1288
- Iscritto il: 23 gen 2007, 16:13
- Località: Modena
8
voti
Visto che il postante se ne e' andato in vacanza, ne approfitto per risolvere ... poi cancello la soluzione a Pasquetta.
a) Per il primo
Ricavando il circuito equivalente di Thevenin visto da R1, per ZTh avremo la serie fra i due rami del mutuo induttore (Za) in parallelo con il parallelo di R con R-C (Zb)



per le condizioni di adattamento energetico avremo quindi che la resistenza del resistore R1 che rende massimo il trasferimento di potenza dovra' essere

La f.e.m. del generatore equivalente, pari alla differenza di potenziale fra i due morsetti, sara' ricavabile con due partitori di tensione

la potenza su R1 sara' quindi

essendo la corrente erogata da Vg in fase alla stessa, si avra' potenza reattiva erogata nulla e potenza attiva doppia

Controlliamo usando LTspice con una simulazione AC per controllare modulo e fase della potenza su R1; con una direttiva spice .step param Ru 1 10 .1 possiamo analizzare la potenza su R1 al variare di R1 da 1 ohm a 10 ohm
ottenendo conferma al risultato ottenuto per PRmax
-------
b) Per il secondo
Scritte le due equazioni alla rete,

supponendo di alimentarla con un generatore di prova con f.e.m. di modulo unitario ed argomento nullo

dalla quale (con un po' di pazienza) si puo' ricavare la corrente in ingresso

che dovra' avere argomento complessivo nullo e uguale per numeratore e denominatore, quindi

relazione che impone

che porta a soluzioni reali per L solo se

Fra le infinite soluzioni, scelta per esempio una pulsazione

avremo le due soluzioni

che portano ad una corrente assorbita

BTW se pero' si prova a verificare con LTspice ...
la soluzione, sembra non confermare i calcoli, why?
... mentre Tina e SpiceOpus invece concordano
a) Per il primo
Ricavando il circuito equivalente di Thevenin visto da R1, per ZTh avremo la serie fra i due rami del mutuo induttore (Za) in parallelo con il parallelo di R con R-C (Zb)



per le condizioni di adattamento energetico avremo quindi che la resistenza del resistore R1 che rende massimo il trasferimento di potenza dovra' essere

La f.e.m. del generatore equivalente, pari alla differenza di potenziale fra i due morsetti, sara' ricavabile con due partitori di tensione

la potenza su R1 sara' quindi

essendo la corrente erogata da Vg in fase alla stessa, si avra' potenza reattiva erogata nulla e potenza attiva doppia

Controlliamo usando LTspice con una simulazione AC per controllare modulo e fase della potenza su R1; con una direttiva spice .step param Ru 1 10 .1 possiamo analizzare la potenza su R1 al variare di R1 da 1 ohm a 10 ohm
ottenendo conferma al risultato ottenuto per PRmax
-------
b) Per il secondo
Scritte le due equazioni alla rete,

supponendo di alimentarla con un generatore di prova con f.e.m. di modulo unitario ed argomento nullo

dalla quale (con un po' di pazienza) si puo' ricavare la corrente in ingresso

che dovra' avere argomento complessivo nullo e uguale per numeratore e denominatore, quindi

relazione che impone

che porta a soluzioni reali per L solo se

Fra le infinite soluzioni, scelta per esempio una pulsazione

avremo le due soluzioni

che portano ad una corrente assorbita

BTW se pero' si prova a verificare con LTspice ...
la soluzione, sembra non confermare i calcoli, why?
... mentre Tina e SpiceOpus invece concordano
"Il circuito ha sempre ragione" (Luigi Malesani)
2
voti
RenzoDF ha scritto:[...] pero' si prova a verificare con LTspice ...la soluzione, sembra non confermare i calcoli, why?[...]]
.....mmmmmm secondo me ci vuole un hack(er)
Se ti serve il valore di beta: hai sbagliato il progetto!
2
voti
carloc ha scritto:.....mmmmmm secondo me ci vuole un hack(er)
No no, e' semplice, bastava leggere, ma io non lo riuscivo proprio a capire ... se non quando Helmut me l'ha ricordato
"Il circuito ha sempre ragione" (Luigi Malesani)
3
voti
Per essere semplice è come tutte le cose...se le sai sono semplici 
però un hack ci vuole
o meglio si può fare anche con un hack 
però un hack ci vuole
Se ti serve il valore di beta: hai sbagliato il progetto!
2
voti
carloc ha scritto:... però un hack ci vuoleo meglio si può fare anche con un hack
L'ho capita in ritardo ... come al solito
... comunque anche senza "hakkare", in fondo alla finestra di inserimento c'era pure scritto

Soluzione: in LTspice l'induttore, di default, ha una resistenza serie di 1 milliohm, volendo porla a zero bisogna specificarlo con uno 0 oppure spuntare in Hacks! Rser=0, come suggerito da
"Il circuito ha sempre ragione" (Luigi Malesani)
1
voti
RenzoDF ha scritto:[...] in fondo alla finestra di inserimento c'era pure scritto
Noooooo..... ma lo sai che non lo avevo mai notato

Se ti serve il valore di beta: hai sbagliato il progetto!
0
voti
carloc ha scritto:Noooooo..... ma lo sai che non lo avevo mai notato
Manco io, e lo ho dovuto chiedere sull' LTspice/SwitcherCAD III - Groups - Yahoo! ... perche' dell'Hackkare non mi era venuto in mente
"Il circuito ha sempre ragione" (Luigi Malesani)
15 messaggi
• Pagina 1 di 2 • 1, 2
Torna a Elettrotecnica generale
Chi c’è in linea
Visitano il forum: Nessuno e 7 ospiti

Elettrotecnica e non solo (admin)
Un gatto tra gli elettroni (IsidoroKZ)
Esperienza e simulazioni (g.schgor)
Moleskine di un idraulico (RenzoDF)
Il Blog di ElectroYou (webmaster)
Idee microcontrollate (TardoFreak)
PICcoli grandi PICMicro (Paolino)
Il blog elettrico di carloc (carloc)
DirtEYblooog (dirtydeeds)
Di tutto... un po' (jordan20)
AK47 (lillo)
Esperienze elettroniche (marco438)
Telecomunicazioni musicali (clavicordo)
Automazione ed Elettronica (gustavo)
Direttive per la sicurezza (ErnestoCappelletti)
EYnfo dall'Alaska (mir)
Apriamo il quadro! (attilio)
H7-25 (asdf)
Passione Elettrica (massimob)
Elettroni a spasso (guidob)
Bloguerra (guerra)

