ecco :
Ronzio amplificatore
Moderatori:
carloc,
g.schgor,
BrunoValente,
IsidoroKZ
17 messaggi
• Pagina 2 di 2 • 1, 2
0
voti
ciao, ho realizzato numerosi amplificatori con questo integrato e spesso ho avuto problemi come il tuo...
per risolvere devi utilizzare ovviamente le reti di protezione che consiglia anche il datasheet, e seguire le solite norme come massa comune e niente fili volanti....se ci facessi vedere una foto della realizzazione sarebbe piu facile capire il problema!! spesso succede che l ampli si mette in condizioni di auto-oscillazione creando strani rumori!
ciao, torla91.
per risolvere devi utilizzare ovviamente le reti di protezione che consiglia anche il datasheet, e seguire le solite norme come massa comune e niente fili volanti....se ci facessi vedere una foto della realizzazione sarebbe piu facile capire il problema!! spesso succede che l ampli si mette in condizioni di auto-oscillazione creando strani rumori!
ciao, torla91.
3
voti
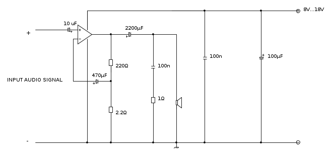
Non so perché non vedo lo schema di dean95, quindi lo riposto. Ciao :)
0
voti
dean95 ha scritto:ho realizzato su breadboard un amplificatore mono da 8W ( TDA 2002) utilizzando fili rigidi (di norma).....
ho notato che c'è un rumore di sottofondo o anche ronzii lievi che rovinano il livello sonoro dello speaker.....
...premetto che alimentazione deriva da un accumulatore.quindi il ronzio dell'alternata è a escludere...
Non hai specificato cosa hai collegato in ingresso.
Devi anzitutto cortocircuitare l'ingresso con il meno e verificare se il ronzio cessa.
Se cessa allora la causa è esterna e va cercata nei dispositivi collegati all'ingresso.
Se, nonostante l'ingresso cortocircuitato, il ronzio persiste, allora potrebbe trattarsi di auto-oscillazioni del circuito: le auto-oscillazioni possono insorgere a causa di un cablaggio mal progettato.
Per verificare questo puoi provare ad avvicinare una mano al circuito e controllare se il ronzio si modifica cambiando tonalità o sparisce.
Come prima regola devi collegare il C da 100nF vicinissimo ai pin di alimentazione dell'integrato, poi devi realizzare il collegamento al riferimento (negativo) in un unico punto dove confluiscano tutti collegamenti.
-

BrunoValente
39,6k 7 11 13 - G.Master EY

- Messaggi: 7796
- Iscritto il: 8 mag 2007, 14:48
0
voti
grazie cinque per aver riposto lo schema nella forma corretta.....avevo già fatto come hai detto tu (cortociruitare l'ingresso è d'obbligo in quanto è mono).
ho semplicemente messo vicino il condensatore da 100n vicinissiimo,quasi attaccato a quello da 100uF(polarizzato) e vicinissimo all'alimentazione e che dire=
ronzio zero.....
suono perfetto anche se distorce un po' aumentando il volume del dispositivo che lo pilota.........
a dir poco spettacolare.....ho solo fatto questo rispetto a prima.....nel fare il circuito su millefori riunisco le masse in unico punto??su breadboard non l'ho fatto,ma funziona bene l'mplificatore.......che faccio??
grazie infinite BrunoValente !!!
infatti avevo letto da qualche parte che i condensatori devono essere più vicini possibile...c'è una spiegazione scientifica?
una domanda esterna: ma certi circuiti è meglio realizzarli usando componenti in SMD perché soffrono di meno delle interferenze o qualcosa del genere??
ho semplicemente messo vicino il condensatore da 100n vicinissiimo,quasi attaccato a quello da 100uF(polarizzato) e vicinissimo all'alimentazione e che dire=
ronzio zero.....
suono perfetto anche se distorce un po' aumentando il volume del dispositivo che lo pilota.........
a dir poco spettacolare.....ho solo fatto questo rispetto a prima.....nel fare il circuito su millefori riunisco le masse in unico punto??su breadboard non l'ho fatto,ma funziona bene l'mplificatore.......che faccio??
grazie infinite BrunoValente !!!
infatti avevo letto da qualche parte che i condensatori devono essere più vicini possibile...c'è una spiegazione scientifica?
una domanda esterna: ma certi circuiti è meglio realizzarli usando componenti in SMD perché soffrono di meno delle interferenze o qualcosa del genere??
1
voti
oddio, se il layout è fatto male ti assicuro che soffrono anche quelli...ma certi circuiti è meglio realizzarli usando componenti in SMD perché soffrono di meno delle interferenze o qualcosa del genere??
Diciamo che gli SMD hanno molti pregi ma anche dei limiti, rispetto ai THD.

1
voti
Oltre a quanto detto da [user]cinque[/user] ti ricordo che in questo tipo di circuiti il layout e' molto importante al fine di non incontrare poi spiacevoli sorprese.
Se tu avessi letto il datasheet dell'integrato che hai usato ( e come dice qualcuno su questo forum "nel datasheet si trova tutto, anche gli errori!"), avresti potuto vedere che in quello della Fairchild ci sono suggerimenti e consigli anche sul posizionamento dei componenti ed il disegno del PCB; cio' proprio per evitare malfunzionamenti sul genere di quelli da te incontrati.

Se tu avessi letto il datasheet dell'integrato che hai usato ( e come dice qualcuno su questo forum "nel datasheet si trova tutto, anche gli errori!"), avresti potuto vedere che in quello della Fairchild ci sono suggerimenti e consigli anche sul posizionamento dei componenti ed il disegno del PCB; cio' proprio per evitare malfunzionamenti sul genere di quelli da te incontrati.

marco
17 messaggi
• Pagina 2 di 2 • 1, 2
Chi c’è in linea
Visitano il forum: Nessuno e 192 ospiti

Elettrotecnica e non solo (admin)
Un gatto tra gli elettroni (IsidoroKZ)
Esperienza e simulazioni (g.schgor)
Moleskine di un idraulico (RenzoDF)
Il Blog di ElectroYou (webmaster)
Idee microcontrollate (TardoFreak)
PICcoli grandi PICMicro (Paolino)
Il blog elettrico di carloc (carloc)
DirtEYblooog (dirtydeeds)
Di tutto... un po' (jordan20)
AK47 (lillo)
Esperienze elettroniche (marco438)
Telecomunicazioni musicali (clavicordo)
Automazione ed Elettronica (gustavo)
Direttive per la sicurezza (ErnestoCappelletti)
EYnfo dall'Alaska (mir)
Apriamo il quadro! (attilio)
H7-25 (asdf)
Passione Elettrica (massimob)
Elettroni a spasso (guidob)
Bloguerra (guerra)





