Avrei bisogno di questo circuito: se A acceso B spento
Moderatori:
carloc,
g.schgor,
BrunoValente,
IsidoroKZ
16 messaggi
• Pagina 1 di 2 • 1, 2
0
voti
Vi spiego in pratica come deve essere: ho un pozzo dove ho 2 pompe una principale e una secondaria, dovrei fare in modo che se si accende la secondaria la prima si spenga. Le due pompe sono alimentate a 220 V. Avete un circuito che faccia al mio caso ?
2
voti
Se ho capito bene quello che vuoi fare, ti basta un commutatore a due vie che alimenti ora l'una ora l'altra delle pompe.
Altrimenti spiegati meglio.
Altrimenti spiegati meglio.
marco
0
voti
se non sbaglio il commutatore non è "automatico". Ho bisogno di un circuito che automaticamente stacchi la corrente alla prima pompa se la seconda è in funzione.
2
voti
Allora devi essere piu' chiaro; per esempio, cosa vuol dire :
"dovrei fare in modo che se si accende la secondaria la prima si spenga."
Chi la accende? Si accende in automatico? C'e' un timer?
"dovrei fare in modo che se si accende la secondaria la prima si spenga."
Chi la accende? Si accende in automatico? C'e' un timer?
marco
0
voti
Scusa, hai ragione...
Ecco sarò super dettagliato !
Ho due pompe che definisco pompa A e pompa B.
A è decisamente meno potente di B e molto più vecchia e si deve sforzare di meno. B è molto potente.
Quando il pozzo in cui sono posizionate è messo a dura prova e supera un certo livello B si dovrebbe accendere e tirare su l'acqua, nello stesso momento A si dovrebbe rimanere spenta. Vicerversa quando A è accesa perché il livello dell'acqua è superiore alla prima pompa, ma inferiore alla seconda B dovrebbe essere spenta.
Recapitolando se B=ON->A=OFF. Se A=ON->B=OFF. Ora i sensori di livello dell'acqua che sono nelle pompe mi vengono già in aiuto perché se A è spenta automaticamente B è spenta perché l'acqua non la ragiunge... se B=OFF A rimane accesa sempre per lo stesso motivo.
Il circuito di cui ho bisogno deve semplicemente essere in grado di rilevare se la pompa B è accesa e in tal caso spegnere A. In caso contrario lasciare indisturbata A
spero di essermi spiegato e di non averti confuso peggio le idee :S
Ecco sarò super dettagliato !
Ho due pompe che definisco pompa A e pompa B.
A è decisamente meno potente di B e molto più vecchia e si deve sforzare di meno. B è molto potente.
Quando il pozzo in cui sono posizionate è messo a dura prova e supera un certo livello B si dovrebbe accendere e tirare su l'acqua, nello stesso momento A si dovrebbe rimanere spenta. Vicerversa quando A è accesa perché il livello dell'acqua è superiore alla prima pompa, ma inferiore alla seconda B dovrebbe essere spenta.
Recapitolando se B=ON->A=OFF. Se A=ON->B=OFF. Ora i sensori di livello dell'acqua che sono nelle pompe mi vengono già in aiuto perché se A è spenta automaticamente B è spenta perché l'acqua non la ragiunge... se B=OFF A rimane accesa sempre per lo stesso motivo.
Il circuito di cui ho bisogno deve semplicemente essere in grado di rilevare se la pompa B è accesa e in tal caso spegnere A. In caso contrario lasciare indisturbata A
spero di essermi spiegato e di non averti confuso peggio le idee :S
1
voti
Allora basta collegare la bobina di un rele' ai cavi di alimentazione della pompa B e configurare i contatti in modo da toglierla alla pompa A.
marco
0
voti
mmm... non ho capito !
Se non è troppo e se hai tempo mi dai lo schema di questo circuito ? Oppure se si trova online, mi posti il link? ....
Grazie ancora!
Edit: intanto mi leggo questo articolo sui relè:http://www.electroyou.it/vis_resource.php?id=83§ion=RP
Se non è troppo e se hai tempo mi dai lo schema di questo circuito ? Oppure se si trova online, mi posti il link? ....
Grazie ancora!
Edit: intanto mi leggo questo articolo sui relè:http://www.electroyou.it/vis_resource.php?id=83§ion=RP
2
voti
fra le due pompe occorre aggiungere un interblocco di tipo elettrico, utilizzando dei contatti ausiliari dei rispettivi contattori di marcia, ma questo tipo di modifica prevede un'attenta verifica dei circuiti di comando delle due pompe ed il che significa un lavoro elettrico indicato ad una persona esperta : elettricista.
0
voti
secondo me la stai facendo troppo complicata...
Ho queste due pompe che sono già installate e che hanno due cavi differenti. L'idea era quella come suggeriva marco, di controllare attraverso una bobbina se ci fosse passaggio di corrente su la prima per creare un blocco sulla seconda.... Non creado che questo lavoro richieda l'intervento di un elettricista, e in tutti i casi è una cosa dove voglio riuscire io. Nonostante stia lavorando sulla 220 non la credo nemmeno pericoloso perché non la vado a toccare direttamente.
Avete per caso lo schema di quel che suggeriva marco438?
l'idea da cui volevo partire era questa:
Ora però al posto del buzzer ci va un interruttore per l'altra 220 V però non so come posizionarlo...
EDIT2:ho trovato questo, che dite fa al caso mio? si può adattare ?
In pratica dovrei invertire la funzione di quell'interruttore alla fine in modo da aprire flusso invece che chiuderlo
Ho queste due pompe che sono già installate e che hanno due cavi differenti. L'idea era quella come suggeriva marco, di controllare attraverso una bobbina se ci fosse passaggio di corrente su la prima per creare un blocco sulla seconda.... Non creado che questo lavoro richieda l'intervento di un elettricista, e in tutti i casi è una cosa dove voglio riuscire io. Nonostante stia lavorando sulla 220 non la credo nemmeno pericoloso perché non la vado a toccare direttamente.
Avete per caso lo schema di quel che suggeriva marco438?
l'idea da cui volevo partire era questa:
Ora però al posto del buzzer ci va un interruttore per l'altra 220 V però non so come posizionarlo...
EDIT2:ho trovato questo, che dite fa al caso mio? si può adattare ?
In pratica dovrei invertire la funzione di quell'interruttore alla fine in modo da aprire flusso invece che chiuderlo
1
voti
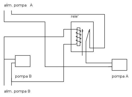
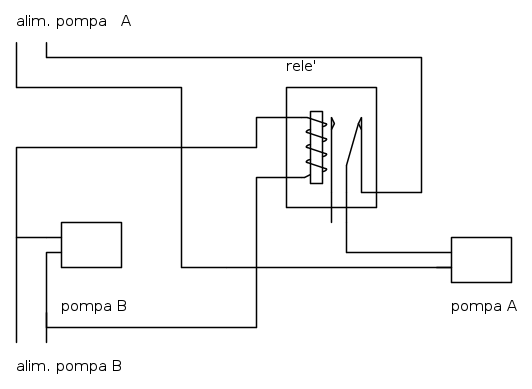
Se, come ho capito le due pompe hanno due diversi cavi di alimentazione, la cosa puo' essere risolta cosi':
In condizioni normali (posizione del rele' come indicata e pompa B che non riceve tensione) funziona la pompa A. Quando la pompa B riceve tensione, si eccita la bobina rele' che stacca il contatto dell'alimentazione alla A.
Naturalmente il rele' dovra' avere una bobina a 230Vac e contatti di potenza adeguata a quella della pompa.
Nonostante quello che hai scritto, ricordati che stai lavorando con la 230V e che quindi i collegamenti dovranno essere fatti con tensione disinserita.
P.S. I due schemi postati non servono per quello che vuoi fare.
In condizioni normali (posizione del rele' come indicata e pompa B che non riceve tensione) funziona la pompa A. Quando la pompa B riceve tensione, si eccita la bobina rele' che stacca il contatto dell'alimentazione alla A.
Naturalmente il rele' dovra' avere una bobina a 230Vac e contatti di potenza adeguata a quella della pompa.
Nonostante quello che hai scritto, ricordati che stai lavorando con la 230V e che quindi i collegamenti dovranno essere fatti con tensione disinserita.
P.S. I due schemi postati non servono per quello che vuoi fare.
marco
16 messaggi
• Pagina 1 di 2 • 1, 2
Chi c’è in linea
Visitano il forum: Nessuno e 80 ospiti

Elettrotecnica e non solo (admin)
Un gatto tra gli elettroni (IsidoroKZ)
Esperienza e simulazioni (g.schgor)
Moleskine di un idraulico (RenzoDF)
Il Blog di ElectroYou (webmaster)
Idee microcontrollate (TardoFreak)
PICcoli grandi PICMicro (Paolino)
Il blog elettrico di carloc (carloc)
DirtEYblooog (dirtydeeds)
Di tutto... un po' (jordan20)
AK47 (lillo)
Esperienze elettroniche (marco438)
Telecomunicazioni musicali (clavicordo)
Automazione ed Elettronica (gustavo)
Direttive per la sicurezza (ErnestoCappelletti)
EYnfo dall'Alaska (mir)
Apriamo il quadro! (attilio)
H7-25 (asdf)
Passione Elettrica (massimob)
Elettroni a spasso (guidob)
Bloguerra (guerra)



