Cos'è ElectroYou | Login Iscriviti

ElectroYou - la comunità dei professionisti del mondo elettrico

Oscillatore con LM311

Elettronica lineare e digitale: didattica ed applicazioni

Moderatori: Foto Utentecarloc, Foto Utenteg.schgor, Foto UtenteBrunoValente, Foto UtenteIsidoroKZ

0
voti

[21] Re: Oscillatore con LM311

Messaggioda Foto Utentedarkweader » 12 apr 2012, 16:46

gohan ha scritto:Progetti in rete ce ne sono tanti, io ne ho uno qui con me, dovresti solo tradurre un po' di spagnolo, in più il firmware è scritto in Assembly e non è commentato..
Vedi tu, pensa bene a quello che vuoi fare, e se ti interessa..


mi interesserebbe il progetto che ti ritrovi, anche perché vorrei programmare il micro in assembly.
che microcontrollore utilizza?
Avatar utente
Foto Utentedarkweader
61 2 7
Frequentatore
Frequentatore
 
Messaggi: 271
Iscritto il: 8 mag 2011, 17:32

1
voti

[22] Re: Oscillatore con LM311

Messaggioda Foto Utentesimo85 » 12 apr 2012, 17:50

Qui ce n'è uno. A disposizione ne ho un altro con il PIC16F84, mi sembrava di averlo allegato qui sul forum, ma a quanto sembra non è così e lo devo cercare.. :( Da qualche parte ce l'ho..
Avatar utente
Foto Utentesimo85
30,9k 7 12 13
Disattivato su sua richiesta
 
Messaggi: 9927
Iscritto il: 30 ago 2010, 4:59

0
voti

[23] Re: Oscillatore con LM311

Messaggioda Foto Utentedarkweader » 12 apr 2012, 21:06

Questo è il circuito che avevo postato inizialmente:

CIRCUITO1


che dovrebbe essere un oscillatore a rilassamento, come mi avevi indirizzato inizialmente tu, ora però devo dimensionarlo in base alle mie necessità, ma ho alcune perplessità =P~

Allora sul testo che sto utilizzando "Corso di Elettronica 3" descrive l'oscillatore a rilassamento, come un circuito costituito da un Comparatore con isteresi (Trigger di Schmitt) e da un integratore R-C.

Andando con ordine pongo solo alcuni "questiti".

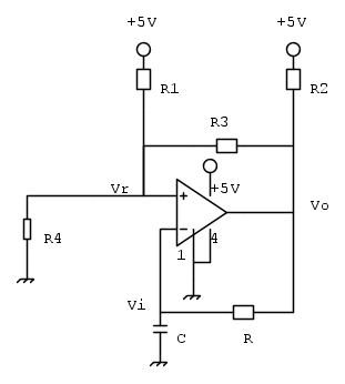
Sono andato quindi a vedere il comparatore di tensione, guardando il primo schema mi pare si tratti di un comparatore invertente, in quanto il segnale d'ingresso è costituito dalla tensione sul condensatore, mentre il segnale di riferimento è dato dal partitore di tensione.

CIRCUITO2


Il comparatore con isteresi, realizza il riferimento tramite la retroazione positiva, si hanno quindi due valori di riferimento, V_r_h  V_r_l e l'isteresi V_H=V_r_h-V_r_l

Essendo che devo realizzare successivamente il circuito, preferisco (ed ora capisco il primo schema postato) di avere una sola tensione di alimentazione.

Il testo dice " se il comparatore è a singola alimentazione i due riferimenti devono essere compresi tra 0 e Vcc, per cui è necessario inserire una terza resistenza"


CIRCUITO3



tuttavia può sembrare banale, ma non capisco perché deve essere inserita questa resistenza, che infatti spiega la resistenza R1 del primo circuito 1.
Avatar utente
Foto Utentedarkweader
61 2 7
Frequentatore
Frequentatore
 
Messaggi: 271
Iscritto il: 8 mag 2011, 17:32

0
voti

[24] Re: Oscillatore con LM311

Messaggioda Foto Utentesimo85 » 12 apr 2012, 21:24

darkweader ha scritto:Il testo dice " se il comparatore è a singola alimentazione i due riferimenti devono essere compresi tra 0 e Vcc, per cui è necessario inserire una terza resistenza"

Si, ma non ti confondere troppo. LM311 ha bisogno di una resistenza di pull-up si o si, altrimenti non funziona, dato che ha l'output open collector.

Nel caso di un operazionale "qualunque" o comparatore "open collector output" ad alimentazione singola,



Senza R1 non avresti la condizione di "instabilità". Riesci a vederla?
Avatar utente
Foto Utentesimo85
30,9k 7 12 13
Disattivato su sua richiesta
 
Messaggi: 9927
Iscritto il: 30 ago 2010, 4:59

0
voti

[25] Re: Oscillatore con LM311

Messaggioda Foto Utentedarkweader » 12 apr 2012, 22:32

Sul resistore di pull-up ci sono, non l'ho introdotto, perché voglio andare per gradi,
tuttavia senza inserire la rete RC, questa instabilità non riesco proprio a vederla, sul testo tra l'altro non ne parla affatto.

Sto cercando di capire solo il CIRCUITO3, lasciando stare che tipo di comparatore sia, ma solo il motivo percui a singola alimentazione ci vuole questa resistenza, mentre in caso contrario no.


Ps. visto che l'hai introdotto, se utilizzassi un comparatore che non sia open collector, e quindi non ci fosse bisogno della resistenza di pull-up, il circuito, in linea di principio funzionerebbe comunque?
poi sul resistore di pull-up e comparatore open collector aggiungo i dubbi che ho in seguito. O_/
Avatar utente
Foto Utentedarkweader
61 2 7
Frequentatore
Frequentatore
 
Messaggi: 271
Iscritto il: 8 mag 2011, 17:32

2
voti

[26] Re: Oscillatore con LM311

Messaggioda Foto Utentesimo85 » 12 apr 2012, 23:47

darkweader ha scritto:questa instabilità non riesco proprio a vederla

Hai capito come funziona l'oscillatore?
Sto cercando di capire solo il CIRCUITO3, lasciando stare che tipo di comparatore sia, ma solo il motivo percui a singola alimentazione ci vuole questa resistenza, mentre in caso contrario no.

Vediamo se riesco a spiegarmi..



Se il circuito è ad alimentazione singola e supponiamo che l'output di IC1 è V_\text{OUT} \approx V_\text{DD}, C1 si carica fino a quando V_- > V_+ (R3 ed R2 formano un divisore di tensione). Una volta che V_- > V_+ l'output passa a 0V e così anche V_+, ma anche se si scarica C1, V_- sará sempre maggiore di V_+..
Quello che succede in pratica è che togli permanentemente la tensione di soglia di V_+ per la condizione di l'instabilità. Questo non succede con alimentazione duale..
Vedi anche il datasheet dell'LM358 a pagina 15 "Square Wave Oscillator" in "Typical Single Supply Applications". Non vedi lo stesso circuito del messaggio [24]?

se utilizzassi un comparatore che non sia open collector, e quindi non ci fosse bisogno della resistenza di pull-up, il circuito, in linea di principio funzionerebbe comunque?

Un comparatore non è un operazionale, ed i comparatori sono, se non sempre, ad open collector.

"Overall, the operational amplifier (op amp) is optimized to provide accuracy and stability (both dc and dynamic) for a specified linear range of output values in precision closed-loop (feedback) circuits. However, when an open-loop amplifier is used as a comparator, with its outputs swinging between their limits, its internal compensation capacitance—used to provide dynamic stability—causes the output to be slow to come out of saturation and slew through its output range. Comparators, on the other hand, are generally designed to operate open loop, with outputs slewing between specified upper and lower voltage limits in response to the sign of the net difference between the two inputs. Since they do not require the op amp’s compensation capacitors, they can be quite fast."

Da qui.
Presta anche attenzione alla Fig. 1 del link.
Infine, la resistenza di pull-up è una cosa, la resistenza di cui sto parlando io serve a quello che ti ho spiegato appena sopra.
poi sul resistore di pull-up e comparatore open collector aggiungo i dubbi che ho in seguito.

Scrivi e vedo se riesco a risponderti.
Avatar utente
Foto Utentesimo85
30,9k 7 12 13
Disattivato su sua richiesta
 
Messaggi: 9927
Iscritto il: 30 ago 2010, 4:59

0
voti

[27] Re: Oscillatore con LM311

Messaggioda Foto Utentedarkweader » 13 apr 2012, 0:25

Ok, ora mi è tutto chiaro, a cosa serva la Resistenza in più nel circuito a singola alimentazione.

Non sapevo che la maggior parte dei comparatori fossero open collector, mentre il resto delle considerazioni che hai fatto, o nei link che hai postato bene o male le avevo lette anche io.

Per quanto riguarda il resistore di pull-up: Correggimi se sbaglio

essendo LM311 un comparatore a collettore aperto, ciò significa come tu mi hai spiegato, che lo stadio finale presenta un BJT in cui il collettore collegato al pin di uscita è flottante, ovvero non è polarizzato.
Per polarizzarlo adeguatamente, si deve inserire inserire una resistenza per limitare la corrente.

1) Questa resistenza deve essere dimensionata in modo tale che la corrente sia inferiore a quella massima che può essere assorbita dall'integrato? Quindi in base al comparatore che scelgo di utilizzare (e al circuito), dimensiono tale resistenza?
Se si quale "voce" del datasheet devo guardare?

2)Se non ho capito male, il comparatore dovrebbe funzionare in modo tale che :
V^+>V^- il trsansistor è interdetto, e il compito di Rp è quello di portare la V_o al valore alto V_O_H
V^+<V^- il transistor è in saturazione allora V_O=V_O_L ed Rp deve essere dimensionata in modo tale che V_O_L\approx{o}


Sto sbagliando qualcosa?

Vorrei determinare le formule che mi permettano di dimensionare questo circuito, per fare in modo da avere un onda quadra( DC=50%) e poter determinare la frequenza.




Ma prima di fare ciò vorrei chiederti, supponiamo che il circuito sia già dimensionato, quindi alimentandolo io avrei un segnale ad onda quadra che ha un determinato Periodo/Frequenza.
Se nel punto A, inserisco una rete selettiva LC, cosa succede?
Avatar utente
Foto Utentedarkweader
61 2 7
Frequentatore
Frequentatore
 
Messaggi: 271
Iscritto il: 8 mag 2011, 17:32

0
voti

[28] Re: Oscillatore con LM311

Messaggioda Foto Utentesimo85 » 13 apr 2012, 0:45

darkweader ha scritto:Per polarizzarlo adeguatamente, si deve inserire inserire una resistenza per limitare la corrente. [...] Se si quale "voce" del datasheet devo guardare?

Si, la corrente non deve superare la I_\text{Sink(Max)} o I_\text{C(Max)}del BJT.
Sto sbagliando qualcosa?

Per il momento mi sembra di no. Quando V^+ > V^- si, il BJT è spento e, in assenza di carico, V_\text{OUT} = V_\text{DD}.
Questo è uno dei vantaggi di usare un Open Collector Output, ossia che la tensione di output è uguale o il più possibile prossima a quella di alimentazione o della tensione a cui è collegato il collettore tramite la resistenza.

Vorrei determinare le formule che mi permettano di dimensionare questo circuito...

Nel link di Wikipedia riportato prima ci sono i calcoli. Eventualmente vedo di trovare altro. In aggiunta, il duty cycle di un oscillatore RC come quello è sempre del 50%. Per alterare il duty cycle devi usare almeno un diodo. Guardacaso nel datasheet riporato prima hai un chiaro esempio di tutto questo. ;-)

Se nel punto A, inserisco una rete selettiva LC, cosa succede?

Non te lo so dire con certezza, tanto meno all'una meno un quarto di notte. :(
Se vuoi fare un oscillatore LC ci sono altre soluzioni, ben differenti da un oscillatore ad onda quadrata come quello in questione.
Avatar utente
Foto Utentesimo85
30,9k 7 12 13
Disattivato su sua richiesta
 
Messaggi: 9927
Iscritto il: 30 ago 2010, 4:59

0
voti

[29] Re: Oscillatore con LM311

Messaggioda Foto Utentedarkweader » 13 apr 2012, 1:01

non devo fare un oscillatore LC, ma un LCmeter,
comunque le formule ci sono (sui tuoi link, come sul mio libro)ma non per il circuito in questione,
a mio parere inserendo la resistenza di pull-up, non che la singola alimentazione e quindi la Resistenza (come nell'application note) le formule cambiano leggermente, anche se il ragionamento è sempre lo stesso però non ne sono sicuro,
il mio libro fa i calcoli solo per il caso "più semplice" doppia alimentazione e non mensiona minimamente i comparatori open collector, tranne che per realizzare una "AND Cablata",

faccio due calcoli e poi li posto, mi incasina un po' proprio la resistenza inserita per la singola alimentazione; in ogni caso tutto questo è giusto una cosa mia per capire a fondo il funzionamento di ciò che andrò ad usare.

Ai fini dell'LCmeter
Il mio problema è l'inserimento della rete selettiva.

Ti faccio un esempio, lcmeter che ho preso come esempio, ha una fo=600Khz, io mi domando, pechè proprio 600 kHz? e poi come ha dimensionato il generatore d'onda quadra, se tanto alla fine la frequenza si riduce alla frequenza di risonanza e dipende solo dalla rete LC?
Se non lo capisco non ho idea su come dimensionare il circuito e mi devo limitare a copiare quello di un'altra persona.

Comunque grazie per l'aiuto, vista anche l'ora.
Avatar utente
Foto Utentedarkweader
61 2 7
Frequentatore
Frequentatore
 
Messaggi: 271
Iscritto il: 8 mag 2011, 17:32

0
voti

[30] Re: Oscillatore con LM311

Messaggioda Foto Utentesimo85 » 13 apr 2012, 1:15

darkweader ha scritto:E poi come ha dimensionato il generatore d'onda quadra, se tanto alla fine la frequenza si riduce alla frequenza di risonanza e dipende solo dalla rete LC?

Così?
Avatar utente
Foto Utentesimo85
30,9k 7 12 13
Disattivato su sua richiesta
 
Messaggi: 9927
Iscritto il: 30 ago 2010, 4:59

PrecedenteProssimo

Torna a Elettronica generale

Chi c’è in linea

Visitano il forum: Nessuno e 50 ospiti