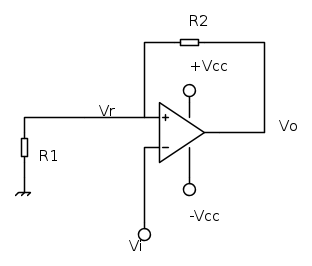
Ok, ora mi è tutto chiaro, a cosa serva la Resistenza in più nel circuito a singola alimentazione.
Non sapevo che la maggior parte dei comparatori fossero open collector, mentre il resto delle considerazioni che hai fatto, o nei link che hai postato bene o male le avevo lette anche io.
Per quanto riguarda il resistore di pull-up: Correggimi se sbaglio
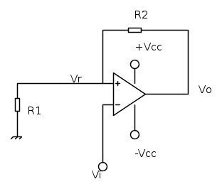
essendo LM311 un comparatore a collettore aperto, ciò significa come tu mi hai spiegato, che lo stadio finale presenta un BJT in cui il collettore collegato al pin di uscita è flottante, ovvero non è polarizzato.
Per polarizzarlo adeguatamente, si deve inserire inserire una resistenza per limitare la corrente.
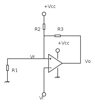
1) Questa resistenza deve essere dimensionata in modo tale che la corrente sia inferiore a quella massima che può essere assorbita dall'integrato? Quindi in base al comparatore che scelgo di utilizzare (e al circuito), dimensiono tale resistenza?
Se si quale "voce" del datasheet devo guardare?
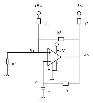
2)Se non ho capito male, il comparatore dovrebbe funzionare in modo tale che :

il trsansistor è interdetto, e il compito di Rp è quello di portare la

al valore alto


il transistor è in saturazione allora

ed Rp deve essere dimensionata in modo tale che

Sto sbagliando qualcosa?
Vorrei determinare le formule che mi permettano di dimensionare questo circuito, per fare in modo da avere un onda quadra( DC=50%) e poter determinare la frequenza.
Ma prima di fare ciò vorrei chiederti, supponiamo che il circuito sia già dimensionato, quindi alimentandolo io avrei un segnale ad onda quadra che ha un determinato Periodo/Frequenza.
Se nel punto A, inserisco una rete selettiva LC, cosa succede?