Domanda stupida,però ho un po' difficoltà a capire in un multistadio se un condensatore è un passa alto o passa basso..Il problema è che il professore vuole velocemente (velocemente intendo massimo 3-4 secondi) la risposta.
Sono un po' lento,perché mi piace ragionare sulle cose e non ho ancora quella dimistichezza di chi ha esperienza.
C'è un metodo veloce o sono io che sono "intalliato"?
un esempio stupido:
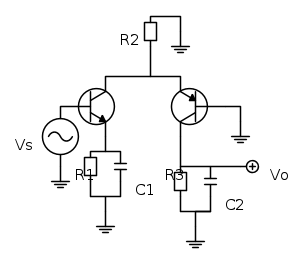
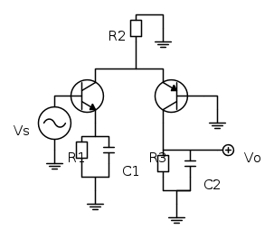
C2 è un passa basso mentre C1 è un passa alto...perché?
condensatori passa alto/passa basso
Moderatori:
carloc,
g.schgor,
BrunoValente,
IsidoroKZ
35 messaggi
• Pagina 1 di 4 • 1, 2, 3, 4
3
voti
Non te lo so spiegare come farebbero persone della portata di
carloc,
DirtyDeeds o
IsidoroKZ. In ogni caso il condensatore riduce la sua impedenza all'aumentare della frequenza della tensione ai suoi capi. Quindi si tratta di analizzare, in funzione di come è inserito nel circuito, come si comporta.
Quando sapremo chi erano C1 e C2 nel circuito dove si vedono invece C2 e C3 che hai rappresentato, ti si potrà rispondere. Anche se usando la simbologia di schema, chiaramente C2 è un passa basso, perché alle alte frequenze tende a divenire sempre più una bassa impedenza, fino a cortocircuitare Vo al riferimento.
Quando sapremo chi erano C1 e C2 nel circuito dove si vedono invece C2 e C3 che hai rappresentato, ti si potrà rispondere. Anche se usando la simbologia di schema, chiaramente C2 è un passa basso, perché alle alte frequenze tende a divenire sempre più una bassa impedenza, fino a cortocircuitare Vo al riferimento.
-

Candy
32,5k 7 10 13 - CRU - Account cancellato su Richiesta utente
- Messaggi: 10123
- Iscritto il: 14 giu 2010, 22:54
0
voti
si ho sbagliato..non è C3 ma C1..ok su C2 mi trovo che è un passa basso perché tipo se mi metto a frequenza infinita (non linciatemi) è un corto e la Vo è nulla..ma questo mi viene semplice perché sta proprio sull'uscita..
5
voti
strato ha scritto:se un condensatore è un passa alto o passa basso
Be', un condensatore, in sé, non è un passa alto né un passa basso
Il circuito che tu hai disegnato è un amplificatore folded cascode (uno stadio CE seguito da un CB, con il secondo BJT di tipo opposto al primo), il cui guadagno è dato, all'incirca, dal prodotto della transconduttanza del primo stadio per l'impedenza di carico costituita dal parallelo di
e
.All'aumentare della frequenza, la reattanza di
diminuisce, diminuendo, così, l'impedenza di carico e il guadagno dell'amplificatore (passa basso).La transconduttanza del primo stadio, invece, è ridotta a causa della degenerazione di emettitore introdotta dal parallelo di
e
: all'aumentare dell'impedenza di emettitore, la transconduttanza diminuisce: poiché la reattanza di
aumenta a bassa frequenza, si ha una diminuizione del guadagno a bassa frequenza (passa alto).Il fatto che tu abbia capito o meno questa spiegazione dipende un po' da ciò che avete fatto a lezione e da qual è la tua comprensione dei circuiti (ok, può anche dipendere dal fatto che io non abbia detto baggianate, ma quelle le correggeranno
It's a sin to write
instead of
(Anonimo).
...'cos you know that
ain't
, right?
You won't get a sexy tan if you write
in lieu of
.
Take a log for a fireplace, but don't take
for
arithm.
instead of
(Anonimo)....'cos you know that
ain't
, right?You won't get a sexy tan if you write
in lieu of
.Take a log for a fireplace, but don't take
for
arithm.-

DirtyDeeds
55,9k 7 11 13 - G.Master EY

- Messaggi: 7012
- Iscritto il: 13 apr 2010, 16:13
- Località: Somewhere in nowhere
0
voti
strato ha scritto:C2 è un passa basso mentre C1 è un passa alto...perché?
Innanzitutto non sono le capacità in se ma i circuiti RC(L) e le varie configurazioni insieme a formare un filtro e ce ne sono di diversi.
Detto questo il tuo professore se lo vuole sapere istantaneamente è perché lo avrà ripetuto più volte credo altrimenti non c'è un metodo veloce per scoprirlo. Ci sono infatti tanti fattori da valutare per quanto detto poco fa, se hai un circuito diverso devi ragionare sul fatto tu ti trovi nelle diverse frequenze e quindi casi particolari ,
Alle alte freq. come tu approssimi w->infinito , basse freq w->0 e medie freq w-> wr ad esempio.
Se facendo variare la frequenza, la tensione del tuo circuito RC diminuisce al decrescere delle frequenze allora sarà un filtro passa alto (fino a limiti fisici) viceversa se diminuisce all'aumentare delle freq allora sarà un passa basso ma questo per un discorso molto più lungo dietro che ti consiglio di riguardare anche iniziando da qui http://it.wikipedia.org/wiki/Filtri_RCL.
0
voti
Si cioè il discorso teorico dietro c'è..
DirtyDeeds che intendi con
Vi prego non deridetemi
ma sto con la testa che scoppia..altri miei compagni di corso alla prima settimana di lezione sono usciti fuori di sè e hanno rimandato all'anno prossimo,sono rimasto solo io e gente che non conosco che se lo sta riseguendo per l'n-esima volta.MANNAGGIA LA TRANSCONDUTTANZA DELLA MISERIA 
La transconduttanza del primo stadio, invece, è ridotta a causa della degenerazione di emettitore introdotta dal parallelo
Vi prego non deridetemi

0
voti
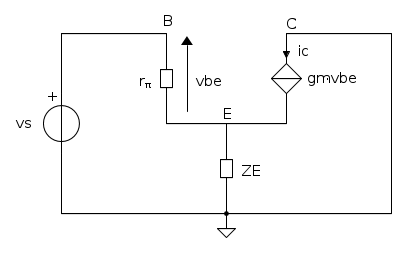
Quello qui sotto è il circuito equivalente per piccolo segnale di uno stadio CE chiuso in cortocircuito (il carico dello stadio CB costituisce quasi un cortocircuito per lo stadio CE).
è la transconduttanza del BJT, ma l'effettiva transconduttanza dello stadio è data dal rapporto

Prova a calcolarla tenendo conto dell'impedenza di emettitore
.
è la transconduttanza del BJT, ma l'effettiva transconduttanza dello stadio è data dal rapporto
Prova a calcolarla tenendo conto dell'impedenza di emettitore
.It's a sin to write
instead of
(Anonimo).
...'cos you know that
ain't
, right?
You won't get a sexy tan if you write
in lieu of
.
Take a log for a fireplace, but don't take
for
arithm.
instead of
(Anonimo)....'cos you know that
ain't
, right?You won't get a sexy tan if you write
in lieu of
.Take a log for a fireplace, but don't take
for
arithm.-

DirtyDeeds
55,9k 7 11 13 - G.Master EY

- Messaggi: 7012
- Iscritto il: 13 apr 2010, 16:13
- Località: Somewhere in nowhere
0
voti
strato ha scritto:?
No
Fai il conto riportando i passaggi...
It's a sin to write
instead of
(Anonimo).
...'cos you know that
ain't
, right?
You won't get a sexy tan if you write
in lieu of
.
Take a log for a fireplace, but don't take
for
arithm.
instead of
(Anonimo)....'cos you know that
ain't
, right?You won't get a sexy tan if you write
in lieu of
.Take a log for a fireplace, but don't take
for
arithm.-

DirtyDeeds
55,9k 7 11 13 - G.Master EY

- Messaggi: 7012
- Iscritto il: 13 apr 2010, 16:13
- Località: Somewhere in nowhere
35 messaggi
• Pagina 1 di 4 • 1, 2, 3, 4
Chi c’è in linea
Visitano il forum: Nessuno e 61 ospiti

Elettrotecnica e non solo (admin)
Un gatto tra gli elettroni (IsidoroKZ)
Esperienza e simulazioni (g.schgor)
Moleskine di un idraulico (RenzoDF)
Il Blog di ElectroYou (webmaster)
Idee microcontrollate (TardoFreak)
PICcoli grandi PICMicro (Paolino)
Il blog elettrico di carloc (carloc)
DirtEYblooog (dirtydeeds)
Di tutto... un po' (jordan20)
AK47 (lillo)
Esperienze elettroniche (marco438)
Telecomunicazioni musicali (clavicordo)
Automazione ed Elettronica (gustavo)
Direttive per la sicurezza (ErnestoCappelletti)
EYnfo dall'Alaska (mir)
Apriamo il quadro! (attilio)
H7-25 (asdf)
Passione Elettrica (massimob)
Elettroni a spasso (guidob)
Bloguerra (guerra)





?
?