Cos'è ElectroYou | Login Iscriviti

ElectroYou - la comunità dei professionisti del mondo elettrico

Consigli su piccolo quadro

Progettazione, esercizio, manutenzione, sicurezza, leggi, normative...

Moderatori: Foto Utentesebago, Foto UtenteMASSIMO-G, Foto Utentelillo, Foto UtenteMike

0
voti

[11] Re: Consigli su piccolo quadro

Messaggioda Foto Utentemir » 14 apr 2012, 22:29

Interested ha scritto:La corrente nominale è di 12 V.

il valore che hai indicato di 12 V (volt) è la tensione nominale di funzionamento del motore,mentre la corrente o meglio l'intensità di corrente si misura in A (Ampere) e rappresenta l'assorbimento del motore durante il funzionamento a regime;
quest'ultimo valore (A) è fondamentale per determinare la portata dei contatti del relè, in genere questi valori sono indicati sulla targhetta presente sul motore o si può risalire ad essi attraverso il modello/marca del motore.
Interested ha scritto: potreste fare disegnare i circuiti in verticale,.....

gli schemi in genere si realizzano come quelli che hai già visto e la loro interpretazione non è poi complicata,
Interested ha scritto:Interessante l'ultimo schema proposto, devo solo capirlo...

per questo occorre sentire Foto UtenteCandy.
Avatar utente
Foto Utentemir
66,0k 9 12 13
G.Master EY
G.Master EY
 
Messaggi: 21870
Iscritto il: 19 ago 2004, 21:10

0
voti

[12] Re: Consigli su piccolo quadro

Messaggioda Foto UtenteCandy » 14 apr 2012, 22:42

Dopo la spiegazione di Foto Utentemir non resta che attendere di sapere qual è la corrente nominale del motore.
Avatar utente
Foto UtenteCandy
32,5k 7 10 13
CRU - Account cancellato su Richiesta utente
 
Messaggi: 10123
Iscritto il: 14 giu 2010, 22:54

0
voti

[13] Re: Consigli su piccolo quadro

Messaggioda Foto UtenteInterested » 15 apr 2012, 14:00

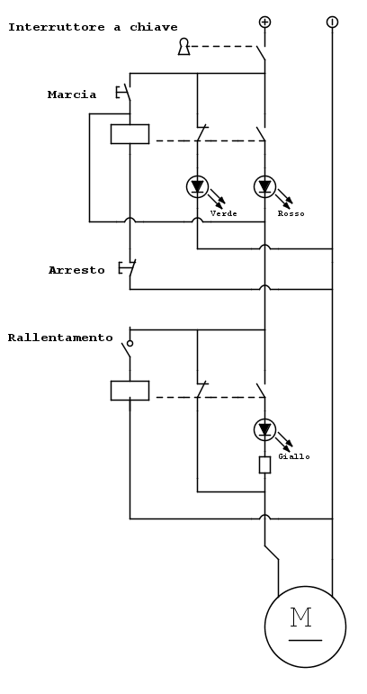
Allora, il motore che utilizzo è da 200-600 mA, l'unica cosa è che credo di cambiarlo verso fine anno perché con un certo carico fa fatica a tirare. Invece il trasformatore (posto subito prima del quadro) è da 400mA.
Guardando i vostri vedo che i relè hanno molti scambi (anche fino a 4) e ne negozio dove generalmente li compro li hanno tutti da 1 o 2 scambi.
In questi giorni ho provato a disegnare uno schema che potrebbe andare bene...

Quadro.png
Quadro.png (14.25 KiB) Osservato 5661 volte
Avatar utente
Foto UtenteInterested
90 4
New entry
New entry
 
Messaggi: 59
Iscritto il: 12 apr 2012, 14:57

0
voti

[14] Re: Consigli su piccolo quadro

Messaggioda Foto UtenteInterested » 15 apr 2012, 15:14

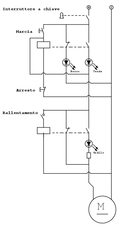
Scusate, ho appena trovato un piccolo errore, ecco qua lo schema corretto (purtroppo non mi è concesso modificare il post precedente... :roll: )

Quadro.png
Quadro.png (14.25 KiB) Osservato 5654 volte
Avatar utente
Foto UtenteInterested
90 4
New entry
New entry
 
Messaggi: 59
Iscritto il: 12 apr 2012, 14:57

0
voti

[15] Re: Consigli su piccolo quadro

Messaggioda Foto Utentemir » 15 apr 2012, 21:06

[user]intersted[/user],continuare a postare schemi non realizzati con fidocadj rende difficoltoso intervenire, non offrendo la possibilità di intervenire sullo schema, pertanto ti invito a postare lo schema corretto e con tutte le indicazioni utili al riconoscimento dei componenti (sigle) con fidocadj.
Lo schema che hai postato non rmi è chiaro nel funzionamento, trovo che il motore una volta eseguita la marcia si trova ad avere in serie (sul positivo) il diodo led verde (fra l'altro i due diodi led verde/rosso mancano del resistore di limitazione!) che si dovrà far carico di tutto l'assorbimento del motore durante la marcia il che significa che il diodo led avrà un breve istante di vita..... altra cosa non chiara sono le due bobine che immagino identifichino due relè, ma senza indicazioni non è facile capirlo.......
Interested ha scritto: il motore che utilizzo è da 200-600 mA, Invece il trasformatore (posto subito prima del quadro) è da 400mA.

se l'alimentatore (non trasformatore) fornisce al massimo 400 mA ed il motore può chiederne anche 600 mA, il primo non è adeguato,
Interested ha scritto:Guardando i vostri vedo che i relè hanno molti scambi (anche fino a 4) e ne negozio dove generalmente li compro li hanno tutti da 1 o 2 scambi.

i relè ci sono anche a più contatti, se non si trovano se ne possono utilizzare due in parallelo.
Avatar utente
Foto Utentemir
66,0k 9 12 13
G.Master EY
G.Master EY
 
Messaggi: 21870
Iscritto il: 19 ago 2004, 21:10

3
voti

[16] Re: Consigli su piccolo quadro

Messaggioda Foto UtenteInterested » 15 apr 2012, 21:23

Non avevo ancora capito come inserire i file, eccolo qua con le dovute correzioni:

Il trasformatore è anche variatore, in genere non faccio passare 12V, ma anche la metà.
Con il nuovo schema farei uscire 12V e dopo il quadro (se necessario) mettere una resistenza per abbassare se il motore girasse troppo veloce.
Avatar utente
Foto UtenteInterested
90 4
New entry
New entry
 
Messaggi: 59
Iscritto il: 12 apr 2012, 14:57

0
voti

[17] Re: Consigli su piccolo quadro

Messaggioda Foto Utentemir » 15 apr 2012, 21:45

Interested ha scritto:eccolo qua con le dovute correzioni:

:ok:
ho apportato alcune modifiche,tipo i resistori che mancano sui diodi led, ed il contatto di ritenuta sul relè k, per il rallentamento non ho chiaro il funzionamento del relè relè k1 ovvero il contatto che lo attiva è del relè k ?
il tratto in rosso a mio avviso non serve.
Avatar utente
Foto Utentemir
66,0k 9 12 13
G.Master EY
G.Master EY
 
Messaggi: 21870
Iscritto il: 19 ago 2004, 21:10

0
voti

[18] Re: Consigli su piccolo quadro

Messaggioda Foto UtenteInterested » 15 apr 2012, 21:54

Ma scusa, perché hai messo quel contatto di ritenuta?
Il filo rosso l'avevo messo apposta come autoritenuta...
Il relè K1 è isolato da k, è attivato dal pulsante posto appena sopra di esso, che essendo mantenuto non ha bisogno di autoritenuta.
Avatar utente
Foto UtenteInterested
90 4
New entry
New entry
 
Messaggi: 59
Iscritto il: 12 apr 2012, 14:57

0
voti

[19] Re: Consigli su piccolo quadro

Messaggioda Foto Utentemir » 15 apr 2012, 21:57

Interested ha scritto:Il filo rosso l'avevo messo apposta come autoritenuta...

hai ragione,mi è venuto di getto inserire il contatto dedicato di ritenuta, lasciando quello che hai utilizzato per l'alimentazione del motore.
Avatar utente
Foto Utentemir
66,0k 9 12 13
G.Master EY
G.Master EY
 
Messaggi: 21870
Iscritto il: 19 ago 2004, 21:10

0
voti

[20] Re: Consigli su piccolo quadro

Messaggioda Foto UtenteElectro » 16 apr 2012, 9:38

Che componente è quello sotto il mio punto interrogativo?
Avatar utente
Foto UtenteElectro
2.127 2 2 8
Expert EY
Expert EY
 
Messaggi: 1327
Iscritto il: 12 nov 2008, 11:14
Località: Bari

PrecedenteProssimo

Torna a Impianti, sicurezza e quadristica

Chi c’è in linea

Visitano il forum: Nessuno e 94 ospiti