e il problema mi chiede la potenza dissipata per effetto joule in
, il problema e' che non so come risolvere questa configurazione, va oltre tutto cio' che ho visto (ovvero amplificatori in configurazione invertente e non invertente)...Grazie!!
Moderatori:
carloc,
g.schgor,
BrunoValente,
IsidoroKZ
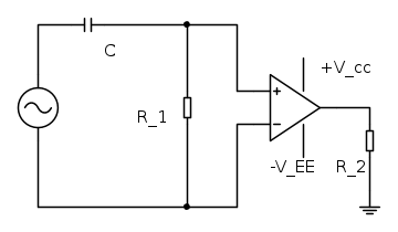
, il problema e' che non so come risolvere questa configurazione, va oltre tutto cio' che ho visto (ovvero amplificatori in configurazione invertente e non invertente)...

e di RC, la rete RC puo` essere considerata un derivatore ragionevole, e quindi il comparatore commuta quando la tensione sinusoidale passa per il picco positivo e negativo.
se VCC=-VEE




Visitano il forum: Nessuno e 181 ospiti