Cos'è ElectroYou | Login Iscriviti

ElectroYou - la comunità dei professionisti del mondo elettrico

ottimizzazione impianto antenna tv

Telefonia, radio, TV, internet, reti locali...comandi a distanza

Moderatore: Foto Utentejordan20

0
voti

[1] ottimizzazione impianto antenna tv

Messaggioda Foto Utenterombodituono » 17 apr 2012, 2:00

Un saluto al forum,
avrei bisogno del vostro prezioso aiuto per poter apportare qualche miglioramento al mio attuale impianto tv.
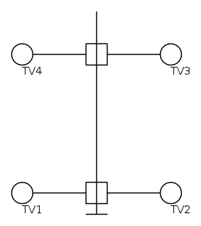
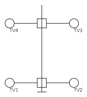
la situazione è quella rappresentata nella seconda immagine in allegato.
abito in una palazzina con antenna centralizzata, nel mio pianerottolo sono presenti 3 appartamenti, dalla cassetta di derivazione partono pertanto 3 cavi, uno dei quali entra nel mio appartamento, arriva in un vecchio modello di presa passante (prima immagine in allegato), per poi proseguire verso un'altra stanza.
la presa passante ha un uscita femmina ø 13 mm, a cui tuttavia non risulta collegato alcun connettore dal momento che il segnale in arrivo alla rispettiva tv risulterebbe molto debole. i collegamenti sono i seguenti:
nel punto (A) in cui il cavo proveniente dall'antenna centralizzata si congiunge con la presa passante, è collegato (in parallelo) un cavo che giunge poi ad un partitore a T (punto C) da cui a sua volta partono 2 cavi che collegano due tv ( TV1 e TV2); nel punto (B) in cui il cavo esce dalla presa passante per arrivare all'altra stanza, è collegato in parallelo un cavo che va diretto al TV3; nell'altra stanza originariamente era presente una presa terminale, che tempo fa è stata rimossa: pertanto il TV4 risulta collegato direttamente (nel punto F) al cavo uscente dalla presa passante.
per quanto riguarda il segnale: TV1 riceve ottimamente tutti i canali possibili ed immaginabili del dtt; TV2 riceve il tutto con qualche disturbo, cosi come TV4. mentre sul TV3 il segnale è buono (qualche leggero disturbo).
ora, se mi limito alla qualità del segnale potrei mantenere la presente configurazione. mi rendo conto tuttavia che si tratta di collegamenti volanti e precari, per nulla piacevoli da vedere. vorrei pertanto chiedervi in che modo procedere per ottimizzare il tutto!
grazie anticipate per le eventuali risposte! :ok:
Allegati
P4160035__.JPG
P4160035__.JPG (100.88 KiB) Osservato 6733 volte
Schermata.jpg
Schermata.jpg (31.05 KiB) Osservato 6735 volte
Avatar utente
Foto Utenterombodituono
0 3
 
Messaggi: 14
Iscritto il: 17 apr 2012, 0:42

1
voti

[2] Re: ottimizzazione impianto antenna tv

Messaggioda quenci » 17 apr 2012, 21:55

Madò, è del post-guerra quella presa lì ! O_/
quenci
327 2 4 5
---
 

1
voti

[3] Re: ottimizzazione impianto antenna tv

Messaggioda Foto Utenteangus » 17 apr 2012, 22:13

Il modo più semplice per servire 4 prese è usare un derivatore a 4 vie con uscita passante chiusa su 75 ohm, 4 prese dirette o finali (o se vuoi i connettori direttamente alla TV senza presa)


Ovviamente esistono altre soluzioni e altre topologie di distribuzione, soprattutto in relazione ai cavi che puoi (o meno) posare.
Può andare come soluzione nel tuo caso?
in /dev/null no one can hear you scream
Avatar utente
Foto Utenteangus
8.475 4 6 9
G.Master EY
G.Master EY
 
Messaggi: 4168
Iscritto il: 20 giu 2008, 17:25

0
voti

[4] Re: ottimizzazione impianto antenna tv

Messaggioda Foto Utenterombodituono » 19 apr 2012, 12:14

ciao angus, grazie per la risposta!
si, potrei seguire il tuo consiglio, ma se fosse possibile vorrei evitare di far partire 4 cavi dal punto in cui dovrei piazzare il derivatore! la soluzione ideale sarebbe quella di avere 2 cavi in vista, come nella situazione attuale della foto che ho postato in precedenza...
ad una della 4 uscite potrei collegare il cavo OUT che passa in una canaletta cementata tra i muri e giunge al TV4, ma le altre 3 uscite resterebbero in vista.
vorrei a questo punto chiderti/vi se fosse possibile procedere nel seguente modo:
utilizzare un derivatore a 2 vie, dalle due uscite far partire i cavi per il TV3 (dista 2m dalla presa attuale) e il TV4 (dista 15m); l'uscita passante verrebbe inviata all'attuale partitore a T (che risulta non in vista e dista circa 13m dalla presa), da cui partono i cavi per il TV1 e TV2 (distano entrambi circa 15m dal partitore e quindi circa 30m dalla presa).
potrebbe essere un idea valida o da scartare?
grazie!
Avatar utente
Foto Utenterombodituono
0 3
 
Messaggi: 14
Iscritto il: 17 apr 2012, 0:42

0
voti

[5] Re: ottimizzazione impianto antenna tv

Messaggioda Foto Utenteangus » 19 apr 2012, 12:24

Può andare bene, con una piccola variazione.
Al posto del partitore a T, metterei un altro DERIVATORE a 2 vie, con uscita passante chiusa. In questo modo:
in /dev/null no one can hear you scream
Avatar utente
Foto Utenteangus
8.475 4 6 9
G.Master EY
G.Master EY
 
Messaggi: 4168
Iscritto il: 20 giu 2008, 17:25

0
voti

[6] Re: ottimizzazione impianto antenna tv

Messaggioda Foto Utenterombodituono » 19 apr 2012, 13:05

perfetto, sei stato chiarissimo! :ok:
un ultimissima cosa: i due derivatori che caratteristiche dovrebbero avere in termini di attenuazione?
grazie!
Avatar utente
Foto Utenterombodituono
0 3
 
Messaggi: 14
Iscritto il: 17 apr 2012, 0:42

0
voti

[7] Re: ottimizzazione impianto antenna tv

Messaggioda Foto Utenteangus » 19 apr 2012, 14:43

Per avere un segnale equilibrato sarebbe corretto che il primo avesse più attenuazione di derivazione rispetto al secondo, ad esempio 14 dB il primo e 10 dB il secondo.
Possono andare bene anche uguali, con la minor Ad possibile (10dB), tipo i Fracarro DE2-10 o equivalenti.

In questo modo ottieni una distribuzione corretta.
Paradossalmente, se il segnale in ingresso non è sufficiente, potresti "vedere peggio" di prima.
In quel caso, valuta l'installazione di un amplificatore da interno autoalimentato subito all'ingresso del tuo appartamento.
in /dev/null no one can hear you scream
Avatar utente
Foto Utenteangus
8.475 4 6 9
G.Master EY
G.Master EY
 
Messaggi: 4168
Iscritto il: 20 giu 2008, 17:25

0
voti

[8] Re: ottimizzazione impianto antenna tv

Messaggioda Foto Utenterombodituono » 21 apr 2012, 15:11

grazie per tutti i chiarimenti e i consigli!
ora mi metto all'opera sperando che non ci siano problemi! :ok:
Avatar utente
Foto Utenterombodituono
0 3
 
Messaggi: 14
Iscritto il: 17 apr 2012, 0:42


Torna a Telecomunicazioni

Chi c’è in linea

Visitano il forum: Nessuno e 12 ospiti