
Diodi e porte logiche
Moderatori:
carloc,
g.schgor,
BrunoValente,
IsidoroKZ
39 messaggi
• Pagina 4 di 4 • 1, 2, 3, 4
1
voti
tixy ha scritto:ti prego dimmi che ho capito qualcosa!
Direi di si! Vediamo caso per caso:
tixy ha scritto:1 - figura (a) = diodo in interdizione;
Esatto:
col deviatore sul + il diodo non conduce: Vo = +
col deviatore sul - il diodo non conduce: Vo = +
quindi il costrutto è inservibile.
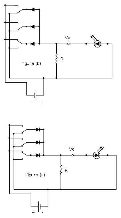
tixy ha scritto:2 - figura (b) = diodo in conduzione e R = pull up (cioè per come è collegata, mantiene la tensione vo più ALTA rispetto a quella che si presenta in ingresso);
col deviatore sul + il diodo non conduce : Vo = +
col deviatore sul - il diodo conduce: Vo = -
quindi il costrutto è buono, può essere utilizzabile.
tixy ha scritto:3 - figura (c) = diodo in conduzione e R = pull down (cioè mantiene vo più BASSA dell'entrata);
col deviatore sul + il diodo conduce: Vo = +
col deviatore sul - il diodo non conduce: Vo = -
quindi il costrutto è buono, può essere utilizzabile.
tixy ha scritto:4 - figura (d) = diodo in interdizione.
Esatto:
col deviatore sul + il diodo non conduce: Vo = -
col deviatore sul - il diodo non conduce: Vo = -
quindi il costrutto è inservibile.
Lo scopo di questi circuiti è quello di realizzare le porte logiche AND e OR in logica positiva o negativa.
Come giustamente osservato da
NB:
La R di pull-up ha lo scopo di mantenere alta la tensione su Vo quando il diodo non conduce, mentre quando il diodo conduce Vo va a zero.
La R di pull-down ha lo scopo di mantenere bassa la tensione su Vo quando il diodo non conduce, mentre quando il diodo conduce Vo diventa alta.
2
voti
Rieccomi.
Premesso che i LED non li ho ancora "trattati", mi chiedevo se questi circuiti (con riferimento agli schemi postati in precedenza) potessero funzionare per farmi vedere lo stato dell' uscita Vo attraverso un LED che sia acceso quando il valore logico dell' uscita è a 1 (uno per una AND, uno per una OR).
Premesso che i LED non li ho ancora "trattati", mi chiedevo se questi circuiti (con riferimento agli schemi postati in precedenza) potessero funzionare per farmi vedere lo stato dell' uscita Vo attraverso un LED che sia acceso quando il valore logico dell' uscita è a 1 (uno per una AND, uno per una OR).
1
voti
Bene per gli schemi AND e OR
Invece i LED posti così non durano molto: prima o poi si bruciano.
In generale un LED ha bisogno di una decina di mA per cui occorre mettergli in serie una R da circa 1K per limitare la corrente. Per essere più precisi occorre conoscere la caratteristica del LED. Per esempio se un LED assorbe 2 V, la tensione del circuito è 5 V e si vuole limitare la corrente a 10 mA, allora:

Avevo visto un articolo su come calcolare corretamente la R per alimentare un LED, appena lo trovo te lo indico.
Inoltre per la AND vedrai il LED acceso quando l'uscita è 0.
Per la OR vedrai il LED acceso quando l'uscita è 1.
Invece i LED posti così non durano molto: prima o poi si bruciano.
In generale un LED ha bisogno di una decina di mA per cui occorre mettergli in serie una R da circa 1K per limitare la corrente. Per essere più precisi occorre conoscere la caratteristica del LED. Per esempio se un LED assorbe 2 V, la tensione del circuito è 5 V e si vuole limitare la corrente a 10 mA, allora:

Avevo visto un articolo su come calcolare corretamente la R per alimentare un LED, appena lo trovo te lo indico.
Inoltre per la AND vedrai il LED acceso quando l'uscita è 0.
Per la OR vedrai il LED acceso quando l'uscita è 1.
0
voti
Si, per esempio così:
ma ti confesso che non ho mai provato: sono un principiante anch'io!
Quindi non ti garantisco che i valori citati siano corretti.
ma ti confesso che non ho mai provato: sono un principiante anch'io!
Quindi non ti garantisco che i valori citati siano corretti.
39 messaggi
• Pagina 4 di 4 • 1, 2, 3, 4
Chi c’è in linea
Visitano il forum: Nessuno e 329 ospiti

Elettrotecnica e non solo (admin)
Un gatto tra gli elettroni (IsidoroKZ)
Esperienza e simulazioni (g.schgor)
Moleskine di un idraulico (RenzoDF)
Il Blog di ElectroYou (webmaster)
Idee microcontrollate (TardoFreak)
PICcoli grandi PICMicro (Paolino)
Il blog elettrico di carloc (carloc)
DirtEYblooog (dirtydeeds)
Di tutto... un po' (jordan20)
AK47 (lillo)
Esperienze elettroniche (marco438)
Telecomunicazioni musicali (clavicordo)
Automazione ed Elettronica (gustavo)
Direttive per la sicurezza (ErnestoCappelletti)
EYnfo dall'Alaska (mir)
Apriamo il quadro! (attilio)
H7-25 (asdf)
Passione Elettrica (massimob)
Elettroni a spasso (guidob)
Bloguerra (guerra)






