Buon pomeriggio a tutti,
Ho costruito un circuito di un alimentatore a corrente variabile, e vorrei provarlo con questo trasformatore.
http://imageshack.us/photo/my-images/85/20120420135207.jpg/
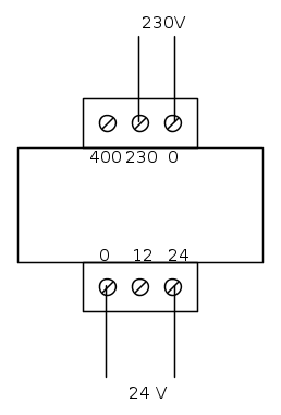
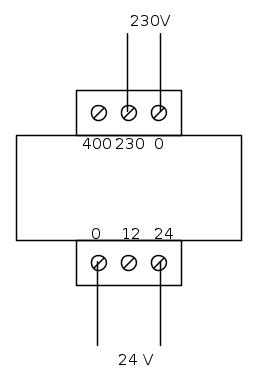
In base a questo trasformatore (nel link),
Vorrei sapere come posso fare per uscire con un 24 V, da collegare ad un ponte di diodi..
Ho gia individuato con un multimetro l'entrata della linea.
Ho letto in giro che bisognerebbe collegarlo in serie, ma non riesco a capire cosa intendano, visto che sono 2 fili paralleli
Grazie,
Dario
Come fare per uscire con 24 V dal mio trasformatore?
Moderatori:
carloc,
g.schgor,
BrunoValente,
IsidoroKZ
4 messaggi
• Pagina 1 di 1
0
voti
dalla foto le caratteristiche dicono:230/12+12V,per cui sul secondario dovresti trovare 3 fili,quello a potenziale zero ha un colore diverso dagli altri 2;se colleghi uno di questi con il filo a potenziale zero ottieni 12V,se colleghi invece i 2 fili dello stesso colore hai 24 V,in ogni caso ti puoi aiutare con un tester disposto per misurare le tensioni alternate sulla portata 200V
0
voti
Per prelevare 24 V devi semplicemente collegarti ai due morsetti laterali del secondario.
-

BrunoValente
39,6k 7 11 13 - G.Master EY

- Messaggi: 7796
- Iscritto il: 8 mag 2007, 14:48
0
voti
0-12-24 o 12-0-12 indicano due possibilità di utilizzo dei tre morsetti del secondario, potevano anche evitare la doppia indicazione.
Se avessi dovuto disegnare questa etichetta avrei messo il simbolo di un avvolgimento con un morsetto al centro e i valori 0-12-24
Se avessi dovuto disegnare questa etichetta avrei messo il simbolo di un avvolgimento con un morsetto al centro e i valori 0-12-24
4 messaggi
• Pagina 1 di 1
Chi c’è in linea
Visitano il forum: Nessuno e 79 ospiti

Elettrotecnica e non solo (admin)
Un gatto tra gli elettroni (IsidoroKZ)
Esperienza e simulazioni (g.schgor)
Moleskine di un idraulico (RenzoDF)
Il Blog di ElectroYou (webmaster)
Idee microcontrollate (TardoFreak)
PICcoli grandi PICMicro (Paolino)
Il blog elettrico di carloc (carloc)
DirtEYblooog (dirtydeeds)
Di tutto... un po' (jordan20)
AK47 (lillo)
Esperienze elettroniche (marco438)
Telecomunicazioni musicali (clavicordo)
Automazione ed Elettronica (gustavo)
Direttive per la sicurezza (ErnestoCappelletti)
EYnfo dall'Alaska (mir)
Apriamo il quadro! (attilio)
H7-25 (asdf)
Passione Elettrica (massimob)
Elettroni a spasso (guidob)
Bloguerra (guerra)




