Cos'è ElectroYou | Login Iscriviti

ElectroYou - la comunità dei professionisti del mondo elettrico

Dare priorità a un segnale

Elettronica lineare e digitale: didattica ed applicazioni

Moderatori: Foto Utentecarloc, Foto Utenteg.schgor, Foto UtenteBrunoValente, Foto UtenteIsidoroKZ

0
voti

[1] Dare priorità a un segnale

Messaggioda Foto UtenteGoliath » 20 apr 2012, 22:42

Ciao a tutti, questo è il mio primo messaggio ma è da tanto che vi seguo e grazie a voi ho risolto diversi problemi.

Spero sia la sezione adatta per la mia richiesta.

Avrei bisogno di un circuito che mi permetta di fare quanto segue.

Ho due segnali sinusoidali ( generati da 2 piezo ceramici a disco normali , non gli MFC) , sono collocati su una superfiie piana e captano perfettamente le vibrazioni di questo piano, ma quando vengono eccitati vorrei che il segnale che arriva per primo esca per primo, ovvero dare una sorta di "priorità" al piezo che fisicamente flette per primo.

Avevo già visto il CD4070 ( porta logica con con due ingressi e OR esclusivo ) ma a quanto ho capito questo mi permette di avere un segnale in uscita di ampiezza uguale a quella di alimentazione ( e non va bene).

Ho bisogno che il segnale di entrata sia uguale in uscita , senza guadagni etc.

So che in informatica esiste un meccanismo FIFO ( first in first out ) ma non so come poter realizzare una cosa del genere, io pensavo ad un operazionale in configurazione comparatore ma non so quale possa far al mio caso.

Spero di esser stato chiaro, vi ringrazio in anticipo.

Saluti O_/
Avatar utente
Foto UtenteGoliath
0 2
 
Messaggi: 20
Iscritto il: 20 apr 2012, 22:06

0
voti

[2] Re: Dare priorità a un segnale

Messaggioda Foto UtenteCandy » 20 apr 2012, 22:49

Io non ho capito:
vorrei che il segnale che arriva per primo esca per primo

Arriva per primo dove?
Esca per primo da dove?

A cosa sono collegati questi segnali? E per fare cosa? Una descrizione completa del progetto, magari con qualche schema tanto per iniziare?
Avatar utente
Foto UtenteCandy
32,5k 7 10 13
CRU - Account cancellato su Richiesta utente
 
Messaggi: 10123
Iscritto il: 14 giu 2010, 22:54

0
voti

[3] Re: Dare priorità a un segnale

Messaggioda Foto Utenteclaudiocedrone » 20 apr 2012, 23:05

Se stai cercando un indicatore di priorità temporale non la hai all'origine in quanto il piano è in comune ai piezo e tutto vibra praticamente in contemporanea (diverso sarebbe ad es. se fossero ai capi di una lunga rotaia) forse potresti cercare una priorità di ampiezza ammettendo che il segnale proveniente dal sensore più vicino al punto di sollecitazione sia più forte dell'altro (ipotesi verosimile) ma concordo sul fatto che devi fornire indicazioni dettagliate se vuoi risposte efficaci. O_/
"Non farei mai parte di un club che accettasse la mia iscrizione" (G. Marx)
Avatar utente
Foto Utenteclaudiocedrone
21,3k 4 7 9
Master EY
Master EY
 
Messaggi: 15302
Iscritto il: 18 gen 2012, 13:36

0
voti

[4] Re: Dare priorità a un segnale

Messaggioda Foto UtenteGoliath » 20 apr 2012, 23:34

Grazie a tutte e due

@candy

Mi riferisco al "cervello" che svolge questa funzione.

Le vibrazioni dei piezo vengono usate come trigger, il segnale diretto dei piezo nudo e crudo va a finire su un modulo che fa delle letture e manda dei messaggi MIDI al PC, è un modulo per una batteria elettronica.


Ora che ci penso l'ideale sarebbe un "aggeggio" con due entrate e due uscite indipendenti.

Ho i due piezo, A e B. Se il piezo A vibra per primo il segnale A esce nell'uscita 1, se il B vibra prima del piezo A il segnale B esce nell'uscita 2.

Purtroppo non posso isolare i piezo fisicamente e quindi l'unica idea che mi è venuta in mente è quella di usufruire di questa interazione tra i due trasduttori per determinare il punto in cui il piano riceve più vibrazione.
Avatar utente
Foto UtenteGoliath
0 2
 
Messaggi: 20
Iscritto il: 20 apr 2012, 22:06

0
voti

[5] Re: Dare priorità a un segnale

Messaggioda Foto Utenteclaudiocedrone » 21 apr 2012, 0:02

Se stai cercando un indicatore di priorità temporale non la hai all'origine in quanto il piano è in comune ai piezo e tutto vibra praticamente in contemporanea (diverso sarebbe ad es. se fossero ai capi di una lunga rotaia) forse potresti cercare una priorità di ampiezza ammettendo che il segnale proveniente dal sensore più vicino al punto di sollecitazione sia più forte dell'altro (ipotesi verosimile) ma concordo sul fatto che devi fornire indicazioni dettagliate se vuoi risposte efficaci. O_/
"Non farei mai parte di un club che accettasse la mia iscrizione" (G. Marx)
Avatar utente
Foto Utenteclaudiocedrone
21,3k 4 7 9
Master EY
Master EY
 
Messaggi: 15302
Iscritto il: 18 gen 2012, 13:36

0
voti

[6] Re: Dare priorità a un segnale

Messaggioda Foto Utentedadodj » 23 apr 2012, 5:05

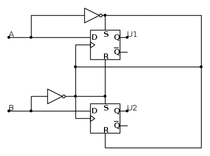
c'ho pensato un po' e se credo di aver capito tu vuoi un dispositivo logico del genere ad esempio ...

ho buttato su questa idea .. però poi dovresti regolare l'ampiezza di Vout di Q1 e Q2 com'era prima.

Le ipotesi che questo funzioni sono che clear(R) e Preset(S) siano edge trigger negative e che il segnale arrivi all'ampiezza di commutazione... poi quando sono entrambi (A e B) tornano a zero però sorge il problema che resta l'ultima uscita attivata perché non gli arriva il segnale di clock per mandarli entrambi a zero.. amenochè non si tratti di un latch ... mmmmmm....
altrimenti un registro? un microcontrollO?
Avatar utente
Foto Utentedadodj
45 1 2
New entry
New entry
 
Messaggi: 87
Iscritto il: 18 lug 2011, 23:14

0
voti

[7] Re: Dare priorità a un segnale

Messaggioda Foto UtenteGoliath » 26 apr 2012, 10:02

Ciao Dado

Grazie del tuo aiuto, hai le sigle dei componenti utilizzati nello schema?

Da quello che dici nelle ultime frasi del tuo post significa che il segnale una volta commutato nel secondo operazionale ed uscito in U2 non torna in fase di "riposo" ma rimane in commutazione?

Non ho ben afferrato ciò che vuoi dire, so poco e niente a riguardo.

Idem per " altrimenti un registro? un microcontrollO? "

Grazie ancora :oops: O_/
Avatar utente
Foto UtenteGoliath
0 2
 
Messaggi: 20
Iscritto il: 20 apr 2012, 22:06

0
voti

[8] Re: Dare priorità a un segnale

Messaggioda Foto Utenteclaudiocedrone » 26 apr 2012, 16:02

Scusa ma non capisco una cosa,il "modulo" per batteria elettronica non dovrebbe già avere i propri circuiti di acquisizione e discriminazione :?:
"Non farei mai parte di un club che accettasse la mia iscrizione" (G. Marx)
Avatar utente
Foto Utenteclaudiocedrone
21,3k 4 7 9
Master EY
Master EY
 
Messaggi: 15302
Iscritto il: 18 gen 2012, 13:36

0
voti

[9] Re: Dare priorità a un segnale

Messaggioda Foto Utentedadodj » 26 apr 2012, 18:49

ehm nel senso stavo pensando a quello che volevi dire e ho buttato giù una scheda logica però mi domandavo forse nn funziona nello stato del tornare a riposo.. mmmm.. comunque un registro particolare nn lo so dovrei cercare.. oppure risolvi in breve con un microcontrollore però va programmato ...
Avatar utente
Foto Utentedadodj
45 1 2
New entry
New entry
 
Messaggi: 87
Iscritto il: 18 lug 2011, 23:14

0
voti

[10] Re: Dare priorità a un segnale

Messaggioda Foto UtenteGoliath » 26 apr 2012, 19:33

CIao

Grazie

Il modulo tra le molteplici funzioni come soglia threshold, gain, retrigger , trigger scan etc non ha questa funzione che servirebbe per evitarmi continui crosstalk tra i due segnali.


Si trovano già dei firmware da caricare in un micro controllore o deve essere scritto da zero?

In tal caso di cosa avrei bisogno? Percaso di quelle basette con i zoccoli e la porta USB dove inserire ad esempio un PIC e colelgarlo al PC per inviare informazioni?

Non ne so molto a riguardo, vi ringrazio per la pazienza.
Avatar utente
Foto UtenteGoliath
0 2
 
Messaggi: 20
Iscritto il: 20 apr 2012, 22:06


Torna a Elettronica generale

Chi c’è in linea

Visitano il forum: Nessuno e 74 ospiti