Anzi, visto che stai aspettando con impazienza , perche' lo schema non lo disegni tu sulla base di quanto ti ho suggerito? Cosi' occupi proficuamente il tuo tempo.
Poi lo rivediamo insieme e facciamo le correzioni, se ce ne sara' bisogno.
Scritta led lampeggiante
Moderatori:
carloc,
g.schgor,
BrunoValente,
IsidoroKZ
0
voti
marco438 ha scritto:Su questo forum non e' gradito sollecitare le risposte; ti avevo promesso uno schema e te lo postero' non appena avro' il tempo di farlo.
Se poi hai troppa urgenza, puoi sempre rivolgerti altrove.
Non serve essere ostili, l'ho semplicemente chiesto per sapere se c'erano altre idee.
-

RedEvil1991
14 5 - Frequentatore

- Messaggi: 104
- Iscritto il: 6 feb 2012, 21:10
0
voti
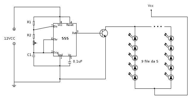
Ho provato a fare il circuito come mi hai suggerito tu ed il risultato è questo:
Ora ho provato a dimensionare R1 e R2 ed C1 , solo che non riesco a venirne fuori dalle formule , il ciclo dovrebbe far si che duri in totale 1 secondo, dividendosi in 2 fasi di accensione di mezzo secondo e di spegnimento di altro mezzo secondo. Non riesco a capire come definire il duty cicle e la frequenza da cui calcolarmi poi i valori delle resistenze e del condensatore.
Ora ho provato a dimensionare R1 e R2 ed C1 , solo che non riesco a venirne fuori dalle formule , il ciclo dovrebbe far si che duri in totale 1 secondo, dividendosi in 2 fasi di accensione di mezzo secondo e di spegnimento di altro mezzo secondo. Non riesco a capire come definire il duty cicle e la frequenza da cui calcolarmi poi i valori delle resistenze e del condensatore.
-

RedEvil1991
14 5 - Frequentatore

- Messaggi: 104
- Iscritto il: 6 feb 2012, 21:10
3
voti
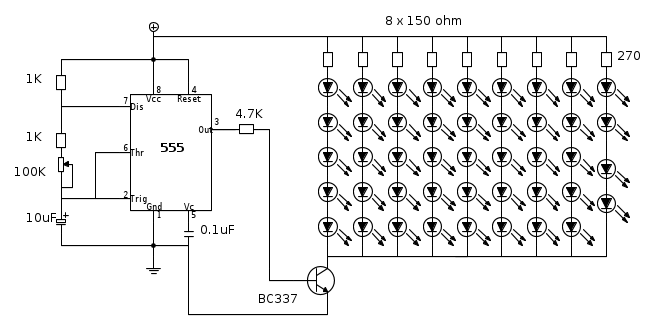
Questo e' lo schema completo e corretto:
Hai omesso le resistenze in serie ai led e sulla base del transistor.
Ho inserito anche i valori dei componenti dell'oscillatore; con quei valori puoi ottenere la frequenza di 1Hz regolando il potenziometro a circa 71K.
Quando costruirai il circuito cerca di non avere la stessa fretta che hai dimostrato in questa occasione.
La fretta e l'elettronica non vanno assolutamente d'accordo.

Hai omesso le resistenze in serie ai led e sulla base del transistor.
Ho inserito anche i valori dei componenti dell'oscillatore; con quei valori puoi ottenere la frequenza di 1Hz regolando il potenziometro a circa 71K.
Quando costruirai il circuito cerca di non avere la stessa fretta che hai dimostrato in questa occasione.
La fretta e l'elettronica non vanno assolutamente d'accordo.

marco
0
voti
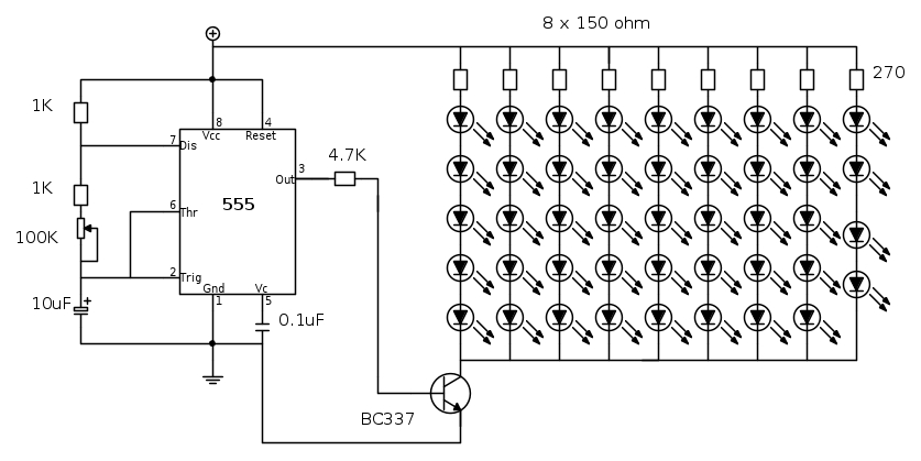
Ho realizzato il circuito, (il mio primo circuito), c'è un problema i led non si accendono tutti anche se ho controllato bene i collegamenti, e quelli che si accendono non lampeggiano come dovrebbero fare, forse ho sbagliato qualche collegamento, vi posto le foto se riuscite a darmi una mano voi che siete piu esperti nella pratica :






-

RedEvil1991
14 5 - Frequentatore

- Messaggi: 104
- Iscritto il: 6 feb 2012, 21:10
0
voti
Per questo non lampeggia.
Non hai seguito il mio schema che prevede un elettrolitico da 10microFarad ed un ceramico da 0.01uF.
Con il condensatore che hai messo il lampeggio e' talmente veloce da non poter essere percepito.
Non hai seguito il mio schema che prevede un elettrolitico da 10microFarad ed un ceramico da 0.01uF.
Con il condensatore che hai messo il lampeggio e' talmente veloce da non poter essere percepito.
marco
0
voti
ah, avevo capito male, grazie in settimana vado a comprare quelli giusti. E per i led che non si accendono cosa dici che sia? qualche falso contatto?
-

RedEvil1991
14 5 - Frequentatore

- Messaggi: 104
- Iscritto il: 6 feb 2012, 21:10
Chi c’è in linea
Visitano il forum: Nessuno e 48 ospiti

Elettrotecnica e non solo (admin)
Un gatto tra gli elettroni (IsidoroKZ)
Esperienza e simulazioni (g.schgor)
Moleskine di un idraulico (RenzoDF)
Il Blog di ElectroYou (webmaster)
Idee microcontrollate (TardoFreak)
PICcoli grandi PICMicro (Paolino)
Il blog elettrico di carloc (carloc)
DirtEYblooog (dirtydeeds)
Di tutto... un po' (jordan20)
AK47 (lillo)
Esperienze elettroniche (marco438)
Telecomunicazioni musicali (clavicordo)
Automazione ed Elettronica (gustavo)
Direttive per la sicurezza (ErnestoCappelletti)
EYnfo dall'Alaska (mir)
Apriamo il quadro! (attilio)
H7-25 (asdf)
Passione Elettrica (massimob)
Elettroni a spasso (guidob)
Bloguerra (guerra)


