Salve,
volevo sapere se esiste un componente integrato che sostituisca la funzione del relè..mi spiego:
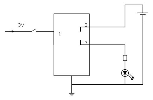
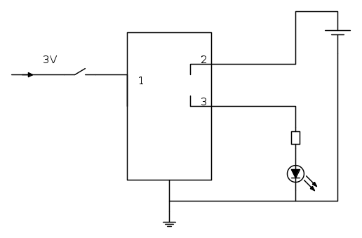
come ingresso (1) 3 volt e corrente di circa 3mA, mentre come carico da pilotare un led è sui 20mA se non sbaglio. Insomma è una eresia oppure esiste qualcosa del genere?
Grazie mille.
Circuito integrato sostituto del relè
Moderatori:
carloc,
g.schgor,
BrunoValente,
IsidoroKZ
7 messaggi
• Pagina 1 di 1
0
voti

ma dai è perfetto grazie mille.
Ora una domanda meno tecnica: a parte la comunità online che è fatta di persone più o meno acculturate (e nel tuo caso il + è d'obbligo), esiste una sorta di database dei componenti, dove inserire parole chiave (tag) per poter cercare appunto i componenti? grazie.
0
voti
Direi di no.
Certi fornitori ( vedi RS Components) hanno qualcosa di simile ma e' necessario almeno sapere che cosa si cerca.
Stesso discorso per i datasheet dei componenti che richiedono l'inserimento della sigla del componente stesso .
Certi fornitori ( vedi RS Components) hanno qualcosa di simile ma e' necessario almeno sapere che cosa si cerca.
Stesso discorso per i datasheet dei componenti che richiedono l'inserimento della sigla del componente stesso .
marco
0
voti
si vero, comunque grazie mille, ho gia preso su ebay il cd4066 (è molto economico, soprattutto in confronto ai relè reed)
Magari lo stresserò un po e ti farò sapere a quanti mA inizia a puzzare di bruciato! Ciao!
Magari lo stresserò un po e ti farò sapere a quanti mA inizia a puzzare di bruciato! Ciao!
7 messaggi
• Pagina 1 di 1
Chi c’è in linea
Visitano il forum: Nessuno e 84 ospiti

Elettrotecnica e non solo (admin)
Un gatto tra gli elettroni (IsidoroKZ)
Esperienza e simulazioni (g.schgor)
Moleskine di un idraulico (RenzoDF)
Il Blog di ElectroYou (webmaster)
Idee microcontrollate (TardoFreak)
PICcoli grandi PICMicro (Paolino)
Il blog elettrico di carloc (carloc)
DirtEYblooog (dirtydeeds)
Di tutto... un po' (jordan20)
AK47 (lillo)
Esperienze elettroniche (marco438)
Telecomunicazioni musicali (clavicordo)
Automazione ed Elettronica (gustavo)
Direttive per la sicurezza (ErnestoCappelletti)
EYnfo dall'Alaska (mir)
Apriamo il quadro! (attilio)
H7-25 (asdf)
Passione Elettrica (massimob)
Elettroni a spasso (guidob)
Bloguerra (guerra)



