Buon giorno a tutti,
sono uno studente all'ultimo anno del liceo scentifico.
il fascino che mi attrae su tutto ciò che di elettrico ci circonda mi ha portato a fare un progetto per la maturità che è controtendente alle aspettatite della scuola che frequento.
questo ha destato molto interesse e sorpresa nei miei insegnanti ma avendo poche basi e essendo autodidatta ho trovato alcune difficoltà che spero di poter risolvere anche grazie a vostro apporto tecnico dal quale attingo fonte di sapere:
il mio progetto è una bobina di tesla.
l'impronta che ho dato al mio progetto è la seguente ossia minima spesa massima resa.
il mio problema principale è proprio creare il primo generatore di alta tensione.
il generatore viene alimentato da una batteria da autovettura da 12v. la bobina utilzzata è una bobina da autovettura che dovrebbe erogare l'alta tensine della quale necessito. pensavo di utilizzare un NE555 correttamente dimensionato da potermi dare in uscita dal pin3 una forma d'onda quadra 12-0 con frequeza di 50hz e un duty cycle del 25%. questa a sua volta dovrebbe pilotarmi un transistor NPN da 16A e 3Mhz il quale è messo con il collettore e emettitore in serie con il negativo della bobina stessa.
questa è la teoria del mio progetto che si trova a scontrarsi con la realtà del non funzionamento dello stesso. ho provato piu' volte e con piu' schede ma il fallimento è stato disarmante.
possiedo gli schemi tentati sull'oscillatore e tutti i vari transistor che ho provato. ora vorrei poter comprendere, con chi abbia voglia di farmi capire, se l'errore è un errore teorico ossia se il concetto è sbagliato in qualche punto, oppure se è manuale nella messa in opera dello stesso.
grazie
Tesina di maturità
Moderatori:
g.schgor,
IsidoroKZ
17 messaggi
• Pagina 1 di 2 • 1, 2
2
voti
Se ne sei in grado posta lo schema del progetto. Cosa c'e tra il 555 ed il transistor ? Quale transistor? Quale bobina? Sei conscio della pericolosità del progetto , ammesso che funzioni? Una bobina di Testa non e' solo un poco di filo avvolto.
-

Candy
32,5k 7 10 13 - CRU - Account cancellato su Richiesta utente
- Messaggi: 10123
- Iscritto il: 14 giu 2010, 22:54
1
voti
candy ha scritto:Sei conscio della pericolosità del progetto , ammesso che funzioni? Una bobina di Tesla non e' solo un poco di filo avvolto.
Sì, anche secondo me stai giocando col fuoco (elettrico) e, ammesso che tu riesca a farla funzionare, rischi di fulminarti tu e qualche prof della commissione d'esame.
piova ha scritto:pensavo di utilizzare un NE555 correttamente dimensionato da potermi dare in uscita dal pin3 una forma d'onda quadra 12-0 con frequeza di 50hz e un duty cycle del 25%. questa a sua volta dovrebbe pilotarmi un transistor NPN da 16A e 3Mhz il quale è messo con il collettore e emettitore in serie con il negativo della bobina stessa.
Secondo me hai le idee poco chiare sulle frequenze di lavoro del tuo circuito. Comunque se vuoi ottenere qualche aiuto disegna uno schema di quello che hai fatto con FidocadJ.
A che livello sei con la progettazione e realizzazione di progetti elettrici ed elettronici? Perché una bobina di Tesla non è un progetto facile... Ma poi tu fai solo la realizzazione prendendo un progetto già fatto e provato, o hai fatto tu anche il progetto? Perché nell'ultimo caso il lavoro di messa a punto è proibitivo e le probabilità di insuccesso sono altissime...
Per ora quella bobina d'auto più oscillatore e transistor sono un'"accensione elettronica". Siamo già a decine di migliaia di volt e qualche scintilla corta (se funzionasse) la dovrebbe già fare. Vorresti usare l'accensione elettronica come generatore pilota per la bobina di Tesla. A quanti milioni di volt vuoi arrivare?
Ho visto che quest'anno sono uscite come materie d'esame allo scientifico: italiano, matematica, lingua straniera e filosofia. Che cosa c'entra la bobina di Tesla? Lo chiedo perché ai miei tempi le tesine le facevamo sulle materie oggetto d'esame (ma magari adesso è cambiato tutto).
Io comunque ti consiglierei (ammesso che tu possa portare un progetto del genere) di puntare su qualcosa di più innocuo. Che so, una pila Daniell, con cui puoi fare una bella dissertazione sulle reazioni di ossidoriduzione... e ci fai suonare un piccolo generatore di melodia che prendi da un biglietto augurale musicale. Oppure (visto che è uscita matematica) un programma che trova numericamente gli zeri di varie funzioni di esempio, utilizzando diversi metodi (bisezione, corde, secanti...) e poi fa un confronto delle relative efficienze di questi algoritmi...
In bocca al lupo comunque.

Big fan of ⋮ƎlectroYou! Ausili per disabili e anziani su ⋮ƎlectroYou
Caratteri utili: À È É Ì Ò Ó Ù α β γ δ ε η θ λ μ π ρ σ τ φ ω Ω º ª ² ³ √ ∛ ∜ ₀ ₁ ₂ ₃ ₄ ₅ ₆ ∃ ∄ ∆ ∈ ∉ ± ∓ ∾ ≃ ≈ ≠ ≤ ≥
Caratteri utili: À È É Ì Ò Ó Ù α β γ δ ε η θ λ μ π ρ σ τ φ ω Ω º ª ² ³ √ ∛ ∜ ₀ ₁ ₂ ₃ ₄ ₅ ₆ ∃ ∄ ∆ ∈ ∉ ± ∓ ∾ ≃ ≈ ≠ ≤ ≥
0
voti
Normativamente la tesina di presentazione è un argomento liberamente sceltodallo studente fra i suoi interessi personali, inerente al programma o no non importa, multidisciplinare o monografico. QUesto dice la legge ma le commissioni la evadono sempre....
-

fairyvilje
15,0k 4 9 12 - G.Master EY

- Messaggi: 3047
- Iscritto il: 24 gen 2012, 19:23
0
voti
grazie per l'interessamento alla mia salute e alla possibilità di essere fulminato. sono cosciente dei pericoli e delle loro complicanze. sono cosciente della difficoltà del progetto. sono cosciente che potrei miseramente fallire. ma ciò non mi toglie dal desiderio di poter creare per la tesi di maturità questo progetto. sono in difficoltà altrimenti non sarei qua a scrivere per cercare un aiuto e come ho detto sono totalmente autodidatta non ho amici o parenti o conoscenti che mi possano aiutare nel settore elettronico.
il mio progetto è quasi totalmente finito. ho già portato a termine ogni lato della sua costruzione. secondario primario toroide diverse bottiglie di leida. il mio apparecchio già funziona basta che collego e scollego la massa della bobina in modo manuale che ho già un discreto risultato all'uscita del secondario. chiaramente l'impianto non ha un rendimento al 100% ma poco importa, a me interessa far vedere il funzionamento e che ho carpito il concetto... mi mi manca solo di far oscillare ste benedetto primario della bobina da autovettura.
i tansistor che ho provato finora a collegare sono stati:
2N3035 (questo è quello che pensavo fosse piu' appropriato ma a fallimento ho iniziato a provare qualsiasi cosa mi capitasse in mano ad esempio):
2N3036
2N37783G
TIP2955
BU508A
ho persino provato a pilotarlo con relè.
il mio progetto è quasi totalmente finito. ho già portato a termine ogni lato della sua costruzione. secondario primario toroide diverse bottiglie di leida. il mio apparecchio già funziona basta che collego e scollego la massa della bobina in modo manuale che ho già un discreto risultato all'uscita del secondario. chiaramente l'impianto non ha un rendimento al 100% ma poco importa, a me interessa far vedere il funzionamento e che ho carpito il concetto... mi mi manca solo di far oscillare ste benedetto primario della bobina da autovettura.
i tansistor che ho provato finora a collegare sono stati:
2N3035 (questo è quello che pensavo fosse piu' appropriato ma a fallimento ho iniziato a provare qualsiasi cosa mi capitasse in mano ad esempio):
2N3036
2N37783G
TIP2955
BU508A
ho persino provato a pilotarlo con relè.
0
voti
la bobina utilizzata per creare il generatore:
è una bobina da auto che ha le seguenti caratteristiche:
tensione alimentazione 12V
max sul primario 360v
corrente assorbita 6A
max corrente sul primario 12A
tensione massima sul secondario 25KV
resistenza secondario 10000
tempo di dwell <3.5 ms
questi sono i dati che la casa costruttrice divulga sul suo prodotto.
vorrei pilotarla con una frequenza di 50 Hz e un duty cycle del 25%.
per quanto riguarda il disegno dello schema dell'NE555 l'ho già nei miei appunti ma per farlo con fidocad datemi tempo per prendere dimestichezza col prodotto poi lo posto...
è una bobina da auto che ha le seguenti caratteristiche:
tensione alimentazione 12V
max sul primario 360v
corrente assorbita 6A
max corrente sul primario 12A
tensione massima sul secondario 25KV
resistenza secondario 10000
tempo di dwell <3.5 ms
questi sono i dati che la casa costruttrice divulga sul suo prodotto.
vorrei pilotarla con una frequenza di 50 Hz e un duty cycle del 25%.
per quanto riguarda il disegno dello schema dell'NE555 l'ho già nei miei appunti ma per farlo con fidocad datemi tempo per prendere dimestichezza col prodotto poi lo posto...
0
voti
piova ha scritto:per quanto riguarda il disegno dello schema dell'NE555 l'ho già nei miei appunti ma per farlo con fidocad datemi tempo per prendere dimestichezza col prodotto poi lo posto...
FidocadJ è facilissimo e comodissimo da utilizzare, guarda anche questa spiegazione, che è più semplice ed essenziale. Se non stai già usando un altro programma, potrai usare FidocadJ anche per dare un aspetto ordinato a schemi e disegni da inserire nella tesina.
Big fan of ⋮ƎlectroYou! Ausili per disabili e anziani su ⋮ƎlectroYou
Caratteri utili: À È É Ì Ò Ó Ù α β γ δ ε η θ λ μ π ρ σ τ φ ω Ω º ª ² ³ √ ∛ ∜ ₀ ₁ ₂ ₃ ₄ ₅ ₆ ∃ ∄ ∆ ∈ ∉ ± ∓ ∾ ≃ ≈ ≠ ≤ ≥
Caratteri utili: À È É Ì Ò Ó Ù α β γ δ ε η θ λ μ π ρ σ τ φ ω Ω º ª ² ³ √ ∛ ∜ ₀ ₁ ₂ ₃ ₄ ₅ ₆ ∃ ∄ ∆ ∈ ∉ ± ∓ ∾ ≃ ≈ ≠ ≤ ≥
0
voti
Ultima modifica di
Candy il 27 apr 2012, 15:54, modificato 1 volta in totale.
Motivazione: Correzione messaggio. Per postaregli schemi occorre usare i tag fcd...
Motivazione: Correzione messaggio. Per postaregli schemi occorre usare i tag fcd...
2
voti
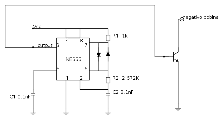
Sia lo schema che hai postato, come tutto il tuo progetto, è sbagliato.
Non mi dilungo sulle bobine Tesla perché sono parecchio complesse anche per chi ha già conoscenza di causa e dell'esperienza.
Invece il circuito che hai postato ha difetti ed errori, ma invece di tentare di fare danni con delle bobine, per ora sarebbe più sensato riuscire almeno a far lampeggiare un LED.
Più tardi, con FidocadJ a portata di mano, farò lo schema corretto.
Non mi dilungo sulle bobine Tesla perché sono parecchio complesse anche per chi ha già conoscenza di causa e dell'esperienza.
Invece il circuito che hai postato ha difetti ed errori, ma invece di tentare di fare danni con delle bobine, per ora sarebbe più sensato riuscire almeno a far lampeggiare un LED.
Più tardi, con FidocadJ a portata di mano, farò lo schema corretto.
-

Candy
32,5k 7 10 13 - CRU - Account cancellato su Richiesta utente
- Messaggi: 10123
- Iscritto il: 14 giu 2010, 22:54
17 messaggi
• Pagina 1 di 2 • 1, 2
Torna a Elettrotecnica generale
Chi c’è in linea
Visitano il forum: Nessuno e 86 ospiti

Elettrotecnica e non solo (admin)
Un gatto tra gli elettroni (IsidoroKZ)
Esperienza e simulazioni (g.schgor)
Moleskine di un idraulico (RenzoDF)
Il Blog di ElectroYou (webmaster)
Idee microcontrollate (TardoFreak)
PICcoli grandi PICMicro (Paolino)
Il blog elettrico di carloc (carloc)
DirtEYblooog (dirtydeeds)
Di tutto... un po' (jordan20)
AK47 (lillo)
Esperienze elettroniche (marco438)
Telecomunicazioni musicali (clavicordo)
Automazione ed Elettronica (gustavo)
Direttive per la sicurezza (ErnestoCappelletti)
EYnfo dall'Alaska (mir)
Apriamo il quadro! (attilio)
H7-25 (asdf)
Passione Elettrica (massimob)
Elettroni a spasso (guidob)
Bloguerra (guerra)



