Cos'è ElectroYou | Login Iscriviti

ElectroYou - la comunità dei professionisti del mondo elettrico

aiuto elevatore tensione con JOULE THIEF

Elettronica lineare e digitale: didattica ed applicazioni

Moderatori: Foto Utentecarloc, Foto Utenteg.schgor, Foto UtenteBrunoValente, Foto UtenteIsidoroKZ

0
voti

[1] aiuto elevatore tensione con JOULE THIEF

Messaggioda Foto Utentesebasera » 27 apr 2012, 21:54

Ciao a tutti! O_/
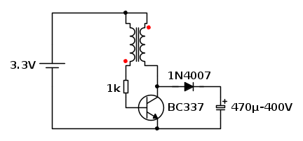
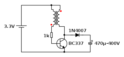
Ho realizzato un joule thief con lo scopo di caricare un condensatore elettrolitico ad una tensione di circa 400V (da utilizzare poi per alimentare un mio progetto).

Ecco come ho impostato il circuito: come toroide ne ho utilizzato uno avente diverse spire sugli avvolgimenti: 35 su quello della base del BJT e 20 su quello del collettore.


La tensione che ottengo in uscita senza alcun carico misurata è di circa 1100V (prestando la dovuta CAUTELA), però quando collego il condensatore, questo si carica fino a 70V e poi va in tilt, nel senso che misuro una tensione che continua a variare (tipo 20V, poi 150, poi 60, e cosi via) ma se spengo il tutto, il condensatore risulta carico comunque a 70V.

Perché? Come risolvo?
Grazie :D
Avatar utente
Foto Utentesebasera
53 1 1 7
Frequentatore
Frequentatore
 
Messaggi: 153
Iscritto il: 22 ago 2010, 9:44

2
voti

[2] Re: aiuto elevatore tensione con JOULE THIEF

Messaggioda Foto UtenteIsidoroKZ » 27 apr 2012, 22:08

Usando un altro "trasformatore": cosi` il transistore vede la tensione di uscita e il BC337 sicuramente non ce la fa.

Inoltre misurare una tensione pulsante e rumorosa e` un vero casino.

Se vuoi qualcosa di pronto, usa il circuito di carica del condensatore del flash di una vecchia macchina fotografica. Oppure se vuoi farti tutto il circuito, cerca in Linear Technology, hanno un paio di integrati per caricare i condensatori e suggeriscono anche quale "trasformatore" usare.

Ho sempre messo "trasformatore" fra virgolette perche' non e` un trasformatore ma sono due induttori accoppiati.
Per usare proficuamente un simulatore, bisogna sapere molta più elettronica di lui
Plug it in - it works better!
Il 555 sta all'elettronica come Arduino all'informatica! (entrambi loro malgrado)
Se volete risposte rispondete a tutte le mie domande
Avatar utente
Foto UtenteIsidoroKZ
121,2k 1 3 8
G.Master EY
G.Master EY
 
Messaggi: 21059
Iscritto il: 17 ott 2009, 0:00

0
voti

[3] Re: aiuto elevatore tensione con JOULE THIEF

Messaggioda Foto Utentesebasera » 28 apr 2012, 7:44

Verificando sul datasheet del bc337 mi rendo conto ora che la tensione che ottengo (70V) è decisamente maggiore di quella max tra collettore ed emettitore supportata: 45V.
Se provassi a cambiare transistor può funzionare?
Avatar utente
Foto Utentesebasera
53 1 1 7
Frequentatore
Frequentatore
 
Messaggi: 153
Iscritto il: 22 ago 2010, 9:44

0
voti

[4] Re: aiuto elevatore tensione con JOULE THIEF

Messaggioda Foto UtenteIsidoroKZ » 28 apr 2012, 8:59

Non credo, per una serie di motivi: ad esempio i transistori ad alta tensione hanno un guadagno piu` basso, il rapporto spire del componente magnetico non e` ottimale... Cerca l'integrato LT di cui parlavo, oppure qualche "self oscillating flyback".
Per usare proficuamente un simulatore, bisogna sapere molta più elettronica di lui
Plug it in - it works better!
Il 555 sta all'elettronica come Arduino all'informatica! (entrambi loro malgrado)
Se volete risposte rispondete a tutte le mie domande
Avatar utente
Foto UtenteIsidoroKZ
121,2k 1 3 8
G.Master EY
G.Master EY
 
Messaggi: 21059
Iscritto il: 17 ott 2009, 0:00

0
voti

[5] Re: aiuto elevatore tensione con JOULE THIEF

Messaggioda Foto UtenteCandy » 28 apr 2012, 12:54

Mi accodo a questo argomento solo per manifestare la mia ignoranza e sbigottimento. Per quale regola un simile circuitino dovrebbe innalzare così tanto la tensione? Se l'induttore che funge da "primario" è magneticamente accoppiato al "secondario", le regole basilari di un trasformatore non valgono più?
C'è sicuramente qualcosa che mi sfugge e probabilmente il gioco finale è far lavorare il tutto in modo risonante, cosicché per ogni ciclo si hanno tensioni che sempre si sommano a quelle del ciclo precedente. Però per qualche ragione non sono del tutto convinto.
Un simile circuito potrebbe fungere da pompa di tensione, forse, quando non vi è richiesta di energia in "uscita"?
Avatar utente
Foto UtenteCandy
32,5k 7 10 13
CRU - Account cancellato su Richiesta utente
 
Messaggi: 10123
Iscritto il: 14 giu 2010, 22:54

5
voti

[6] Re: aiuto elevatore tensione con JOULE THIEF

Messaggioda Foto UtenteIsidoroKZ » 28 apr 2012, 14:46

Non ci sono risonanze, e` un convertitore autoscillante: la tensione elevata si forma quando si apre di colpo la corrente che scorre nell'induttanza.

Il "trasformatore" in realta` sono due induttori accoppiati con induttanza di magnetizzazione non troppo elevata, in modo che possa immagazzinare un po' di energia prima di saturare.

All'accensione non c'e` energia nel nucleo, il transistor si accende attraverso il primario e la resistenza e succhia corrente dal collettore. La corrente passa nel secondario, aumenta via via (perche' e` una induttanza con una tensione continua ai suoi capi) e nel frattempo induce sul primario una tensione che si somma a quella della batteria, tenendo il transistore ancora piu` in conduzione.

Quando la corrente di secondario diventa tale da saturare il componente magnetico, la tensione sul primario diminuisce il transistore comincia ad aprirsi: questo fa incazzare l'induttanza che inverte la tensione ai suoi capi, cercando disperatamente di far scorrere ancora la sua corrente.

La tensione invertita c'e` anche al primario e spegne definitivamente il transistore. L'energia accumulata nell'induttanza esce dal componente magnetico alzando la tensione di uscita e caricando via via il condensatore.

Quando l'energia dell'induttanza e` uscita tutta, i due avvolgimenti tornano a essere due pezzi di filo storti, e il transistore si riaccende.

Se non c'e` nessun carico, come in tutti i boost, buckboost e simili, la tensione di uscita diverge finche' qualche componente non va in valanga e la limita.
Per usare proficuamente un simulatore, bisogna sapere molta più elettronica di lui
Plug it in - it works better!
Il 555 sta all'elettronica come Arduino all'informatica! (entrambi loro malgrado)
Se volete risposte rispondete a tutte le mie domande
Avatar utente
Foto UtenteIsidoroKZ
121,2k 1 3 8
G.Master EY
G.Master EY
 
Messaggi: 21059
Iscritto il: 17 ott 2009, 0:00

0
voti

[7] Re: aiuto elevatore tensione con JOULE THIEF

Messaggioda Foto UtenteCandy » 28 apr 2012, 20:56

Grazie, grazie mille.
Avatar utente
Foto UtenteCandy
32,5k 7 10 13
CRU - Account cancellato su Richiesta utente
 
Messaggi: 10123
Iscritto il: 14 giu 2010, 22:54


Torna a Elettronica generale

Chi c’è in linea

Visitano il forum: Nessuno e 61 ospiti