Salve,
Sto costruendo un pannello che andrà collegato ad un PC.
Per abbellirlo vorrei metterci un led RGB con luce BLU di base.
Vorrei alimentare il led tramite la Scheda madre del PC, esattamente dai piedini che vengono utilizzati per i led POWER e HDD che si trovano nel pannello frontale dei PC.
Il gioco che vorrei fare è che il led passasse dalla luce blu di base (da collegare al terminale POWER) alla luce VERDE oppure ROSSA quando il PC legge le informazioni dall'HD, ma senza che i colori si mescolino.
Potreste aiutarmi a fare un circuitino per questo scopo?
Schema per led RGB
Moderatori:
carloc,
g.schgor,
BrunoValente,
IsidoroKZ
28 messaggi
• Pagina 1 di 3 • 1, 2, 3
0
voti
0
voti
Nessuna idea?
Non dovrebbe essere difficile, le tensioni sono già a posto essendo prese dalla scheda madre in punti che già pilotano dei led....
Devo solo creare questo "scambio" di colori. quando arriva il segnale dal led HDD deve spegnersi la luce blu ed accendersi solo quella verde/rossa. (poi deciderò quale).
Non dovrebbe essere difficile, le tensioni sono già a posto essendo prese dalla scheda madre in punti che già pilotano dei led....
Devo solo creare questo "scambio" di colori. quando arriva il segnale dal led HDD deve spegnersi la luce blu ed accendersi solo quella verde/rossa. (poi deciderò quale).

0
voti
cinque ha scritto:Ah! E tu come procederesti?Non dovrebbe essere difficile..
Pensavo a qualcosa come una porta logica o qualcosa di simile, ma non ho ancora nessuna idea.
gohan ha scritto:Il disco duro è SATA o IDE?
Gli HD sono ide. Perche?
0
voti
sidro007 ha scritto:Gli HD sono ide. Perche?
Perché se osservi il pinout IDE, penso che puoi fare caso al Read Strobe & Write Strobe. Per dire se è possibile o bisogna mettere un transistore o porta logica bisognerebbe dare una occhiata alla caratteristiche elettriche dei collegamenti (tensione e resistenza di ouput), dettaglio che non trovo in questo momento, anche se non ricordo male la tensione di alimentazione del disco duro dovrebbe essere di 5V.
0
voti
gohan ha scritto:Perché se osservi [...]
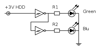
Ma più semplicemento io userei questa:
Ho gia le uscite pronte con le tensioni giuste, non ho capito però come usare l'inverter per escludere una uscita quando arriva il segnale del led HDD.
1
voti
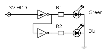
Ho fatto i compiti a casa...
Potrebbe essere una soluzione questa?
Potrebbe essere una soluzione questa?
28 messaggi
• Pagina 1 di 3 • 1, 2, 3
Chi c’è in linea
Visitano il forum: Nessuno e 178 ospiti

Elettrotecnica e non solo (admin)
Un gatto tra gli elettroni (IsidoroKZ)
Esperienza e simulazioni (g.schgor)
Moleskine di un idraulico (RenzoDF)
Il Blog di ElectroYou (webmaster)
Idee microcontrollate (TardoFreak)
PICcoli grandi PICMicro (Paolino)
Il blog elettrico di carloc (carloc)
DirtEYblooog (dirtydeeds)
Di tutto... un po' (jordan20)
AK47 (lillo)
Esperienze elettroniche (marco438)
Telecomunicazioni musicali (clavicordo)
Automazione ed Elettronica (gustavo)
Direttive per la sicurezza (ErnestoCappelletti)
EYnfo dall'Alaska (mir)
Apriamo il quadro! (attilio)
H7-25 (asdf)
Passione Elettrica (massimob)
Elettroni a spasso (guidob)
Bloguerra (guerra)



...forse ho capito male io, comunque penso che una cosa del genere 