Schema per led RGB
Moderatori:
carloc,
g.schgor,
BrunoValente,
IsidoroKZ
28 messaggi
• Pagina 2 di 3 • 1, 2, 3
0
voti
No, il contrario.....
E poi ieri ho preso i led e mi sono accorto che sono con Anodo in comune (per quello costavano così poco...)
Non ho ben chiaro se cambia qualcosa nello schema. Ragioniamo:
ora ho bisogno di un segnale negativo per pilotare il led, ma devo utilizzare sempre un segnale positivo in ingresso all'inverter.
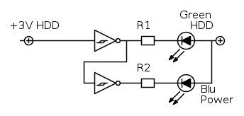
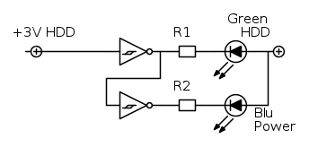
Avendo tensione positiva in ingresso del primo NOT questo dovrebbe essere 1, quindi l'uscita dovrebbe essere 0 e dovrebbe accendersi il led VERDE, giusto?
Quando non c'è tensione nel primo NOT si accende il led BLU.
E poi ieri ho preso i led e mi sono accorto che sono con Anodo in comune (per quello costavano così poco...)
Non ho ben chiaro se cambia qualcosa nello schema. Ragioniamo:
ora ho bisogno di un segnale negativo per pilotare il led, ma devo utilizzare sempre un segnale positivo in ingresso all'inverter.
Avendo tensione positiva in ingresso del primo NOT questo dovrebbe essere 1, quindi l'uscita dovrebbe essere 0 e dovrebbe accendersi il led VERDE, giusto?
Quando non c'è tensione nel primo NOT si accende il led BLU.
0
voti
Una porta CMOS per riconoscere un segnale 0V-3V deve essere alimentata a 3V anche lei. Una porta CMOS alimentata a 3V tira fuori pochissima corrente il led rischia di accendersi proprio poco...
...se si accende, perche' i led blu richiedono oltre 3V di tensione. Meglio cercare una soluzione diversa, ad esempio con una alimentazione a 5V almeno e uso di transistori bipolari.
...se si accende, perche' i led blu richiedono oltre 3V di tensione. Meglio cercare una soluzione diversa, ad esempio con una alimentazione a 5V almeno e uso di transistori bipolari.
Per usare proficuamente un simulatore, bisogna sapere molta più elettronica di lui
Plug it in - it works better!
Il 555 sta all'elettronica come Arduino all'informatica! (entrambi loro malgrado)
Se volete risposte rispondete a tutte le mie domande
Plug it in - it works better!
Il 555 sta all'elettronica come Arduino all'informatica! (entrambi loro malgrado)
Se volete risposte rispondete a tutte le mie domande
0
voti
Se non ho capito male, significa che all'uscita del NOT il segnale non ha una tensione sufficente a pilotare il led?
Potrei fargli pilotare un transistor. Più di 3V non siesco a dargli perche quello ho come segnale a disposizione.
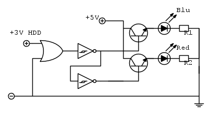
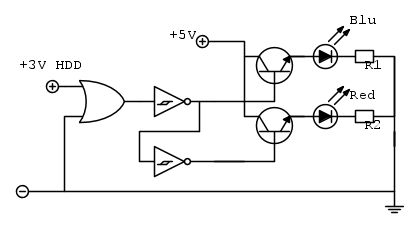
Posso provare a pilotare il led con un transistor:
Oppure sono aperto anche ad altre soluzioni, basta che si possa spegnere un led qualdo si accente l'altro.
Potrei fargli pilotare un transistor. Più di 3V non siesco a dargli perche quello ho come segnale a disposizione.
Posso provare a pilotare il led con un transistor:
Oppure sono aperto anche ad altre soluzioni, basta che si possa spegnere un led qualdo si accente l'altro.
0
voti
Con 3V un led blu non si accende, o si accende a malapena.
Il circuito che hai fatto non funziona, losi puo` fare solo a transistori, ma la tensione potrebbe non bastare.
Da dove arrivano i 3V che hai a disposizione?
Sicuro di non poter trovare un'altra alimentazione a 5V?
Il circuito che hai fatto non funziona, losi puo` fare solo a transistori, ma la tensione potrebbe non bastare.
Da dove arrivano i 3V che hai a disposizione?
Sicuro di non poter trovare un'altra alimentazione a 5V?
Per usare proficuamente un simulatore, bisogna sapere molta più elettronica di lui
Plug it in - it works better!
Il 555 sta all'elettronica come Arduino all'informatica! (entrambi loro malgrado)
Se volete risposte rispondete a tutte le mie domande
Plug it in - it works better!
Il 555 sta all'elettronica come Arduino all'informatica! (entrambi loro malgrado)
Se volete risposte rispondete a tutte le mie domande
0
voti
I 3 volt arrivano dalla scheda madre del PC, sono quelli che alimentano i led Verde Power e giallo HDD.
Sto facendo delle prove sulla scheda e i led RGB si accendono bene se li collego direttamente a quelle uscite.


Dopotutto il colore viola che risulta dalla fusione di blu e rosso non mi dispiace...
Se la cosa è troooppo complicata da realizzarsi, collego il led direttamente alla MB.
Edit marco438: Le foto devono essere inserite mediante l'apposito comando "invia allegato"; non usare server esterni.
Sto facendo delle prove sulla scheda e i led RGB si accendono bene se li collego direttamente a quelle uscite.


Dopotutto il colore viola che risulta dalla fusione di blu e rosso non mi dispiace...
Se la cosa è troooppo complicata da realizzarsi, collego il led direttamente alla MB.
Edit marco438: Le foto devono essere inserite mediante l'apposito comando "invia allegato"; non usare server esterni.
0
voti
Verdi e gialli si riescono ad accendere e a controllarne la corrente, con i blu non ce la si fa.
Per usare proficuamente un simulatore, bisogna sapere molta più elettronica di lui
Plug it in - it works better!
Il 555 sta all'elettronica come Arduino all'informatica! (entrambi loro malgrado)
Se volete risposte rispondete a tutte le mie domande
Plug it in - it works better!
Il 555 sta all'elettronica come Arduino all'informatica! (entrambi loro malgrado)
Se volete risposte rispondete a tutte le mie domande
0
voti
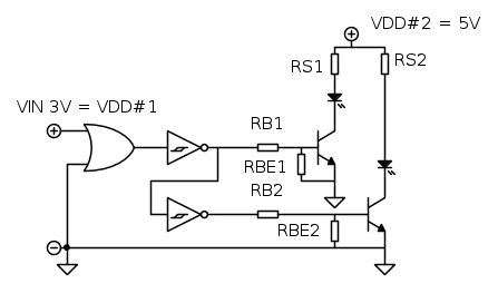
Stavolta non potete dire che non funziona, ci ho passato le ore su Yenka...
Cosa ne dite?
Cosa ne dite?
0
voti
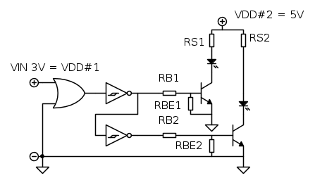
sidro007 ha scritto:Stavolta non potete dire che non funziona
Ebbene potrebbe anche non funzionare ed è molto probabile che sia così, non tanto per come sono collegati i transistori, ma per il fatto che le porte logiche le devi alimentare a 5V, ed in tal caso potresti avere problemi con la
della OR. Infatti se osservi il datasheet del 74HC32, vedi che a 4.5V la
è superiore a 3V..Riassumendo, se lo monti così gli integrati li devi alimentare a 5V, ma non funziona la OR, nemmeno se la alimenti a 3V ed alimentando le NOT a 5V, perché se vedi il datasheet del 74HC14, siamo nella stessa situazione della OR..
Come giustamente detto da
(mi sono perso un po' e prima non feci nemmeno caso alla
dei LED Blu...) o alla tensione di alimentazione di 3V per le porte logiche:IsidoroKZ ha scritto:la tensione potrebbe non bastare.
Infatti non basta.
Invece, se il circuito lo monti così
Le porte logiche le puoi alimentare tutte a 3V, consumano meno, e sei contento.
Comunque puoi anche farlo solo a transistori come già detto da lui.
ci ho passato le ore su Yenka...
Che non ti sembri strano che alla prossima risposta ti dica "Butta via i simulatori!".


1
voti
E la porta OR a che cosa serve?
1) BUTTA VIA I SIMULATORI: servono solo quando uno sa gia` l'elettronica.
2) Cosi` fa proprio tanto schifo?
1) BUTTA VIA I SIMULATORI: servono solo quando uno sa gia` l'elettronica.
2) Cosi` fa proprio tanto schifo?
Per usare proficuamente un simulatore, bisogna sapere molta più elettronica di lui
Plug it in - it works better!
Il 555 sta all'elettronica come Arduino all'informatica! (entrambi loro malgrado)
Se volete risposte rispondete a tutte le mie domande
Plug it in - it works better!
Il 555 sta all'elettronica come Arduino all'informatica! (entrambi loro malgrado)
Se volete risposte rispondete a tutte le mie domande
28 messaggi
• Pagina 2 di 3 • 1, 2, 3
Chi c’è in linea
Visitano il forum: Nessuno e 97 ospiti

Elettrotecnica e non solo (admin)
Un gatto tra gli elettroni (IsidoroKZ)
Esperienza e simulazioni (g.schgor)
Moleskine di un idraulico (RenzoDF)
Il Blog di ElectroYou (webmaster)
Idee microcontrollate (TardoFreak)
PICcoli grandi PICMicro (Paolino)
Il blog elettrico di carloc (carloc)
DirtEYblooog (dirtydeeds)
Di tutto... un po' (jordan20)
AK47 (lillo)
Esperienze elettroniche (marco438)
Telecomunicazioni musicali (clavicordo)
Automazione ed Elettronica (gustavo)
Direttive per la sicurezza (ErnestoCappelletti)
EYnfo dall'Alaska (mir)
Apriamo il quadro! (attilio)
H7-25 (asdf)
Passione Elettrica (massimob)
Elettroni a spasso (guidob)
Bloguerra (guerra)








