Cos'è ElectroYou | Login Iscriviti

ElectroYou - la comunità dei professionisti del mondo elettrico

lampada a segnale acustico

Tecniche per la costruzione e la riparazione di apparecchiature elettriche e non. Ricerca guasti. Adattamenti e riutilizzazioni
0
voti

[1] lampada a segnale acustico

Messaggioda Foto Utentelidia » 30 apr 2012, 14:51

ciao ragazzi rieccomi con un nuovo argomento :D
vorrei sapere come far accendere una lampada cioè una lampadina con un segnale acustico tipo battere le mani !
mi potete aiutare ? grazie in anticipo
Avatar utente
Foto Utentelidia
47 5
Frequentatore
Frequentatore
 
Messaggi: 131
Iscritto il: 10 apr 2012, 11:36

0
voti

[2] Re: lampada a segnale acustico

Messaggioda Foto UtentematteoDL » 30 apr 2012, 15:02

Avatar utente
Foto UtentematteoDL
704 3 7
Expert
Expert
 
Messaggi: 310
Iscritto il: 26 feb 2012, 20:49

0
voti

[3] Re: lampada a segnale acustico

Messaggioda Foto Utentelidia » 30 apr 2012, 15:08

ciao ma si vorrei che lo spiegassero qui perche la gia parlano con termini che io nn conosco quindi
Avatar utente
Foto Utentelidia
47 5
Frequentatore
Frequentatore
 
Messaggi: 131
Iscritto il: 10 apr 2012, 11:36

0
voti

[4] Re: lampada a segnale acustico

Messaggioda Foto Utentemrc » 30 apr 2012, 15:13

Ciao Foto Utentelidia.

Prova a leggere questi thread, se sono per te più abbordabili:

viewtopic.php?f=1&t=31617

viewtopic.php?f=1&t=3995

Oppure dai una occhiata a questo:

http://web.tiscali.it/gabrisite/BATTITO.html
Avatar utente
Foto Utentemrc
10,5k 6 11 13
Expert EY
Expert EY
 
Messaggi: 4023
Iscritto il: 16 apr 2009, 9:32

0
voti

[5] Re: lampada a segnale acustico

Messaggioda Foto Utentelidia » 30 apr 2012, 15:25

uffiii scusate non ho capito lo stessooooooooooooo !! uff ;(
Avatar utente
Foto Utentelidia
47 5
Frequentatore
Frequentatore
 
Messaggi: 131
Iscritto il: 10 apr 2012, 11:36

0
voti

[6] Re: lampada a segnale acustico

Messaggioda Foto UtentematteoDL » 30 apr 2012, 15:27

qual è la tua conoscenza di elettronica? Sapere COSA non hai capito sarebbe abbastanza utile.
Avatar utente
Foto UtentematteoDL
704 3 7
Expert
Expert
 
Messaggi: 310
Iscritto il: 26 feb 2012, 20:49

0
voti

[7] Re: lampada a segnale acustico

Messaggioda Foto Utentelidia » 30 apr 2012, 15:30

ho una conoscenza base tipo so la legge di ohm ! conosco vari pezzi dell'elettronica tipo condensatore ,resistenza
ecc !! so come si calcola una resistenza ecc !! però io vorrei un piccolo schema semplice di una lampadina che si accende con un battito di mani !
Avatar utente
Foto Utentelidia
47 5
Frequentatore
Frequentatore
 
Messaggi: 131
Iscritto il: 10 apr 2012, 11:36

0
voti

[8] Re: lampada a segnale acustico

Messaggioda Foto UtentematteoDL » 30 apr 2012, 15:35

Avatar utente
Foto UtentematteoDL
704 3 7
Expert
Expert
 
Messaggi: 310
Iscritto il: 26 feb 2012, 20:49

2
voti

[9] Re: lampada a segnale acustico

Messaggioda Foto Utentelidia » 30 apr 2012, 17:02

matteo grazie mille mi stai aiutando se davvero gentilissimo nei miei confronti ma lo stesso non riesco a capire !!! poi io vorrei far accendere ocn il battito di mani tipo la lampadine nella stanzetta !! capito come ;) !! spero tu riesca ad aiutarmi
Avatar utente
Foto Utentelidia
47 5
Frequentatore
Frequentatore
 
Messaggi: 131
Iscritto il: 10 apr 2012, 11:36

5
voti

[10] Re: lampada a segnale acustico

Messaggioda Foto Utentemarco438 » 30 apr 2012, 18:39

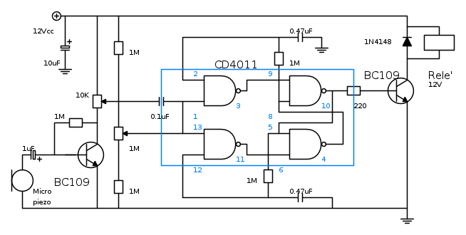
Per fare accendere le luci in una stanza, e' necessario (a parte il rumore) anche un qualche cosa che funzionando come un interruttore, interrompa o ripristini in presenza di un rumore, la tensione di rete che alimenta le lampade.
Nell'ultimo schema postato da Foto UtentematteoDL, che fra quelli citati mi sembra il piu' semplice, il compito e' svolto da un rele' che, aprendo e chiudendo i suoi contatti, accendera' o spegnera' la luce.
Forse la vista dello schema ti ha spaventato perche' non sai ricooscere i vari componenti ma, guardandolo con attenzione e osservandolo nei particolari, si riduce ad un paio di transistor, un circuito integrato ed una manciata di resistense e condensatori, oltre il suddetto rele'.
Come infatti puoi vedere nello schema che segue


la parte contornata in azzurro si riduce ad un solo circuito integrato CD4011, tutto il resto lo ho gia' descritto.
Guarda se ti senti in grado di realizzarlo e chiedi pure quanto non hai capito.
marco
Avatar utente
Foto Utentemarco438
37,1k 7 11 13
-EY Legend-
-EY Legend-
 
Messaggi: 16323
Iscritto il: 24 mar 2010, 15:09
Località: Versilia

Prossimo

Torna a Costruzione, riparazione, riutilizzo

Chi c’è in linea

Visitano il forum: Nessuno e 147 ospiti