Ciao, il titolo è un po' ambiguo, cerco di spiegarmi meglio.
Sto facendo degli esercizi con le tabelle di verità, mappe di karnaugh,circuiti con porte logiche ed infine trasformare la logica in circuito elettrico.
Vorrei capire le convenzioni sui contatti elettrici in base al valore assunto dalle variabili.
Da quello che ho capito la convenzione è la seguente:
Se A=0 il contatto elettrico è aperto.
e
Se A=1 il contatto elettrico è chiuso.
Poi allo stesso modo succede questo:
A= contatto aperto
A°=contatto chiuso dove (°) indica la negazione
Ora la variabile A indipendentemente che sia negata o meno può valere 1 o 0 su una tabella delle verità; come faccio a stabilire la corrispondenza quando devo verificare se la logica del circuito elettrico è la stessa della tabella delle verità??
Cosa succede quando ho
A=1 e A°=0
e quando ho
A=0 e A°=1
valutando i contatti elettrici costruiti sulla base delle considerazioni iniziali?
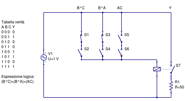
Allego un circuito elettrico basato sulla tabella delle verità a fianco e all'espressione ottenuto con le
mappe di karnaugh.
Ho chiamato le variabili A,B,C in realtà sarebbero sensori di pressione P, livello L e temperatura T
che non ho specificato.
Se leggo la prima combinazione (0,0,0) ed osservo il primo ramo di espressione B°C la B° è chiusa perché ho seguito la regola della negazione, ma sulla tabella assume anche valori opposti alle regole citate sopra.
Se B=0 e B° è un contatto chiuso presumo che il suo valore diventi 1.
Se B=1 e B° è un contatto chiuso, a questo punto avviene la contraddizione perché vale B°= 0
Sicuramente sto facendo confusione, forse considerando le combinazioni invece dell'uscita o non so cosa, ma con esercizi diversi da questo potrei incontrare degli errori di funzionamento.
Questo da disegno mi sembra funzioni come logica.
Da circuito logico ad elettrico, convenzione contatti
Moderatori:
dimaios,
carlomariamanenti
4 messaggi
• Pagina 1 di 1
0
voti
Ultima modifica di
RenzoDF il 3 feb 2012, 14:42, modificato 1 volta in totale.
Motivazione: Usare apposito pulsante per allegare "In linea con il testo" , grazie.
Motivazione: Usare apposito pulsante per allegare "In linea con il testo" , grazie.
-

Emanuelejk
0 2 - Messaggi: 31
- Iscritto il: 6 nov 2011, 17:04
2
voti
Si, ma io ci aggiungerei tre interruttori con tre bobine di comando per A,B e C ... e per vederlo funzionare ti consiglio uno dei nostri FreeTool -> Fluidsim 
"Il circuito ha sempre ragione" (Luigi Malesani)
0
voti
Si lo sapevo, non li ho messi per fare prima e poi perché sul programmino che uso non avevo quel tipo di bobine...dovevo usare i rettangoli ma ci ho pensato dopo.
Mentre per i contatti sulle bobine non li ho messi perché avevo pensato ad un circuito elettronico che legge i valori ambientali facendo poi agire meccanicamente i contatti sul campo.
Riguardo il mio dubbio sui contatti aperti o chiusi e le variabili negate o meno?
Mentre per i contatti sulle bobine non li ho messi perché avevo pensato ad un circuito elettronico che legge i valori ambientali facendo poi agire meccanicamente i contatti sul campo.
Riguardo il mio dubbio sui contatti aperti o chiusi e le variabili negate o meno?
-

Emanuelejk
0 2 - Messaggi: 31
- Iscritto il: 6 nov 2011, 17:04
0
voti
Semplicemente per trasformatore la tua logica in segnale analogico hai bisogno di un dispositivo che utilizzi un'interfaccia verso l'ambiente esterno. Considerando le variabili che hai a disposizione usando un piccolo PLC potrai creare il tuo algoritmo.
Si capisce che per fare cio' devi conoscere il linguaggio di programmazione.
Si capisce che per fare cio' devi conoscere il linguaggio di programmazione.
4 messaggi
• Pagina 1 di 1
Torna a Automazione industriale ed azionamenti
Chi c’è in linea
Visitano il forum: Nessuno e 12 ospiti

Elettrotecnica e non solo (admin)
Un gatto tra gli elettroni (IsidoroKZ)
Esperienza e simulazioni (g.schgor)
Moleskine di un idraulico (RenzoDF)
Il Blog di ElectroYou (webmaster)
Idee microcontrollate (TardoFreak)
PICcoli grandi PICMicro (Paolino)
Il blog elettrico di carloc (carloc)
DirtEYblooog (dirtydeeds)
Di tutto... un po' (jordan20)
AK47 (lillo)
Esperienze elettroniche (marco438)
Telecomunicazioni musicali (clavicordo)
Automazione ed Elettronica (gustavo)
Direttive per la sicurezza (ErnestoCappelletti)
EYnfo dall'Alaska (mir)
Apriamo il quadro! (attilio)
H7-25 (asdf)
Passione Elettrica (massimob)
Elettroni a spasso (guidob)
Bloguerra (guerra)


