Ciao a tutti,
ho un problema che sicuramente saprete risolvere.
Ho un sensore con uscita ad impulsi, il quale esce con una tensione di 1,5 vcc, io pero devo fare aquisire tale segnale da un plc il quale vuole un 24vdc.
tenete presente che l'uscita del sensore è ad impulsi cha variano e che massimo 30hz.
grazie.
Elevare tensione di un segnale
Moderatori:
dimaios,
carlomariamanenti
8 messaggi
• Pagina 1 di 1
0
voti
0
voti
è una nuova installazione, la prima cosa a cui ho pensato è stata proprio quella del sensore guasto, ma ne ho altri 2 e funzionano uguali al primo.
sono dei contalitri di cui pultroppo nn ho neanche il datasheet.
Ti viene in mente qualche soluzione ?
sono dei contalitri di cui pultroppo nn ho neanche il datasheet.
Ti viene in mente qualche soluzione ?
1
voti
Ho un poco la sensazione che siano magari mal collegati o magari con uscita non compatibile con l'ingresso del PLC. 1,5 V per dei contalitri industriale non ha alcun senso. Secondo me stai misurando questo valore solo perché lo strumento è mal collegato, o perché non compatibile.
Se ad esempio lo strumento avesse una uscita NPN open collector, mentre il PLC ha un ingresso PNP, il valore che misuri non dice assolutamente nulla.
Inutile dire oltre. Tenta di recuperarne la documentazione. Se è ispezionabile, potresti tentare di capire come esce analizzando l'elettronica. Ma non è detto sia possibile.
Se ad esempio lo strumento avesse una uscita NPN open collector, mentre il PLC ha un ingresso PNP, il valore che misuri non dice assolutamente nulla.
Inutile dire oltre. Tenta di recuperarne la documentazione. Se è ispezionabile, potresti tentare di capire come esce analizzando l'elettronica. Ma non è detto sia possibile.
-

Candy
32,5k 7 10 13 - CRU - Account cancellato su Richiesta utente
- Messaggi: 10123
- Iscritto il: 14 giu 2010, 22:54
0
voti
sto misurando l'uscita con un oscilloscopio digitale, e il valora di rms sul fronte alto dell'onda quadra è di 1,65 vcc.
La cosa strana è che il sensore è alimentato a 24 vcc.
La cosa strana è che il sensore è alimentato a 24 vcc.
- Allegati
-
RS327494001.pdf- (77.35 KiB) Scaricato 212 volte
2
voti
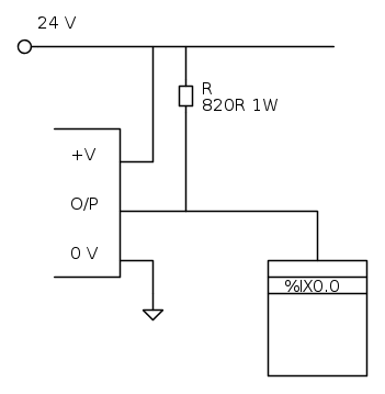
E` una uscita NPN open collector. Se metti una resistenza da 10kΩ fra l'uscita O/P e l'alimentazione positiva dovresti vedere gli impulsi con una ampiezza di 24 V circa. E aveva ragione
Candy che 1.6V non hanno proprio nessun senso. E anche se un oscilloscopio digitale dice che hanno quell'ampiezza, continua a non avere senso :).
Se metti un dito sull'uscita O/P dovresti vedere il livello "alto" molto sporco e rumoroso.
Poi da li` a interfacciarlo con il PLC serve ancora sapere che ingressi ha il PLC. Anche qui il datasheet aiuta, oppure l'esperienza di
Candy!
Se metti un dito sull'uscita O/P dovresti vedere il livello "alto" molto sporco e rumoroso.
Poi da li` a interfacciarlo con il PLC serve ancora sapere che ingressi ha il PLC. Anche qui il datasheet aiuta, oppure l'esperienza di
Per usare proficuamente un simulatore, bisogna sapere molta più elettronica di lui
Plug it in - it works better!
Il 555 sta all'elettronica come Arduino all'informatica! (entrambi loro malgrado)
Se volete risposte rispondete a tutte le mie domande
Plug it in - it works better!
Il 555 sta all'elettronica come Arduino all'informatica! (entrambi loro malgrado)
Se volete risposte rispondete a tutte le mie domande
2
voti
Il bello è che c'è tanto di schema, e poi:
Attenzione, il suggerimento di
IsidoroKZ è la strada giusta e più semplice, gli ingressi di un PLC industriale, tipo PNP, hanno una impedenza verso il potenziale comune, 0V, dell'ordine del chilo-ohm e non è detto che si accontentino di 12 V per considerare il segnale alto; anche se il più delle volte è sufficiente. Il datasheet non dice nulla in proposito alla massima corrente del transistor di uscita. Spera che regga almeno 40 mA, come di norma dovrebbe, e metti in pratica questa soluzione:
The output is a stream of NPN pulses that are readily interfaced with most electronic display or recording devices.
Attenzione, il suggerimento di
-

Candy
32,5k 7 10 13 - CRU - Account cancellato su Richiesta utente
- Messaggi: 10123
- Iscritto il: 14 giu 2010, 22:54
8 messaggi
• Pagina 1 di 1
Torna a Automazione industriale ed azionamenti
Chi c’è in linea
Visitano il forum: Google [Bot] e 3 ospiti

Elettrotecnica e non solo (admin)
Un gatto tra gli elettroni (IsidoroKZ)
Esperienza e simulazioni (g.schgor)
Moleskine di un idraulico (RenzoDF)
Il Blog di ElectroYou (webmaster)
Idee microcontrollate (TardoFreak)
PICcoli grandi PICMicro (Paolino)
Il blog elettrico di carloc (carloc)
DirtEYblooog (dirtydeeds)
Di tutto... un po' (jordan20)
AK47 (lillo)
Esperienze elettroniche (marco438)
Telecomunicazioni musicali (clavicordo)
Automazione ed Elettronica (gustavo)
Direttive per la sicurezza (ErnestoCappelletti)
EYnfo dall'Alaska (mir)
Apriamo il quadro! (attilio)
H7-25 (asdf)
Passione Elettrica (massimob)
Elettroni a spasso (guidob)
Bloguerra (guerra)


