Salve,
volevo sapere se esiste un integrato del genere:
dove negli ingressi mando degli impulsi, e nelle uscite corrispondenti deve essere generato un segnale bistabile: impulso 1 in ingresso, uscita 1 - impulso 0 in ingresso uscita sempre 1 - un altro impulso 1 in ingresso l'uscita torna a 0 - impulso 0 in ingresso l'uscita rimane 0 (spero tanto di essere stato comprensibile).
Saluti a tutti.
integrato uscite bistabili
Moderatori:
carloc,
g.schgor,
BrunoValente,
IsidoroKZ
15 messaggi
• Pagina 1 di 2 • 1, 2
1
voti
Mi orienterei verso i PIC della Microchip solo perché sono gli unici che conosco un po' e mi sembrano abbastanza semplici.
Per esempio un PIC16F628 ha giusto 16 I/O, ma sai com'è, l'appetito vien mangiando e sarebbe meglio prevederne qualcuno in più come nel PIC16F726 con 25 I/O se non il PIC16F887 con 35 I/O.
Ma ce ne sono tantissimi per tutti i gusti.
Tieni conto che poi occorre programmarlo.
Per esempio un PIC16F628 ha giusto 16 I/O, ma sai com'è, l'appetito vien mangiando e sarebbe meglio prevederne qualcuno in più come nel PIC16F726 con 25 I/O se non il PIC16F887 con 35 I/O.
Ma ce ne sono tantissimi per tutti i gusti.
Tieni conto che poi occorre programmarlo.
0
voti
Io ci vedo un bel po' di piedini di un Cmos lasciati floating quando non sono premuti i relativi pulsanti (cioè...quasi sempre) ma...forse è l'età (ormai sono 46 suonati),però uno schemino in fidocadj forse potrebbe essere un pochino più comprensibile della simulazione di un disegno del montaggio su breadboard. 

"Non farei mai parte di un club che accettasse la mia iscrizione" (G. Marx)
-

claudiocedrone
21,3k 4 7 9 - Master EY

- Messaggi: 15302
- Iscritto il: 18 gen 2012, 13:36
0
voti
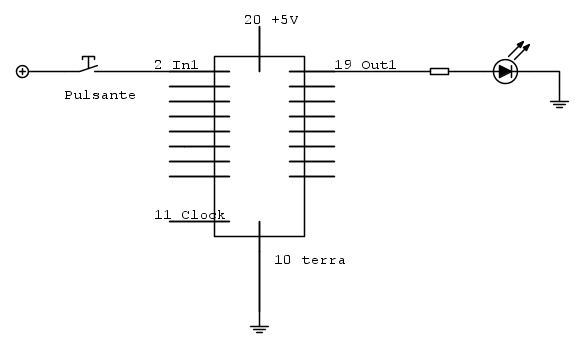
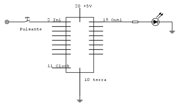
avete assolutamente ragione entrambi e mi scuso; ecco lo schema da me pensato:
Ho usato la numerazione presa direttamente dal datasheet ed ho provato a "reinventarla" a modo mio. Ho usato come esempio un solo input ed un solo output ma nella reltà me ne servono 8 (ma non cambia perché il cablaggio degli altri 7 è speculare al primo). Allora l'uscita replica il valore dell'entrata quando il clock dal valore basso passa a valore alto.
Ma quindi come si fa a tenere alto il valore dell'uscita, se il valore d'entrata è basso e il clock è alto?cioè schiaccio il pulsante, il clock durante il suo ciclo passa da basso ad alto, l'uscita va a valore alto, rilascio il pulsante ma l'uscita rimane alta, poi nel ciclo del clock ritorna di nuovo valore alto e quindi l'uscita ora diventa bassa (in virtù del fatto che il pulsante è rilasciato), giusto?
Ho usato la numerazione presa direttamente dal datasheet ed ho provato a "reinventarla" a modo mio. Ho usato come esempio un solo input ed un solo output ma nella reltà me ne servono 8 (ma non cambia perché il cablaggio degli altri 7 è speculare al primo). Allora l'uscita replica il valore dell'entrata quando il clock dal valore basso passa a valore alto.
Ma quindi come si fa a tenere alto il valore dell'uscita, se il valore d'entrata è basso e il clock è alto?cioè schiaccio il pulsante, il clock durante il suo ciclo passa da basso ad alto, l'uscita va a valore alto, rilascio il pulsante ma l'uscita rimane alta, poi nel ciclo del clock ritorna di nuovo valore alto e quindi l'uscita ora diventa bassa (in virtù del fatto che il pulsante è rilasciato), giusto?
15 messaggi
• Pagina 1 di 2 • 1, 2
Chi c’è in linea
Visitano il forum: Nessuno e 152 ospiti

Elettrotecnica e non solo (admin)
Un gatto tra gli elettroni (IsidoroKZ)
Esperienza e simulazioni (g.schgor)
Moleskine di un idraulico (RenzoDF)
Il Blog di ElectroYou (webmaster)
Idee microcontrollate (TardoFreak)
PICcoli grandi PICMicro (Paolino)
Il blog elettrico di carloc (carloc)
DirtEYblooog (dirtydeeds)
Di tutto... un po' (jordan20)
AK47 (lillo)
Esperienze elettroniche (marco438)
Telecomunicazioni musicali (clavicordo)
Automazione ed Elettronica (gustavo)
Direttive per la sicurezza (ErnestoCappelletti)
EYnfo dall'Alaska (mir)
Apriamo il quadro! (attilio)
H7-25 (asdf)
Passione Elettrica (massimob)
Elettroni a spasso (guidob)
Bloguerra (guerra)




