ciao marco ! allora per me possiamo farlo nel miglior modo possibile e semplice ! allora ci metto un piccolo trasformatore! quindi la 230v verra messa sul relè poi uscendo dal relè lo devo attacca sul trasformatore poi uscendo dal trasformatore vado sul ponte di diodi e poi?? scusami se uso termini terra terra ciao non adatti !
ora fammi un piccolo schemina tu che si capisce ;)
lampada a segnale acustico
48 messaggi
• Pagina 3 di 5 • 1, 2, 3, 4, 5
0
voti
0
voti
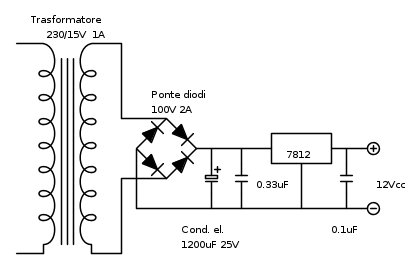
Se vuoi fare le cose per bene, ti consiglio di seguire questo schema che, partendo dalla tensione di rete ti potra' fornire una tensione continua stabilizzata di 12Vcc atta ad alimentare il tuo circuito.
Una parte l'avevo gia' descritta in precedenza; ho aggiunto tre condensatori ed un regolatore di tensione.
Come sempre, chiedimi quello che non capisci.

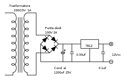
Una parte l'avevo gia' descritta in precedenza; ho aggiunto tre condensatori ed un regolatore di tensione.
Come sempre, chiedimi quello che non capisci.

marco
0
voti
certo garzie gentilissimo
!!
allora non ho capito il ponte di diodi come collegarli e come sono ? perche non li ho mai usati questi !
poi cos'è il 7812?
allora non ho capito il ponte di diodi come collegarli e come sono ? perche non li ho mai usati questi !
poi cos'è il 7812?
2
voti
lidia ha scritto:quindi la 230v verra messa sul relè poi uscendo dal relè lo devo attacca sul trasformatore poi uscendo dal trasformatore vado sul ponte di diodi e poi??
No direi che non ci siamo. La situazione vista da fuori dovrebbe essere questa:
Il circuito di
Come alimentatore potrei consigliarti altrimenti uno come questo http://www.ebay.it/itm/Alimentatore-switching-12V-330-mA-led-/230601851600?pt=Attrezzature_e_strumentazione&hash=item35b0f102d0#ht_1289wt_1037, sopratutto perché usando questo non verrai mai a contatto con tensioni potenzialmente dannose.
0
voti
ahh ok capito ;) però ora vorrei sapere il circuito da fare cioè il circuito con il micro ecc
0
voti
si però nel circuito non ho capito il neutro dove sta ??
dove dovrei collegarlo
0
voti
ah ragazzi scusatemi ma sono una stupida uff !
mi potrete fare quello circuito che mi avevte fatto prima cioè quello con il micro, me lo potreste fare piu a schema elettrico cioè piu a disegno piu raffigurativo tipo che si vedono i piedini dei condensatori dove vanno ecc capito come ? 
0
voti
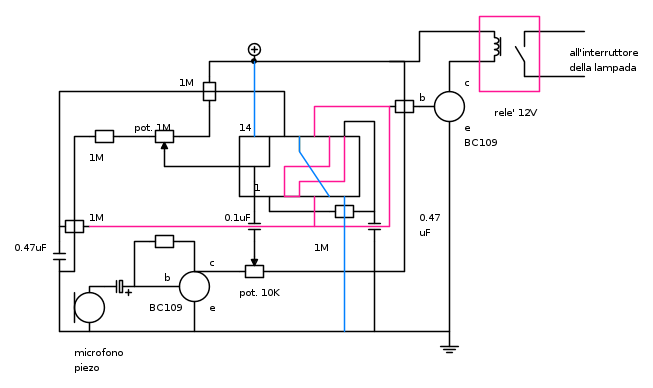
Per agevolare al massimo il tuo lavoro, ho praticamente disegnato lo schema pratico che potrai usare per costruire il circuito sulla basetta millefori.
In un post precedente hai parlato erroneamente di neutro, termine usato in tensione alternata; qui si parla (anche se impropriamente) di massa o meglio di differenza di potenziale (in pratica il segno meno).
Nello schema e' indicato con una freccia tratteggiata nell'angolo basso a destra e ci dovranno essere collegate tutte le "linee" che arrivano li.
Purtroppo non ho potuto evitare tre o quattro incroci; di piu' non posso fare.

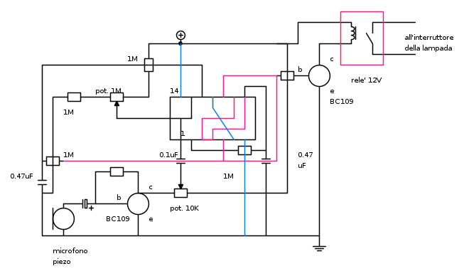
In un post precedente hai parlato erroneamente di neutro, termine usato in tensione alternata; qui si parla (anche se impropriamente) di massa o meglio di differenza di potenziale (in pratica il segno meno).
Nello schema e' indicato con una freccia tratteggiata nell'angolo basso a destra e ci dovranno essere collegate tutte le "linee" che arrivano li.
Purtroppo non ho potuto evitare tre o quattro incroci; di piu' non posso fare.

marco
48 messaggi
• Pagina 3 di 5 • 1, 2, 3, 4, 5
Torna a Costruzione, riparazione, riutilizzo
Chi c’è in linea
Visitano il forum: Nessuno e 8 ospiti

Elettrotecnica e non solo (admin)
Un gatto tra gli elettroni (IsidoroKZ)
Esperienza e simulazioni (g.schgor)
Moleskine di un idraulico (RenzoDF)
Il Blog di ElectroYou (webmaster)
Idee microcontrollate (TardoFreak)
PICcoli grandi PICMicro (Paolino)
Il blog elettrico di carloc (carloc)
DirtEYblooog (dirtydeeds)
Di tutto... un po' (jordan20)
AK47 (lillo)
Esperienze elettroniche (marco438)
Telecomunicazioni musicali (clavicordo)
Automazione ed Elettronica (gustavo)
Direttive per la sicurezza (ErnestoCappelletti)
EYnfo dall'Alaska (mir)
Apriamo il quadro! (attilio)
H7-25 (asdf)
Passione Elettrica (massimob)
Elettroni a spasso (guidob)
Bloguerra (guerra)







