Cos'è ElectroYou | Login Iscriviti

ElectroYou - la comunità dei professionisti del mondo elettrico

Esercizio elettrotecnica [Sistema trifase,calcolo correnti]

Circuiti, campi elettromagnetici e teoria delle linee di trasmissione e distribuzione dell’energia elettrica

Moderatori: Foto Utenteg.schgor, Foto UtenteIsidoroKZ

3
voti

[1] Esercizio elettrotecnica [Sistema trifase,calcolo correnti]

Messaggioda Foto Utentecarlo86 » 3 mag 2012, 17:04

Salve a tutti!
Come al solito ho dei problemi per quanto riguarda un esercizio, in particolare quando devo andare a fare il grafico delle tensioni di fase e delle correnti di linea, mi perdo nel calcolo degli angoli.

Veniamo all'esercizio, come al solito copierò testo e disegno e di seguito esporrò il mio procedimento


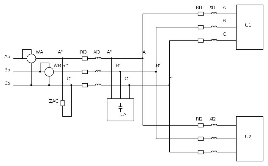
Nell’impianto trifase di fig. 1 l’utenza U1 è alimentata dai morsetti A, B, C alla frequenza di 50Hz
con la tensione concatenata efficace di 380 V tramite la linea l1 avente resistenza e reattanza
rispettivamente Rl1=0.1Ω e Xl1=0.1Ω. Nelle condizioni di esercizio l’utenza U1 assorbe la potenza
attiva PU1=30kW con fattore di potenza 0.9 in anticipo. Dai morsetti dell’impianto A’, B’, C’ che
alimentano la linea l1 è prevista l’alimentazione anche del carico U2 tramite la linea l2 caratterizzata
da Rl2=0.1Ω e Xl2=0.1Ω; dell’utenza U2, si conosce che assorbe la potenza attiva nominale
PU2n=60kW con cosϕU2=0.6 in ritardo quando è alimentata alla sua tensione concatenata efficace
nominale VU2n=400V. Ai morsetti dell’impianto A”, B”, C” è predisposta l’inserzione di un banco
trifase di condensatori con connessione a triangolo in modo da rifasare il complessivo carico a valle
al fattore di potenza desiderato pari a 0.9. L’insieme banco di condensatori, linea l1, utenza U1, linea
l2 e utenza U2 è alimentato tramite la linea l3 avente Rl3=0.1Ω e Xl3=0.1Ω; a monte di tale linea
sono inseriti un carico monofase fra i morsetti A”’ e C”’, costituito dall’impedenza ZAC=7+j4Ω, e i
due wattmetri WA e WB in configurazione Aron. Posizionando il fasore della tensione di fase del
morsetto A sull’asse immaginario determinare:
1) il valore della capacità di fase del banco di condensatori di rifasamento;
2) il valore della tensione efficace concatenata Vp in ingresso all’impianto;
3) i valori in modulo e fase e la loro rappresentazione grafica delle tensioni di fase e delle correnti
di linea ai morsetti Ap, Bp, Cp in ingresso all’impianto, mantenendo sempre il fasore della
tensione di fase del morsetto A sull’asse immaginario;
4) i valori della potenza attiva Pp e potenza reattiva Qp in ingresso all’impianto;
5) le letture dei wattmetri WA e WB.





Come dicevo prima il mio problema è rappresentare graficamente le correnti e le tensioni perché ho problemi con gli angoli. Questo problema poi si riversa anche sui due punti successivi, perché nonostante teoricamente io sappia come farli, sbagliando gli angoli delle tensioni e delle correnti risultano errati anche quelli.


Ad ogni modo ecco come ho risolto l'esercizio:

per prima cosa ho calcolato la potenza reattiva e la potenza apparente dell'utenza 1, in seguito la corrente della linea 1 e le potenze attive e reattive della resistenza e dell'impedenza che poi ho sommato alle potenze trovate poco prima per trovare le potenze totali della linea 1 e la sua relativa tensione di alimentazione.
Ecco i calcoli (che sono sicuramente più chiari):

Q_{U1}=P_{U1}tg\varphi _{U1}=14.53kVAR cap
A_{U1}=\sqrt{P_{U1}^{2}+Q_{U1}^{2}}=33.33kVA
I_{l1}=\frac{A_{U1}}{\sqrt{3}V_{U1}}=50.64A
P_{Rl1}=3R_{l1}I_{l1}^{2}=769.45W
Q_{Xl1}=3X_{l1}I_{l1}^{2}=769.45VAR ind
P_{1}=P_{U1}+P_{Rl1}=30769.45W
Q_{1}=Q_{U1}+Q_{Xl1}=13760.55VAR cap
\varphi ^{I}=24,09 ant
A_{U1}=\sqrt{P_{1}^{2}+Q_{1}^{2}}=33706.26VA
V^{I}=\frac{A_{1}}{\sqrt{3}I_{l1}}=384.29V

arrivato a questo punto ho iniziato a lavorare sull'utenza 2 trovando le potenze reattive e apparenti nominali, con quest'ultima e la tensione nominale dell'utenza 2 ho calcolato il valore in modulo dell'impedenza dell'utenza e, sapendo anche l'angolo ho trovato il suo valore vettoriale che poi sommerò vettorialmente alla impedenza di linea per trovare un'impedenza equivalente che mi sarà utile per calcolare la corrente e le potenze attive e reattive lungo questa linea.

Q_{U2n}=P_{U2n}tg\varphi _{U2}=80k var ind
A_{U2n}=\sqrt[]{P_{U2n}^{2}+Q_{U2n}^{2}}=100k VA
Z_{U2}=\frac{V_{U2n}^{2}}{A_{U2n}}=1.6\Omega
\vec{Z_{U2}}=Z_{U2}cos\varphi _{U2}+jZ_{U2}sen\varphi _{U2}=0.96+j1.28\Omega
\vec{Z_{l2}}=\vec{Z_{U2}}+R_{l2}+jX_{l2}=1.06+j1.38\Omega
Z_{l2}=1.74\Omega
I_{l2}=\frac{V^{I}}{\sqrt{3}Z_{l2}}=127.51A
\varphi _{l2}=52,47 rit
P_{2}=\sqrt{3}V^{I}I_{l2}cos\varphi _{l2}=51702W
Q_{2}=\sqrt{3}V^{I}I_{l2}sen\varphi _{l2}=67306VAR ind

trovo ora le potenze attive e reattive in A', B', C' e quindi la capacità del condensatore.

Q^{I}=-Q_{1}+Q_{2}=53545.8VAR ind
P^{I}=P_{1}+P_{2}=82471.45W
Q^{*}=P^{I}tg\varphi ^{*}=39939.31VAR ind
Q_{C\Delta }=Q^{I}-Q^{*}=13606.49VARcap
C_{\Delta }=\frac{Q_{C\Delta }}{3\omega V^{I2}}=97.8\mu F

passiamo ora al calcolo della tensione concatenata in entrata: trovo prima la corrente di questa linea, quindi le potenze attive e reattive della resistenza e della impedenza e una volta trovate queste calcolo la potenze attive, reattive e apparente totali in A''', B''' e C'''. Con la potenza apparente trovo la tensione richiesta.

A^{''}=\sqrt{P^{I2}+Q^{*2}}=91633.45VA
I_{l3}=\frac{A^{II}}{\sqrt{3}V^{I}}=137.67A
\varphi _{l3}=\varphi ^{II}=25.84
P_{Rl3}=3R_{l3}I_{l3}^{2}=5685.91W
Q_{Xl3}=3X_{l3}I_{l3}^{2}=5685.91VAR ind
P^{III}=P_{Rl3}+P^{I}=88157.36W
Q^{III}=Q_{Ql3}+Q^{*}=45625.22VAR ind
A^{III}=\sqrt{P^{III2}+Q^{III2}}=99264.2VA
V_{p}=\frac{A^{III}}{\sqrt{3}I_{l3}}=416.29V

a questo punto sorgono i problemi: per prima cosa calcolo la corrente che passa per l'impedenza Zac, poi devo calcolare le correnti all'ingresso dell'impianto in modulo e fase, teoricamente so come fare, il problema è che non so calcolare gli angoli.

\vec{V_{AC}}=V_{p}cos\varphi ^{III}+jV_{p}sen\varphi ^{III}=369.72+j191.32V
\vec{I_{AC}}=\frac{\vec{V_{AC}}}{\vec{Z_{AC}}}=51.59-j2.15A
I_{AC}=51.63A

ora so che

\vec{I_{Ap}}=\vec{I_{A^{III}}}+\vec{I_{AC}}
\vec{I_{Bp}}=\vec{I_{B^{III}}}
\vec{I_{Cp}}=\vec{I_{C^{III}}}-\vec{I_{AC}}

e so anche che i moduli I_{A^{III}}=I_{B^{III}}=I_{C^{III}}=I_{l3}
quello che non so calcolare sono gli angoli delle correnti I_{A^{III}},I_{B^{III}},I_{C^{III}}
analogamente un'altra cosa che non so calcolare sono gli angoli delle tensioni di fase che devo rappresentare graficamente (per i moduli non ho problemi essendo tutti uguali fra loro E=\frac{V_{p}}{\sqrt{3}})

si capisce che non sapendo calcolare gli angoli delle correnti, non posso nemmeno andare avanti con l'esercizio nonostante sappia come fare per trovare le potenze in ingresso e le letture dei Wattmetri.

Potete darmi una mano? Ve ne sarei gratissimo, intanto grazie anche solo per aver letto questo post immenso!
Avatar utente
Foto Utentecarlo86
65 1 5
 
Messaggi: 41
Iscritto il: 27 gen 2012, 13:35

4
voti

[2] Re: Esercizio elettrotecnica [Sistema trifase,calcolo corren

Messaggioda Foto Utenteadmin » 3 mag 2012, 18:10

Disegna il grafico vettoriale e capisci come stanno le cose


Le correnti dei carichi trifase rifasati, di 132 A sono sfasate in ritardo di 27,4 gradi rispetto alle stellate (arcotangente Q/P). La corrente monofase di 52 A è sfasata in sitardo di 27,9 rispetto alla VAC.
Avatar utente
Foto Utenteadmin
196,6k 9 12 17
Manager
Manager
 
Messaggi: 11950
Iscritto il: 6 ago 2004, 13:14

0
voti

[3] Re: Esercizio elettrotecnica [Sistema trifase,calcolo corren

Messaggioda Foto Utentecarlo86 » 3 mag 2012, 19:00

Intanto ti ringrazio per l'aiuto, però ho ancora qualche cosa da chiederti...
La prima cosa che ti chiedo è SCUSA PER LE DOMANDE CHE LEGGERAI! :oops:
Le correnti che tu chiami I_{A}, I_{B}, I_{C} che valgono in modulo 132A, sono quelle che io chiamo I_{A^{III}}, I_{B^{III}}, I_{C^{III}} che sono uguali in modulo alla mia I_{l3}=137.67A?
Se si, hai notato errori nei miei calcoli o potrebbe essere un problema di approssimazioni?
Per quanto riguarda l'angolo, 27.36 e 27.4 direi che è la stessa cosa, o no?
Ultima domanda: l'angolo fra la tensione concatenata \vec{V_{AC}} e la corrente \vec{I_{AC}} a me viene 29.7 (sarebbe 2.38+27.36=29.74), a te viene 27.9, come mai questa differenza?
Grazie e scusa ancora!

ps: grazie anche per il gradimento ai post!
Avatar utente
Foto Utentecarlo86
65 1 5
 
Messaggi: 41
Iscritto il: 27 gen 2012, 13:35

2
voti

[4] Re: Esercizio elettrotecnica [Sistema trifase,calcolo corren

Messaggioda Foto Utenteadmin » 3 mag 2012, 20:22

Si è 137, ho ricopiato male il tuo valore. I tuoi calcoli però non li ho controllati. L'impressione è che siano corretti. Ma una cosa, dei tuoi calcoli, è abbastanza insopportabile: che tu scriva 137,67 A ad esempio. Quando tieni tre cifre significative sei a posto, anzi ne trai molti vantaggi: eviti di avere dubbi tipo se 27,36 e 27,4 siano o meno la stessa cosa. Per l'angolo, beh, forse non era difficile comprendere che nel disegno ho scambiato il 7 con il 9: ma tu sei troppo concentrato sulla precisione al centomillesimo! ;-)
Avatar utente
Foto Utenteadmin
196,6k 9 12 17
Manager
Manager
 
Messaggi: 11950
Iscritto il: 6 ago 2004, 13:14

0
voti

[5] Re: Esercizio elettrotecnica [Sistema trifase,calcolo corren

Messaggioda Foto Utentecarlo86 » 3 mag 2012, 21:18

Hai perfettamente ragione!
I calcoli con tutte quelle cifre dopo la virgola sono una noia mortale, le uso solo perché le usa sempre anche il mio prof quando fa le esercitazioni in aula e le rare volte che ci da esercitazioni con i risultati, questi ultimi hanno sempre 2 cifre dopo la virgola.
Per finire... per quanto riguarda il 27.9 al posto del 29.7... non volevo mettere in dubbio quanto da te scritto :oops:
Grazie ancora!
A questo punto posso finire l'esercizio e domani mattina o questa sera sul tardi, posto il procedimento con i calcoli!
Avatar utente
Foto Utentecarlo86
65 1 5
 
Messaggi: 41
Iscritto il: 27 gen 2012, 13:35

3
voti

[6] Re: Esercizio elettrotecnica [Sistema trifase,calcolo corren

Messaggioda Foto UtenteRenzoDF » 3 mag 2012, 22:49

carlo86 ha scritto:... le uso solo perché le usa sempre anche il mio prof quando fa le esercitazioni in aula e le rare volte che ci da esercitazioni con i risultati, questi ultimi hanno sempre 2 cifre dopo la virgola...

Il tuo prof. usa sempre "due cifre dopo la virgola" ? :shock:

... adesso mi spiego quel tuo strano modo di usare un diverso numero di cifre significative nei calcoli
(presente anche nei precedenti post)

... 39939.31 var ... 14.53 kvar ... :roll:

... interessanti queste nuove "consuetudini" H-demiche, davvero interessanti! :mrgreen:

BTW ma mi chiedo, usando i megavar ... cosa avrebbe scritto il tuo prof. al posto di 14.53 kvar ... 0.01 Mvar :?:
"Il circuito ha sempre ragione" (Luigi Malesani)
Avatar utente
Foto UtenteRenzoDF
55,9k 8 12 13
G.Master EY
G.Master EY
 
Messaggi: 13189
Iscritto il: 4 ott 2008, 9:55

0
voti

[7] Re: Esercizio elettrotecnica [Sistema trifase,calcolo corren

Messaggioda Foto Utentecarlo86 » 4 mag 2012, 10:10

RenzoDF ha scritto:Il tuo prof. usa sempre "due cifre dopo la virgola" ? :shock:


guarda, per scrupolo ho ricontrollato tutti gli esercizi fatti un aula a lezione, la risposta è SI :D

ad ogni modo, visto che si parla di calcoli ecco come ho trovato le correnti partendo dal grafico che mi avete postato e ricordando che:

\vec{I_{AC}}=51.59-j2.15A
I_{AC}=51.36A
\varphi _{I_{AC}}=29.74
\varphi ^{III}=27.36
I_{l3}=137.67A

oserei scrivere che:

\vec{I_{A^{III}}}=I_{l3}cos(90-27.36)+jI_{l3}sen(90-27.36)=63.27+j122.27A
\vec{I_{B^{III}}}=I_{l3}cos(30+27.36)-jI_{l3}sen(30+27.36)=74.25+j115.93A
\vec{I_{C^{III}}}=-I_{l3}cos(-30+27.36)-jI_{l3}sen(-30+27.36)=-137.52+j6.34A

e quindi le correnti in ingresso:

\vec{I_{Ap}}=\vec{I_{A^{III}}}+\vec{I_{AC}}=114.86+j120.12A con \varphi =46.28 e I_{Ap}=166.2A
\vec{I_{Bp}}=\vec{I_{B^{III}}}=74.25-j115.93A con \varphi =57.36 e I_{Bp}=137.67A
\vec{I_{Cp}}=\vec{I_{C^{III}}}-\vec{I_{AC}}=-189.11-j4.19A con \varphi =57.36 e I_{Cp}=189.16A

è giusto?

non vado avanti con le potenze e le letture perché tanto si tratta di scrivere 2 formulette, quel che mi interessa è capire se finalmente ho fatto bene le correnti
Avatar utente
Foto Utentecarlo86
65 1 5
 
Messaggi: 41
Iscritto il: 27 gen 2012, 13:35

0
voti

[8] Re: Esercizio elettrotecnica [Sistema trifase,calcolo corren

Messaggioda Foto UtenteRenzoDF » 4 mag 2012, 11:53

carlo86 ha scritto:
RenzoDF ha scritto:Il tuo prof. usa sempre "due cifre dopo la virgola" ? :shock:


guarda, per scrupolo ho ricontrollato tutti gli esercizi fatti un aula a lezione, la risposta è SI :D


Incredibbile ... siamo proprio apposto!

Prova a chiedere al tuo professore se ha mai sentito parlare di cifre significative ;-)
"Il circuito ha sempre ragione" (Luigi Malesani)
Avatar utente
Foto UtenteRenzoDF
55,9k 8 12 13
G.Master EY
G.Master EY
 
Messaggi: 13189
Iscritto il: 4 ott 2008, 9:55

0
voti

[9] Re: Esercizio elettrotecnica [Sistema trifase,calcolo corren

Messaggioda Foto Utentecarlo86 » 4 mag 2012, 12:03

Guarda Foto UtenteRenzoDF, quasi quasi glielo chiedo oggi XD tanto c'è esercitazione!
Portarsi dietro tutti quei numeri è solo un rischio, sbagli a digitare e poi son cavoli!

Per quanto riguarda le correnti invece? Hai avuto il tempo di dargli un'occhiata?
Avatar utente
Foto Utentecarlo86
65 1 5
 
Messaggi: 41
Iscritto il: 27 gen 2012, 13:35

2
voti

[10] Re: Esercizio elettrotecnica [Sistema trifase,calcolo corren

Messaggioda Foto UtenteRenzoDF » 5 mag 2012, 16:10

carlo86 ha scritto:... quasi quasi glielo chiedo oggi XD tanto c'è esercitazione!...

Bravo, così poi ci "racconti" :ok:

carlo86 ha scritto:... Per quanto riguarda le correnti invece? Hai avuto il tempo di dargli un'occhiata?...

Ho fatto ora i miei quattro veloci conti con SpeQ, la tentazione era di usare come sempre Boucherot ma, vista la "strana" imposizione del testo di assumere il fasore della stellata della fase A sul carico, ho preferito "andare di calcolo fasoriale" fino dall'inizio, per poi non dovermi ritrovare a trovare una difficile fase correttiva.

tri_a.gif
tri_a.gif (11.09 KiB) Osservato 10312 volte

tri_b.gif
tri_b.gif (10.89 KiB) Osservato 10312 volte

tri_c.gif
tri_c.gif (15.97 KiB) Osservato 10312 volte

le ultime righe di controllo sfruttano anche i risultati angolari ottenuti con Geogebra (che supporta bene il calcolo complesso) per la verifica delle indicazioni dei due wattmetri e che permette altresì di tracciare il diagramma fasoriale associato,

geo_trif.gif
geo_trif.gif (26.48 KiB) Osservato 10312 volte

I calcoli confermano i tuoi fino alla tensione alla partenza Vp, ma il tuo errore risiede nel calcolo del fasore della Vp, dove come argomento usi una differenza fase \varphi ^{\,\prime\prime\prime}, che è quella fra la tensione stellata e la corrente in una sezione immediatamente precedente la batteria di condensatori, pari alla differenza dei loro rispettivi argomenti, che d'altra parte è l'unica grandezza angolare che possiamo conoscere avendo usato Boucherot, ed è proprio per questa ragione che trovo conveniente un completo approccio fasoriale al problema.

BTW
a) per gli apici usa \prime , per il \varphi ^{\prime\prime\prime} per esempio
Codice: Seleziona tutto
[tex]\varphi ^{\prime\prime\prime}[/tex]

cerca comunque di evitarli in quanto possono entrare in conflitto con il simbolo di potenza.
b) non usare quelle freccie per cappello ai fasori
c) var in minuscolo
d) non usare cap e ind, per le potenze reattive basta il segno; positivo o negativo
e questo può valere anche per la fase, se comunque usi rit e ant, mettili fra parentesi .
e) per le unità di misura usa testo "dritto" \text{kW} P=60.5\,\,\text{kW}
"Il circuito ha sempre ragione" (Luigi Malesani)
Avatar utente
Foto UtenteRenzoDF
55,9k 8 12 13
G.Master EY
G.Master EY
 
Messaggi: 13189
Iscritto il: 4 ott 2008, 9:55


Torna a Elettrotecnica generale

Chi c’è in linea

Visitano il forum: Nessuno e 21 ospiti