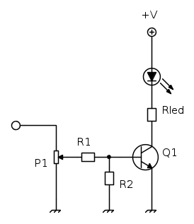
Questo è lo schema corretto e più semplice in assoluto.
Per dimensionarlo bisogna sapere quanti LED vuoi montare, di che tipo, la tensione di alimentazione.
Led a ritmo di musica!!!
Moderatore:
IsidoroKZ
28 messaggi
• Pagina 2 di 3 • 1, 2, 3
4
voti
"La follia sta nel fare sempre la stessa cosa aspettandosi risultati diversi".
"Parla soltanto quando sei sicuro che quello che dirai è più bello del silenzio".
Rispondere è cortesia, ma lasciare l'ultima parola ai cretini è arte.
"Parla soltanto quando sei sicuro che quello che dirai è più bello del silenzio".
Rispondere è cortesia, ma lasciare l'ultima parola ai cretini è arte.
-

TardoFreak
73,9k 8 12 13 - -EY Legend-

- Messaggi: 15754
- Iscritto il: 16 dic 2009, 11:10
- Località: Torino - 3° pianeta del Sistema Solare
0
voti
i led che voglio usare sono dei led blu ad alta luminosità, hanno caduta di tensione 3.7v, e 20 mA di assorbimento, come dovrei dimensionare la parte dello schema a partire dal segnale audio? il potensiometro e le resistenze?
0
voti
la tensione di alimentazione sarebbero i 12 volt della batteria dell'auto, i led credo che li dividerò in serie formate da 4 led ciascuna
0
voti
Fabioleo ha scritto: i led credo che li dividerò in serie formate da 4 led ciascuna
Ho capito; ma quanti devono essere in tutto?
Possibile che per avere una risposta si debbano scrivere dieci post?
Questa e' la terza volta che ti viene richiesto questo particolare dato.
marco
0
voti
Se ti vengono chiesti dati dalli sempre.
"La follia sta nel fare sempre la stessa cosa aspettandosi risultati diversi".
"Parla soltanto quando sei sicuro che quello che dirai è più bello del silenzio".
Rispondere è cortesia, ma lasciare l'ultima parola ai cretini è arte.
"Parla soltanto quando sei sicuro che quello che dirai è più bello del silenzio".
Rispondere è cortesia, ma lasciare l'ultima parola ai cretini è arte.
-

TardoFreak
73,9k 8 12 13 - -EY Legend-

- Messaggi: 15754
- Iscritto il: 16 dic 2009, 11:10
- Località: Torino - 3° pianeta del Sistema Solare
0
voti
si, scusate, solo che ho risposto da scuola, e non ho avuto il tempo di ragionarci... comunque ricapitolando, i led che userò sono dei led ad alta luminosità che hanno caduta di tensione 3,7v, un assorbimento di 20 mA, saranno alimentati a 12v, e credo di usarne da un minimo di 4 ad un massimo di 12, quindi come assorbimento complessivo, se li dividerò in tre serie da 4 led ciascuna, verranno circa 60/70 mA... scusate ancora...
0
voti
la caduta di tensione dei led è solo in teoria 3,7v ho deciso di metterli in serie di 4 perché siccome è in auto che devo montare il tutto, va considerato che quando i giri motore sono sopra un certo valore, anche il tensione dell'impianto elettrico si innalza
28 messaggi
• Pagina 2 di 3 • 1, 2, 3
Torna a Elettronica e spettacolo
Chi c’è in linea
Visitano il forum: Nessuno e 18 ospiti

Elettrotecnica e non solo (admin)
Un gatto tra gli elettroni (IsidoroKZ)
Esperienza e simulazioni (g.schgor)
Moleskine di un idraulico (RenzoDF)
Il Blog di ElectroYou (webmaster)
Idee microcontrollate (TardoFreak)
PICcoli grandi PICMicro (Paolino)
Il blog elettrico di carloc (carloc)
DirtEYblooog (dirtydeeds)
Di tutto... un po' (jordan20)
AK47 (lillo)
Esperienze elettroniche (marco438)
Telecomunicazioni musicali (clavicordo)
Automazione ed Elettronica (gustavo)
Direttive per la sicurezza (ErnestoCappelletti)
EYnfo dall'Alaska (mir)
Apriamo il quadro! (attilio)
H7-25 (asdf)
Passione Elettrica (massimob)
Elettroni a spasso (guidob)
Bloguerra (guerra)

