Led a ritmo di musica!!!
Moderatore:
IsidoroKZ
28 messaggi
• Pagina 3 di 3 • 1, 2, 3
0
voti
scusami ma ognuno ragiona a modo suo, e non volendo complicare ulteriormente lo schema con uno stabilizzatore di tensione ho deciso di non rischiare di bruciare i led
0
voti
Hai ragione, ognuno e libero di pensarla a suo modo.
Considerando pero' che per me il tuo ragionamento e' fondamentalmente errato e per diversi motivi, ho espresso il mio dubbio in merito.
Considerando pero' che per me il tuo ragionamento e' fondamentalmente errato e per diversi motivi, ho espresso il mio dubbio in merito.
marco
2
voti
Fabioleo ha scritto:scusami ma ognuno ragiona a modo suo...
Purtroppo hai ragionato sbagliato.

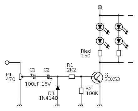
Una serie di 4 LED da 3,7V di caduta diretta necessitano 14,8V di tensione per accendersi, quindi con i 12V dell' auto non si accenderanno mai. Devi fare serie da 2 in modo da avere ancora un margine di tensione proprio per essere sicuro di non fottere i LED.
A questo punto ecco lo schema che potresti utilizzare.
Il transistor è meglio se montato su un dissipatore.
Di gruppi di due LED ne puoi mettere a iosa, anche un centinaio.
Come ingresso devi avere un segnale che arriva da un' autoradio.
"La follia sta nel fare sempre la stessa cosa aspettandosi risultati diversi".
"Parla soltanto quando sei sicuro che quello che dirai è più bello del silenzio".
Rispondere è cortesia, ma lasciare l'ultima parola ai cretini è arte.
"Parla soltanto quando sei sicuro che quello che dirai è più bello del silenzio".
Rispondere è cortesia, ma lasciare l'ultima parola ai cretini è arte.
-

TardoFreak
73,9k 8 12 13 - -EY Legend-

- Messaggi: 15754
- Iscritto il: 16 dic 2009, 11:10
- Località: Torino - 3° pianeta del Sistema Solare
0
voti
scusami ma l'altro schema aveva molti meno componenti, come mai questa differenza?
1
voti
Quello era uno schema di principio, un inizio. Questo è adattato alle tue esigenze.
Se l' elettronica fosse fatta di schemi standard i progettisti elettronici sarebbero disoccupati
Se l' elettronica fosse fatta di schemi standard i progettisti elettronici sarebbero disoccupati

"La follia sta nel fare sempre la stessa cosa aspettandosi risultati diversi".
"Parla soltanto quando sei sicuro che quello che dirai è più bello del silenzio".
Rispondere è cortesia, ma lasciare l'ultima parola ai cretini è arte.
"Parla soltanto quando sei sicuro che quello che dirai è più bello del silenzio".
Rispondere è cortesia, ma lasciare l'ultima parola ai cretini è arte.
-

TardoFreak
73,9k 8 12 13 - -EY Legend-

- Messaggi: 15754
- Iscritto il: 16 dic 2009, 11:10
- Località: Torino - 3° pianeta del Sistema Solare
0
voti
scusami ancora una volta, ma l'unità di misura di p1 è ohm giusto? e il secondo condensatore c2 è dello stesso valore di c1?
0
voti
grazie mille per lo schema, quando potrò procurarmi i componenti provvederò subito a provarlo... ma ancora una cosa, potete spiegarmi a cosa servono i due condensatori? e anche di che tipo è il transistor? dall'uso che se ne fa sembra un npn
28 messaggi
• Pagina 3 di 3 • 1, 2, 3
Torna a Elettronica e spettacolo
Chi c’è in linea
Visitano il forum: Nessuno e 13 ospiti

Elettrotecnica e non solo (admin)
Un gatto tra gli elettroni (IsidoroKZ)
Esperienza e simulazioni (g.schgor)
Moleskine di un idraulico (RenzoDF)
Il Blog di ElectroYou (webmaster)
Idee microcontrollate (TardoFreak)
PICcoli grandi PICMicro (Paolino)
Il blog elettrico di carloc (carloc)
DirtEYblooog (dirtydeeds)
Di tutto... un po' (jordan20)
AK47 (lillo)
Esperienze elettroniche (marco438)
Telecomunicazioni musicali (clavicordo)
Automazione ed Elettronica (gustavo)
Direttive per la sicurezza (ErnestoCappelletti)
EYnfo dall'Alaska (mir)
Apriamo il quadro! (attilio)
H7-25 (asdf)
Passione Elettrica (massimob)
Elettroni a spasso (guidob)
Bloguerra (guerra)

