ciao chi mi può dare una mano?
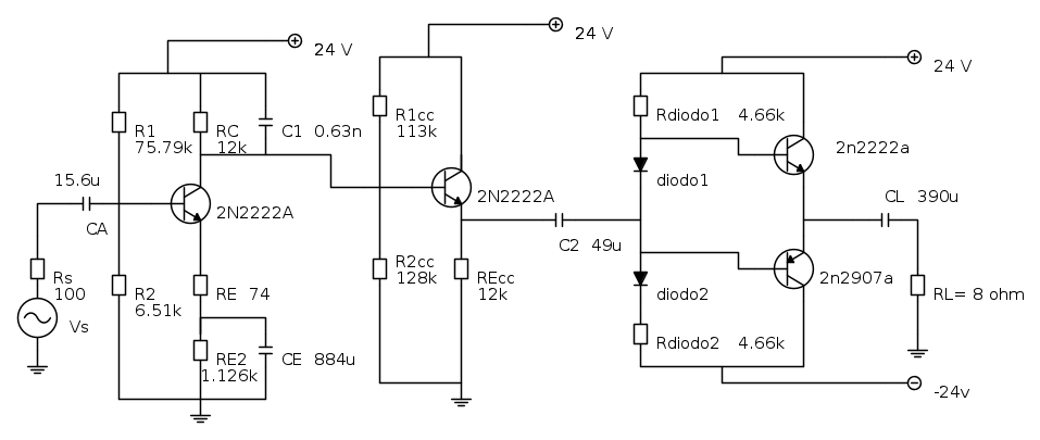
il circuito è un amplificatore pull push.
il progetto prevede:
guadagno di tensione totale AVtot = 50;
RL = 8ohm
Alimentazione +- 24 V
banda passante 20hz a 25khz
ic =1mA
Vorrei sapere quanta potenza offre questo amplificatore su un carico da 8 ohm pke dalle mie simulazioni con ltspice non ci ho capito molto..... ki di voi lo potrebbe simulare e dirmi se ho fatto una tontesa oppure è giusto e va solo modificato...
Se volte sapere come sono arrivato a questo schema fattemi sapere!
In soldoni è composto da uno stadio Pull Push, da uno a collettore comune e da uno a emettitore comune
grazie a tutti ciao!
Progettino Amplificatore audio (solo per esperti)
Moderatori:
carloc,
g.schgor,
BrunoValente,
IsidoroKZ
17 messaggi
• Pagina 1 di 2 • 1, 2
0
voti
il primo stadio è un emettitore comune, il 2 e un collettore comune, l'ultimo stadio è un Push Pull complementare.
3
voti
Io non sono esperto, ma secondo me quel circuito funzionerebbe molto male...
Qualche ragione:
1) il secondo stadio mi sembra polarizzato male;
2) lo stadio finale lo vedo ben predisposto a fumare
3) varie ed eventuali...
PS: lascia perdere il simulatore
PPS: e poi che potenza vorrai mai tirare fuori da dei 2N2222?
Qualche ragione:
1) il secondo stadio mi sembra polarizzato male;
2) lo stadio finale lo vedo ben predisposto a fumare
3) varie ed eventuali...
PS: lascia perdere il simulatore
PPS: e poi che potenza vorrai mai tirare fuori da dei 2N2222?
It's a sin to write
instead of
(Anonimo).
...'cos you know that
ain't
, right?
You won't get a sexy tan if you write
in lieu of
.
Take a log for a fireplace, but don't take
for
arithm.
instead of
(Anonimo)....'cos you know that
ain't
, right?You won't get a sexy tan if you write
in lieu of
.Take a log for a fireplace, but don't take
for
arithm.-

DirtyDeeds
55,9k 7 11 13 - G.Master EY

- Messaggi: 7012
- Iscritto il: 13 apr 2010, 16:13
- Località: Somewhere in nowhere
0
voti
Anche per me ha qualche problema e proprio per questo ke l'ho postato qui... comunque in merito alla disposizione degli stadi io ho ragionato cosi:
io volevo un guadagno in tensione di 50
mi sono calcolato il guadagno in tensione dell'ultimo stadio (push pull)
Avt=vopp/vipp = 1 -rpi/[rpi+(Bo +1)RL]
ottengo
Avt = 0,39;
allora ho pensato di mettere un emettitore comune per avere un guadagno di tensione in questo modo ottengo:
AVtot =Ripp/[Ripp +Roec] * Riec/[Rs + Riec] *Avpp *Avec
quindi se Roec << Ripp e Rs <<Riec ottengo Avtot = Avpp*Avec;
quindi Avec= Avtot/Avpp = 50/0.39 =128.
ma siccome la resistenza d'uscita del Emettitore Comune è molto grande, Roec << Ripp non sarà mai verificata allora ho deciso di usare un collettore comune (tra emettitore comune e push pull) che ha una resistenza d'uscita bassa....
Il guadagno del collettore comune e pari a 1 circa
quindi
Avtot=Vopp/vs = Ripp/[Ripp +Roec]* Riec/[Rs +Riec]*Ricc/[Ricc +Roec]*Avpp*Avec*Avcc
mettendo
X = Ripp/[Ripp +Roec]
Y = Riec/[Rs +Riec]
Z = Ricc/[Ricc +Roec]
mi sono ricalcolato Avec =Avtot/[X*Y*Z*Avpp*Avcc] che mi da 160
Questo procedimento e giusto ?
i sta per input
o sta per output
io volevo un guadagno in tensione di 50
mi sono calcolato il guadagno in tensione dell'ultimo stadio (push pull)
Avt=vopp/vipp = 1 -rpi/[rpi+(Bo +1)RL]
ottengo
Avt = 0,39;
allora ho pensato di mettere un emettitore comune per avere un guadagno di tensione in questo modo ottengo:
AVtot =Ripp/[Ripp +Roec] * Riec/[Rs + Riec] *Avpp *Avec
quindi se Roec << Ripp e Rs <<Riec ottengo Avtot = Avpp*Avec;
quindi Avec= Avtot/Avpp = 50/0.39 =128.
ma siccome la resistenza d'uscita del Emettitore Comune è molto grande, Roec << Ripp non sarà mai verificata allora ho deciso di usare un collettore comune (tra emettitore comune e push pull) che ha una resistenza d'uscita bassa....
Il guadagno del collettore comune e pari a 1 circa
quindi
Avtot=Vopp/vs = Ripp/[Ripp +Roec]* Riec/[Rs +Riec]*Ricc/[Ricc +Roec]*Avpp*Avec*Avcc
mettendo
X = Ripp/[Ripp +Roec]
Y = Riec/[Rs +Riec]
Z = Ricc/[Ricc +Roec]
mi sono ricalcolato Avec =Avtot/[X*Y*Z*Avpp*Avcc] che mi da 160
Questo procedimento e giusto ?
i sta per input
o sta per output
0
voti
matxx ha scritto:mi sono calcolato il guadagno in tensione dell'ultimo stadio (push pull)
L'ultimo stadio non lavora con segnale piccolo e applicare l'equazione che hai scritto non ha molto senso, per di più con un altoparlante, in cui gli 8 ohm sono puramente nominali.
Ma, indipendentemente da questo, come ho scritto in [4], l'ultimo stadio è buono per far strage di transistor. Per cui, prima di tutto, si ritorna alla domanda: che potenza vorresti tirare fuori da 'sto povero amplificatore?
Inoltre, gli amplificatori non si fanno così: per ottenere un guadagno stabile e indipendente dal carico, bisogna usare la retroazione.
It's a sin to write
instead of
(Anonimo).
...'cos you know that
ain't
, right?
You won't get a sexy tan if you write
in lieu of
.
Take a log for a fireplace, but don't take
for
arithm.
instead of
(Anonimo)....'cos you know that
ain't
, right?You won't get a sexy tan if you write
in lieu of
.Take a log for a fireplace, but don't take
for
arithm.-

DirtyDeeds
55,9k 7 11 13 - G.Master EY

- Messaggi: 7012
- Iscritto il: 13 apr 2010, 16:13
- Località: Somewhere in nowhere
0
voti
ok... questo schema è più qualcosa di didattico che una vera e propria realizzazione , voglio capire dove ho sbagliato e magari con il vostro aiuto cercare di risolvere i problemi e correggerlo... comunque per quanto riguarda la potenza vorrei qualcosa di basso tipo 5 Watt.
0
voti
matxx ha scritto:ok... questo schema è più qualcosa di didattico che una vera e propria realizzazione , voglio capire dove ho sbagliato e magari con il vostro aiuto cercare di risolvere i problemi e correggerlo... comunque per quanto riguarda la potenza vorrei qualcosa di basso tipo 5 Watt.
Anch'io non sono "un esperto" ma voglio ugualmente darti qualche suggerimento:
Se vuoi capire dove hai sbagliato, basta che leggi attentamente quanto ti e' stato suggerito da
DirtyDeeds ha scritto:
L'ultimo stadio non lavora con segnale piccolo e applicare l'equazione che hai scritto non ha molto senso, per di più con un altoparlante, in cui gli 8 ohm sono puramente nominali.
Ma, indipendentemente da questo, come ho scritto in [4], l'ultimo stadio è buono per far strage di transistor. Per cui, prima di tutto, si ritorna alla domanda: che potenza vorresti tirare fuori da 'sto povero amplificatore?
Inoltre, gli amplificatori non si fanno così: per ottenere un guadagno stabile e indipendente dal carico, bisogna usare la retroazione.
Inoltre (ma mi sembra che sia stato gia' detto) con quei finali i 5W non li vedi nemmeno con un telescopio.
Per finire quindi, ti consiglio di ricominciare da capo e ti ricordo che l'elettronica si studia sui libri e non con i simulatori.

marco
17 messaggi
• Pagina 1 di 2 • 1, 2
Chi c’è in linea
Visitano il forum: Google Adsense [Bot] e 193 ospiti

Elettrotecnica e non solo (admin)
Un gatto tra gli elettroni (IsidoroKZ)
Esperienza e simulazioni (g.schgor)
Moleskine di un idraulico (RenzoDF)
Il Blog di ElectroYou (webmaster)
Idee microcontrollate (TardoFreak)
PICcoli grandi PICMicro (Paolino)
Il blog elettrico di carloc (carloc)
DirtEYblooog (dirtydeeds)
Di tutto... un po' (jordan20)
AK47 (lillo)
Esperienze elettroniche (marco438)
Telecomunicazioni musicali (clavicordo)
Automazione ed Elettronica (gustavo)
Direttive per la sicurezza (ErnestoCappelletti)
EYnfo dall'Alaska (mir)
Apriamo il quadro! (attilio)
H7-25 (asdf)
Passione Elettrica (massimob)
Elettroni a spasso (guidob)
Bloguerra (guerra)






