Cos'è ElectroYou | Login Iscriviti

ElectroYou - la comunità dei professionisti del mondo elettrico

Quadripolo a T

Progettazione, esercizio, manutenzione, sicurezza, leggi, normative...

Moderatori: Foto Utentesebago, Foto UtenteMASSIMO-G, Foto Utentelillo, Foto UtenteMike

0
voti

[1] Quadripolo a T

Messaggioda Foto UtenteScacco22 » 28 mag 2012, 20:45

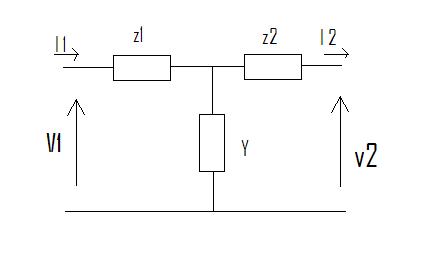
Buonasera a tutti un mio amico mi ha passato degli appunti di Impianti Elettrici sul quadripolo a T (in sostanza la linea elettrica studiata come quadripolo).
Come si può vedere dall'immagine che ho postato immaginiamo di concentrare la suscettanza capacitiva e la conduttanza di dispersione nella mezzeria della linea (parametri trasversali) e suddividendo la resistenza e l'induttanza (considerati come un impedenza Z) in parti uguali a monte e a valle ottengo il circuito equivalente a "T".
C'è scritto:
V2=(1+Z2Y)V1+(Z1+Z2+Z1Z2Y)I1

I2=YV1+ (1+Z1Y)I1

Per sicurezza ho fatto i calcoli ( ho applicato la legge di Kirchhoff delle tensioni alle 2 maglie):
V1 – ZI1- (I1-I2)/Y = 0

-Z2I2 – V2 –(I2-I1)/Y = 0

ottenendo:
V2=(1+Z2Y)V1 -(Z1+Z2+Z1Z2Y)I1

I2= -YV1+ (1+Z1Y)I1

non credo di essere in errore...ho sbagliato io o gli appunti son sbagliati?
Grazie per l'attenzione!

N.B. Chiedo scusa per come le relazioni sono state scritte...ovviamente i numeri 1 e 2 sono da intendersi a pedice. Ho perso mezz'ora al word per scriverle per bene ma copiandole qui i numeri a pedice non me li riconosce. Ho provato ad utilizzare LaTex online ma una volta scritta la formula e salvata in formato .gif non sapevo come postarla visto che ho già inserito un allegato. Chiedo scusa! :-)
Allegati
Immagine2.JPG
Immagine2.JPG (7.23 KiB) Osservato 3783 volte
Avatar utente
Foto UtenteScacco22
0 2
 
Messaggi: 2
Iscritto il: 28 mag 2012, 19:54

0
voti

[2] Re: Quadripolo a T

Messaggioda Foto Utenteildoghy » 28 mag 2012, 21:57

Ciao i tuoi calcoli mi sembrano giusti. Il copia e incolla con word non funziona, devi inserire il codice latex tra i tag
Codice: Seleziona tutto
[tex][/tex]


Per gli schemi devi usare invece fidocadj. Trovi tutto nell'help.
O_/
Avatar utente
Foto Utenteildoghy
199 2 7
Frequentatore
Frequentatore
 
Messaggi: 148
Iscritto il: 12 mar 2010, 21:44

0
voti

[3] Re: Quadripolo a T

Messaggioda Foto UtenteScacco22 » 29 mag 2012, 0:13

Grazie mille per la risposta...e anche per le dritte!!! :D
O_/
Avatar utente
Foto UtenteScacco22
0 2
 
Messaggi: 2
Iscritto il: 28 mag 2012, 19:54

0
voti

[4] Re: Quadripolo a T

Messaggioda Foto Utenteconsole6 » 30 mag 2012, 11:49

Puoi avere qualcosa del genere
ƎlectroYou e ne sai di più!
Avatar utente
Foto Utenteconsole6
2.261 3 10 12
Expert EY
Expert EY
 
Messaggi: 1106
Iscritto il: 15 nov 2011, 13:08
Località: World wide


Torna a Impianti, sicurezza e quadristica

Chi c’è in linea

Visitano il forum: Nessuno e 182 ospiti