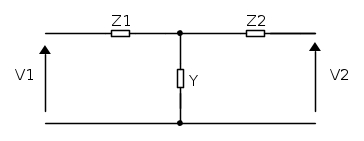
Come si può vedere dall'immagine che ho postato immaginiamo di concentrare la suscettanza capacitiva e la conduttanza di dispersione nella mezzeria della linea (parametri trasversali) e suddividendo la resistenza e l'induttanza (considerati come un impedenza Z) in parti uguali a monte e a valle ottengo il circuito equivalente a "T".
C'è scritto:
V2=(1+Z2Y)V1+(Z1+Z2+Z1Z2Y)I1
I2=YV1+ (1+Z1Y)I1
Per sicurezza ho fatto i calcoli ( ho applicato la legge di Kirchhoff delle tensioni alle 2 maglie):
V1 – ZI1- (I1-I2)/Y = 0
-Z2I2 – V2 –(I2-I1)/Y = 0
ottenendo:
V2=(1+Z2Y)V1 -(Z1+Z2+Z1Z2Y)I1
I2= -YV1+ (1+Z1Y)I1
non credo di essere in errore...ho sbagliato io o gli appunti son sbagliati?
Grazie per l'attenzione!
N.B. Chiedo scusa per come le relazioni sono state scritte...ovviamente i numeri 1 e 2 sono da intendersi a pedice. Ho perso mezz'ora al word per scriverle per bene ma copiandole qui i numeri a pedice non me li riconosce. Ho provato ad utilizzare LaTex online ma una volta scritta la formula e salvata in formato .gif non sapevo come postarla visto che ho già inserito un allegato. Chiedo scusa!

Elettrotecnica e non solo (admin)
Un gatto tra gli elettroni (IsidoroKZ)
Esperienza e simulazioni (g.schgor)
Moleskine di un idraulico (RenzoDF)
Il Blog di ElectroYou (webmaster)
Idee microcontrollate (TardoFreak)
PICcoli grandi PICMicro (Paolino)
Il blog elettrico di carloc (carloc)
DirtEYblooog (dirtydeeds)
Di tutto... un po' (jordan20)
AK47 (lillo)
Esperienze elettroniche (marco438)
Telecomunicazioni musicali (clavicordo)
Automazione ed Elettronica (gustavo)
Direttive per la sicurezza (ErnestoCappelletti)
EYnfo dall'Alaska (mir)
Apriamo il quadro! (attilio)
H7-25 (asdf)
Passione Elettrica (massimob)
Elettroni a spasso (guidob)
Bloguerra (guerra)





