ciao a tutti ki mi aiuta?
ho un trasformatore ke mi fornisce tensioni di 45v e 25 v (il trasformatore ha + secondari) a me serve una tensione di 36v continua oppure di 44v continui.
se uso un solo diodo raddrizzatore e ai capi del condensatore ottengo:
vcc=(45-0,7)*1.41= 62volt quindi per ottenere 44v dovrei ridurre di ben 18v che non saprei come fare(non posso modificare il trasformatore!),
mentre se uso la tensione da 25 v otterrei vcc=(25-0.7)*1.41= 34v che è più piccola di 10v rispetto ai 44v però a questo punto opterei per la tensione di 36v.
le tensioni 36 o 44v servono per alimentare un tda2050, vorrei usare 44v ma cm ho scritto prima nn so cm diminuire di 18 v i 62 v che ottengo dopo il raddrizzamento quindi opterei per i 34v anche se mi servirebbero 36v. C'è un modo per aumentare la tensione di 2 volt?
trasformatore
Moderatori:
carloc,
g.schgor,
BrunoValente,
IsidoroKZ
32 messaggi
• Pagina 1 di 4 • 1, 2, 3, 4
0
voti
matxx ha scritto:se uso un solo diodo raddrizzatore e ai capi del condensatore ottengo:
vcc=(45-0,7)*1.41= 62volt
Questo è vero solo se non prelevi dal condensatore alcuna corrente!
'Con un "carico" avresti un'alimentazione in semionda sicuramente
inadatta al tuo scopo.
Devi mettere un "ponte" a diodi ed un condensatore che mantenga
il ripple al disopra dei 44V.
Se la corrente assorbita dal carico non è elevata (e non molto variabile)
puoi stabilizzare i 44V con Zener.
0
voti
io e qui ke non capisco...
il datasheet del tda2050 dice che cn un alimentazione di 44 volt produce 32 w su una cassa da 8 ohm quindi la corrente ke assorbe al max è calcolabile con questa formula P=r*i^2 dalla quale si ricava che i è uguale a 2 ampere e giusto questo ragionamento?
il datasheet del tda2050 dice che cn un alimentazione di 44 volt produce 32 w su una cassa da 8 ohm quindi la corrente ke assorbe al max è calcolabile con questa formula P=r*i^2 dalla quale si ricava che i è uguale a 2 ampere e giusto questo ragionamento?
Ultima modifica di
admin il 5 giu 2012, 11:37, modificato 1 volta in totale.
Motivazione: eliminata citazione integrale del messaggio che precede. Usare il tasto Rispondi
Motivazione: eliminata citazione integrale del messaggio che precede. Usare il tasto Rispondi
0
voti
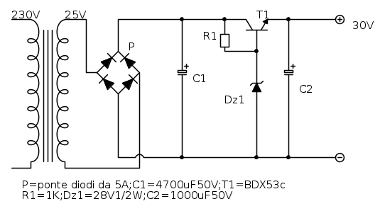
io farei cosi,e piu di 30 V non si possono avere:
0
voti
chiedo scusa rivedendo i calcoli c'è un errore,alla base del T1 bisogna mettere uno zener da 30V,ed in uscita abbiamo:30-2x0,6=28,8V,questa è la tensione max che si puo avere con i 25v del secondario
0
voti
ok...
ora mi spiego meglio!
questo è il mio trasformatore:
come si puo vedere dal link N°3 ci sono 12 uscite ,F2,F1, Vl2,Vl2,Vl1,Vl1,Vh,Vh,GND,GND,Vh,Vh.
io con il mio multimetro ho misurato :
Vl2=15v
Vl2=15v
Vl1=24 V
Vl1=24 V
Vh=46v
Vh=46v
Vh=46v
Vh=46v
questi valori li ho misurati mettendo un puntale del multimetro su gnd e l'altro su vl2,vl2,vl1 eccc...
ora da questi valori vorrei ottenere se possibile una tensione continua di MAX 44V o +-22V, se non è possibile ottenere questo valore, quale sarebbe il max valore che posso ottenere?
La tensione mi serve per alimentare un TDA2050, nel quale non so calcolarmi la corrente che assorbe... io ho provato usando la formula P=R*I^2 dai grafici del datasheet ricavo la potenza in funzione della tensione e del carico (altoparlante da 4 ohm) e da li mi calcolo la i.
un'altra cosa che vorrei chiedervi è questa:
prendiamo ad esempio i due vl2 che hanno la stessa tensione di 15V rispetto a gnd, si può assumere che sia un secondario a presa centrale 15-0-15?
Edit marco438: Le foto devono essere caricate (dopo essere state ridimensionate a circa 640x480 pixel) tramite l'apposito comando "invia allegato" e quindi inserite nel messaggio cliccando su "inserisci in linea con il testo". L'uso di server esterni e' vietato!
ora mi spiego meglio!
questo è il mio trasformatore:
come si puo vedere dal link N°3 ci sono 12 uscite ,F2,F1, Vl2,Vl2,Vl1,Vl1,Vh,Vh,GND,GND,Vh,Vh.
io con il mio multimetro ho misurato :
Vl2=15v
Vl2=15v
Vl1=24 V
Vl1=24 V
Vh=46v
Vh=46v
Vh=46v
Vh=46v
questi valori li ho misurati mettendo un puntale del multimetro su gnd e l'altro su vl2,vl2,vl1 eccc...
ora da questi valori vorrei ottenere se possibile una tensione continua di MAX 44V o +-22V, se non è possibile ottenere questo valore, quale sarebbe il max valore che posso ottenere?
La tensione mi serve per alimentare un TDA2050, nel quale non so calcolarmi la corrente che assorbe... io ho provato usando la formula P=R*I^2 dai grafici del datasheet ricavo la potenza in funzione della tensione e del carico (altoparlante da 4 ohm) e da li mi calcolo la i.
un'altra cosa che vorrei chiedervi è questa:
prendiamo ad esempio i due vl2 che hanno la stessa tensione di 15V rispetto a gnd, si può assumere che sia un secondario a presa centrale 15-0-15?
Edit marco438: Le foto devono essere caricate (dopo essere state ridimensionate a circa 640x480 pixel) tramite l'apposito comando "invia allegato" e quindi inserite nel messaggio cliccando su "inserisci in linea con il testo". L'uso di server esterni e' vietato!
Ultima modifica di
admin il 5 giu 2012, 11:45, modificato 1 volta in totale.
Motivazione: Eliminati i link a server esterni. Inserite le immagini come allegati. Leggere le istruzioni per l'uso del Forum
Motivazione: Eliminati i link a server esterni. Inserite le immagini come allegati. Leggere le istruzioni per l'uso del Forum
0
voti
[10] Re: trasformatore
se ho ben capito 44V è la tensione max che tu puoi applicare all'IC,non è obbligatorio mettere questa o 36V,l'ic funziona lo stesso l'importante è che la tensione sia ben stabilizzata;dagli ultimi dati che tu mi hai fornito dici che sul secondario hai 15+15V;benissimo puoi ottenere 30V,se colleghi in modo giusto questi 2 secondari;fai cosi,li collegali in serie,ai 2 capi che sono liberi ci colleghi il tester sulla portata 200V ca;dai tensione,se la lettura è 30V o all'incirca ok il collegamento che hai fatto va bene;se invece la lettura ti da 0 o quasi 0,devi scambiare un filo per il collegamento in serie,prendi il capo rimasto libero di uno dei 2 secondari e lo colleghi al posto dell'altro,rifai la misura e dovrai ottenere i 30V;con questi 30 V che sono il valore efficace della tensione del secondario ,alimenti il circuito che ti ho postato con queste varianti;
Vmax=30x1,41=41,1 cdt ponte=2x0,6=1,2V cdt sul condensatore di livellamento:41,1-1,2=39,9V cdt base emittore del T1=1,2V(perche darlington);tensione che vuoi ottenere :36V,zener da applicare 36+1,2=37,2V in commercio non so se trovi questo zener comunque ne dovrai cercare uno col valore piu vicino possibile
Vmax=30x1,41=41,1 cdt ponte=2x0,6=1,2V cdt sul condensatore di livellamento:41,1-1,2=39,9V cdt base emittore del T1=1,2V(perche darlington);tensione che vuoi ottenere :36V,zener da applicare 36+1,2=37,2V in commercio non so se trovi questo zener comunque ne dovrai cercare uno col valore piu vicino possibile
32 messaggi
• Pagina 1 di 4 • 1, 2, 3, 4
Chi c’è in linea
Visitano il forum: Majestic-12 [Bot] e 44 ospiti

Elettrotecnica e non solo (admin)
Un gatto tra gli elettroni (IsidoroKZ)
Esperienza e simulazioni (g.schgor)
Moleskine di un idraulico (RenzoDF)
Il Blog di ElectroYou (webmaster)
Idee microcontrollate (TardoFreak)
PICcoli grandi PICMicro (Paolino)
Il blog elettrico di carloc (carloc)
DirtEYblooog (dirtydeeds)
Di tutto... un po' (jordan20)
AK47 (lillo)
Esperienze elettroniche (marco438)
Telecomunicazioni musicali (clavicordo)
Automazione ed Elettronica (gustavo)
Direttive per la sicurezza (ErnestoCappelletti)
EYnfo dall'Alaska (mir)
Apriamo il quadro! (attilio)
H7-25 (asdf)
Passione Elettrica (massimob)
Elettroni a spasso (guidob)
Bloguerra (guerra)





