da
milan1996pato2 » 5 giu 2012, 16:14
Salve a tutti , mi è stato suggerito da
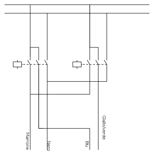
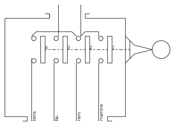
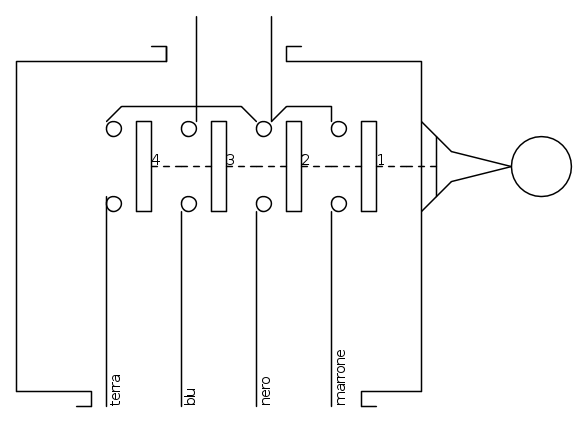
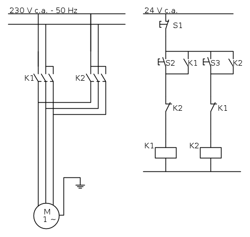
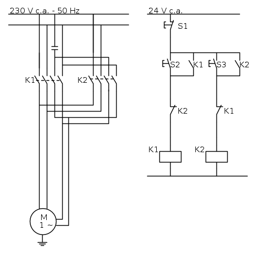
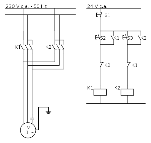
Candy di aprire un nuovo argomento siccome l'altro è stato bloccato e mi è stato suggerito di essere più chiaro. Come sapete già c'è questo motore che voglio fare girare al contrario . Era di un montacarichi che aveva un'invertitore di marcia come questo :
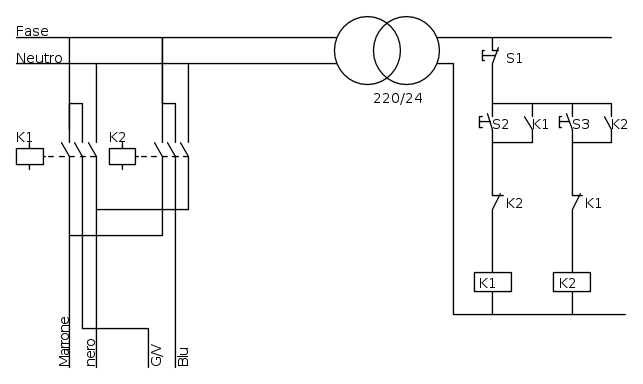
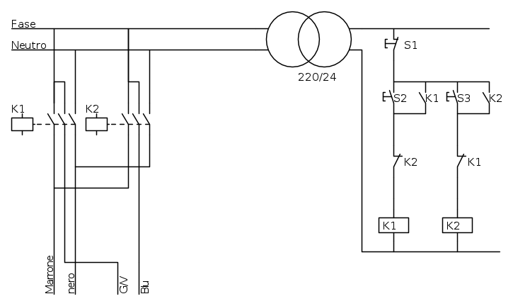
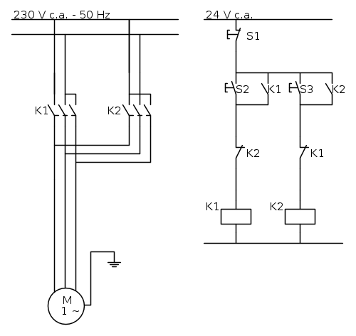
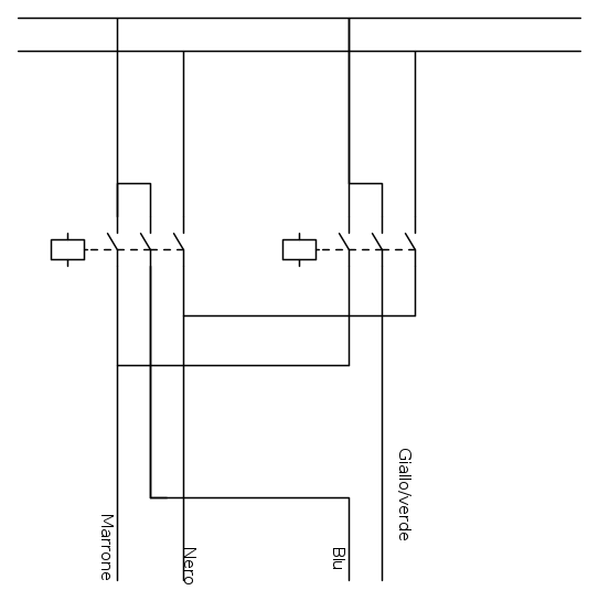
Quando giro la manopola a destra si chiudono i contatti 1,2,3 mentre quando giro la manopola a sinistra si chiudono i contatti 1,2,4 . Ci sono 4 fili che escono dall'invertitore 1 giallo/verde che va collegato al morsetto U dove c'è il condensatore , 1 filo Blu che va collegato a Z , 1 filo Nero che va collegato a W e un filo Marrone che va a un morsetto dove sono collegati i freni . Avevo pensato di sostituire questo invertitore con 2 pulsanti e 2 contattori . Io avevo pensato di fare così :Potenza
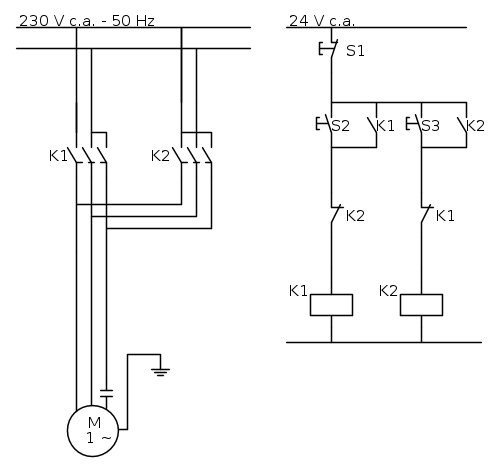
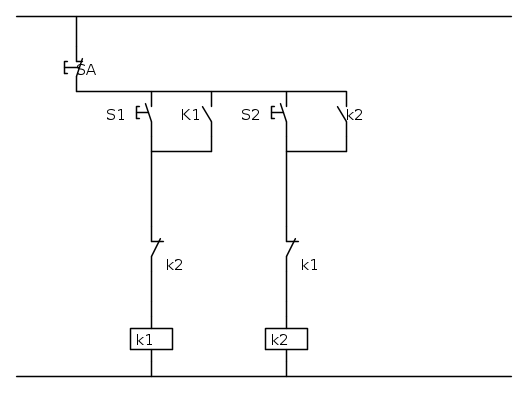
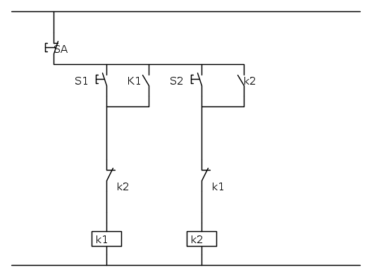
Comando :
K1 sarebbe il contattore che comanda i fili MARRONE,BLU,NERO mentre K2 sarebbe il contattore che comanda il G/V . Mi sapreste dire se questi schemi sono giusti ? Lasciamo perdere la parte meccanica pensiamo solo alla parte didattica . Mi sapreste dare una mano ?
